GM Service Manual Online
For 1990-2009 cars only
Makes
🢒
Chevrolet
🢒
2007
🢒
Colorado Pickup - 2WD
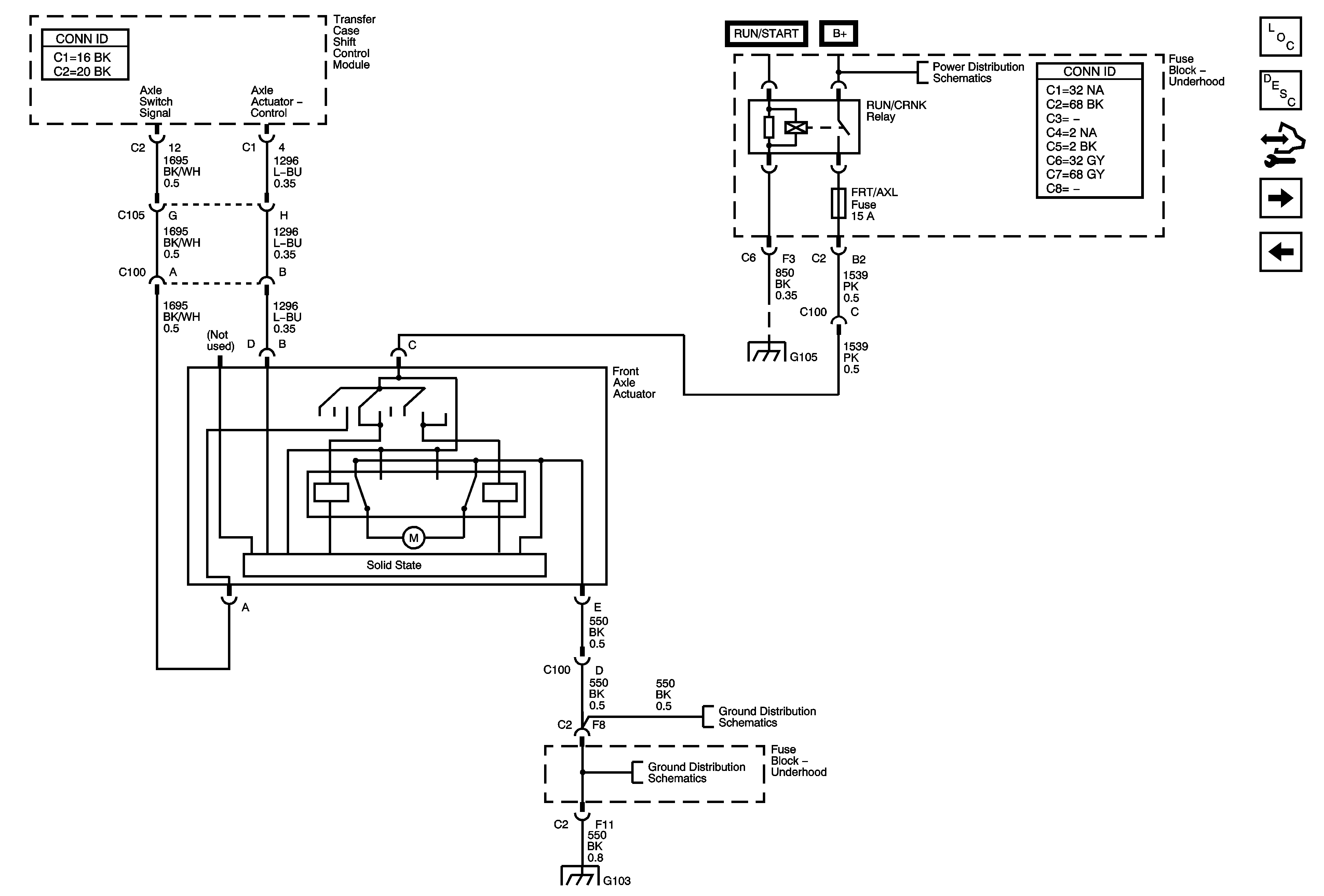
🢒 Front Axle Actuator
Front Axle Actuator
Front Axle Actuator
Master Electrical Component List
Transfer Case Description and Operation
Body Control Module Programming and Setup
Shift Control Switch Inputs
Transfer Case Encoder Motor
B+ Bus - Underhood Fuse Block
Splice Pack SP105 and G105 - 1 of 2
G100, G104, G102, G103
G100, G104, G102, G103
G100, G104, G102, G103