GM Service Manual Online
For 1990-2009 cars only
Makes
🢒
Chevrolet
🢒
2007
🢒
Colorado Pickup - 2WD
🢒 Charging System
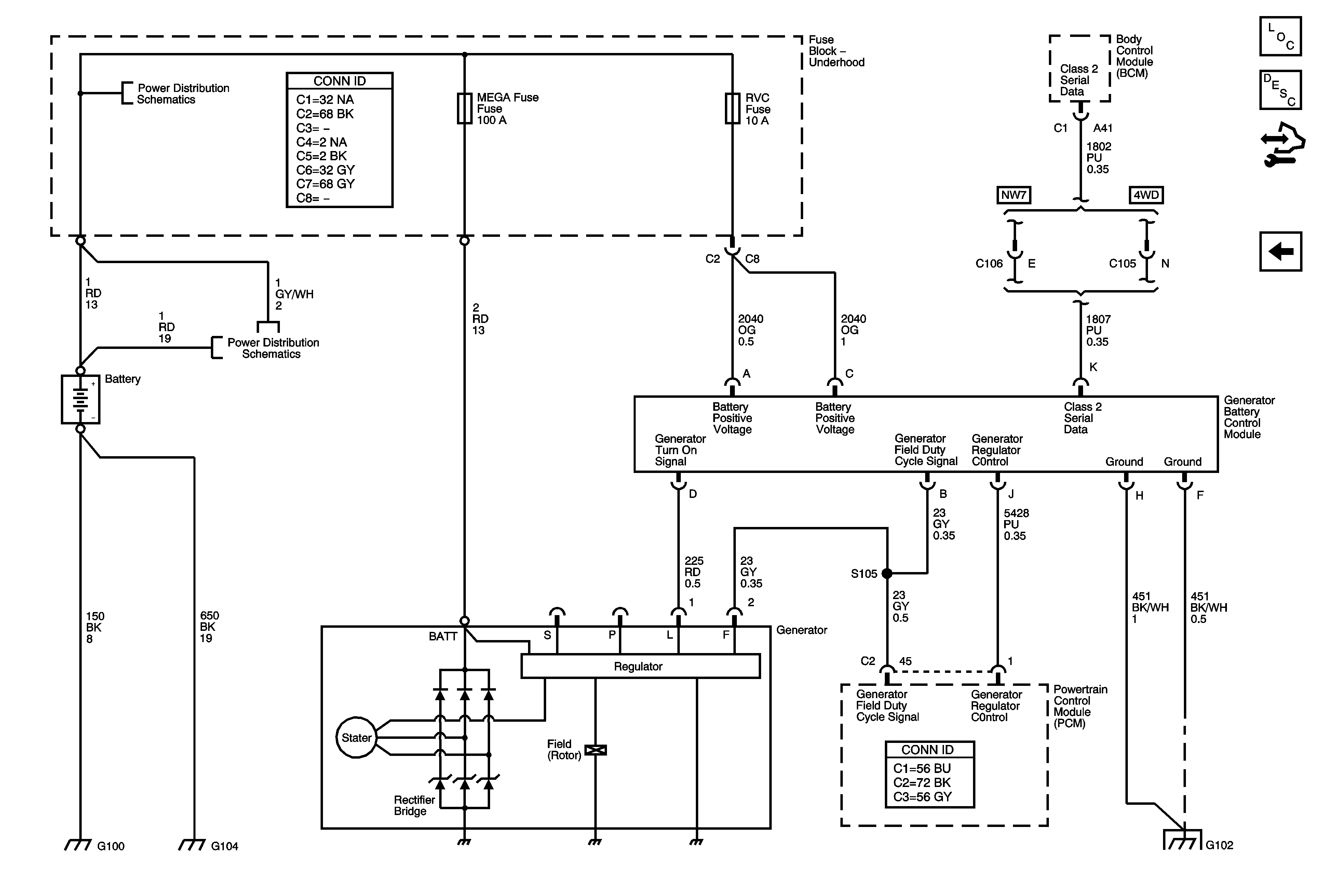
Charging System
Charging System
Master Electrical Component List
Charging System Description and Operation
Body Control Module Programming and Setup
Starting System - M30
B+ Bus - Underhood Fuse Block
B+ Bus - Underhood Fuse Block