GM Service Manual Online
For 1990-2009 cars only
Makes
🢒
Chevrolet
🢒
2007
🢒
Colorado Pickup - 2WD
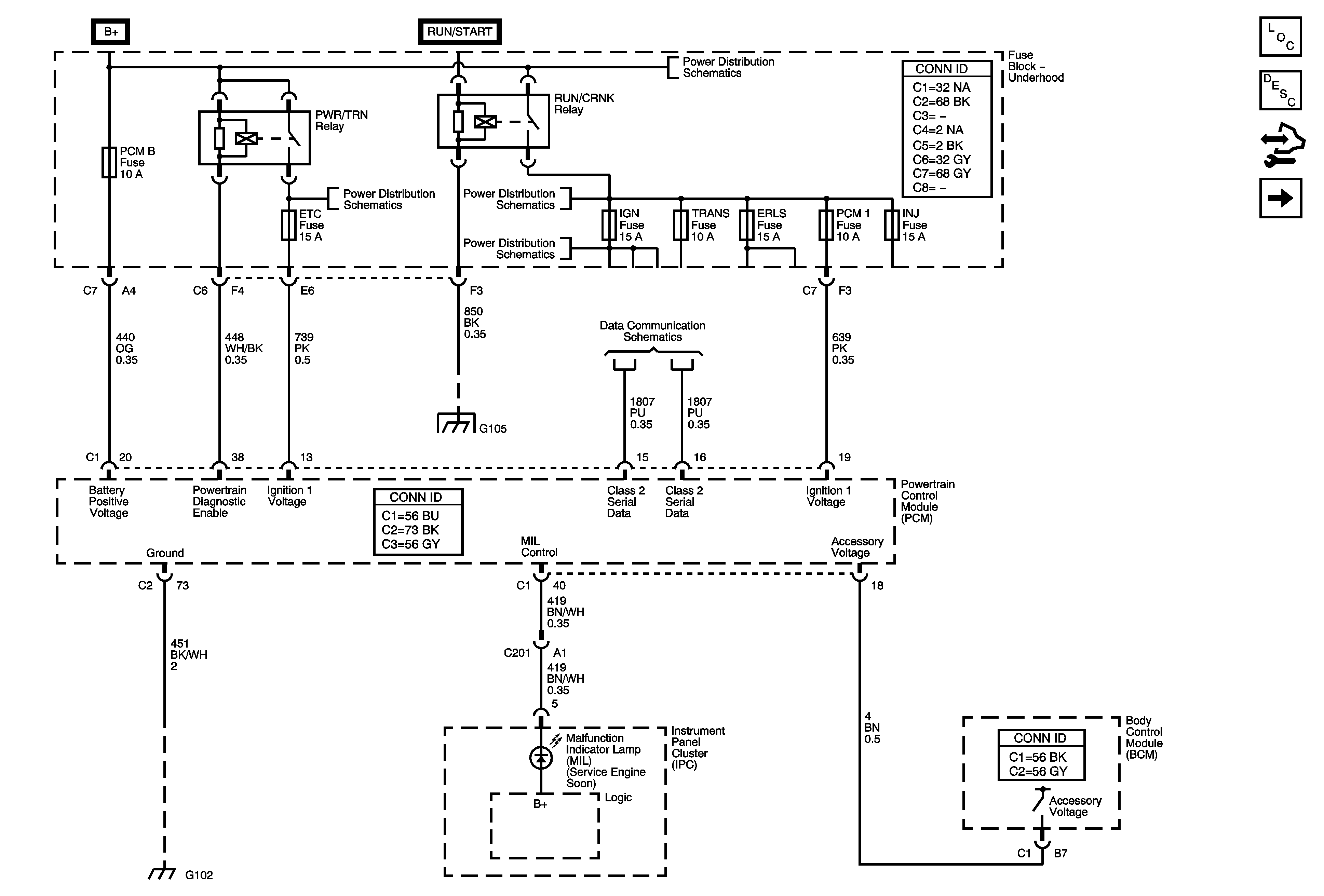
🢒 Module Power, Ground, Serial Data, and MIL
Module Power, Ground, Serial Data, and MIL
Module Power, Ground, Serial Data, and MIL
Master Electrical Component List
Powertrain Control Module Description
Body Control Module Programming and Setup
Engine Data Sensors - 5-Volt and Low Reference
Engine Controls Schematic Icons
B+ Bus - Underhood Fuse Block
B+ Bus - Underhood Fuse Block
RUN/CRANK RELAY BUS - 2 of 3, ABS, BACKUP, and IGN Fuses
ETC, O2 SENSOR, PWR/WINDOW, SUNROOF, and WIP/WASH Fuses
Data Communication Schematics
Splice Pack SP105 and G105 - 1 of 2
G100, G104, G102, G103