GM Service Manual Online
For 1990-2009 cars only
Makes
🢒
Chevrolet
🢒
2007
🢒
Colorado Pickup - 2WD
🢒 Ignition Controls - Ignition System
Ignition Controls - Ignition System
Ignition Controls - Ignition System
Master Electrical Component List
Powertrain Control Module Description
Body Control Module Programming and Setup
Fuel Controls - Fuel Pump Controls
Engine Data Sensors - Injection Timing Controls
Engine Controls Schematic Icons
Power, Ground, Serial Data, and MIL
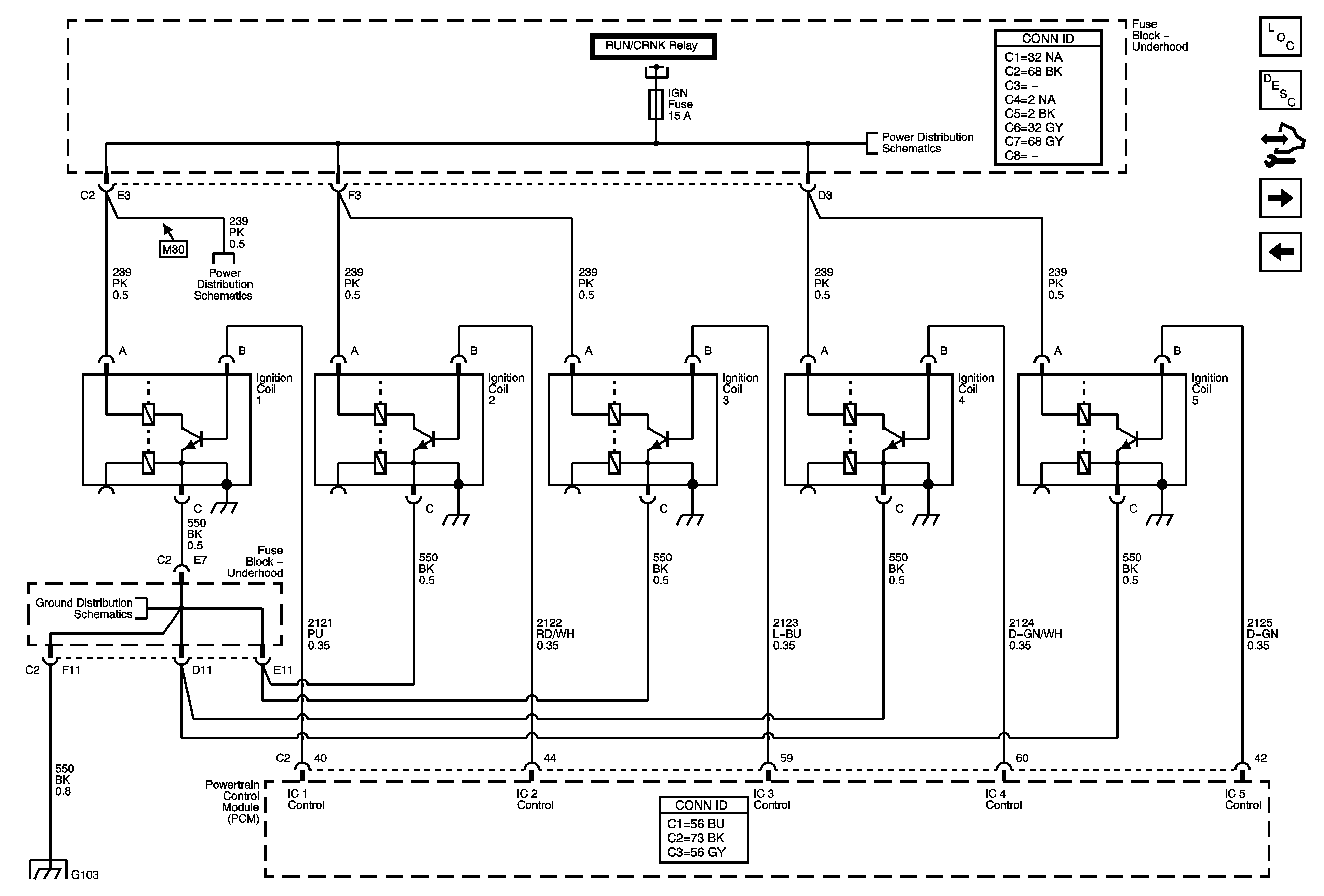
RUN/CRANK RELAY BUS - 2 of 3, ABS, BACKUP, and IGN Fuses
RUN/CRANK RELAY BUS - 2 of 3, ABS, BACKUP, and IGN Fuses
G100, G104, G102, G103
G100, G104, G102, G103