GM Service Manual Online
For 1990-2009 cars only
Makes
🢒
Chevrolet
🢒
2007
🢒
Colorado Pickup - 2WD
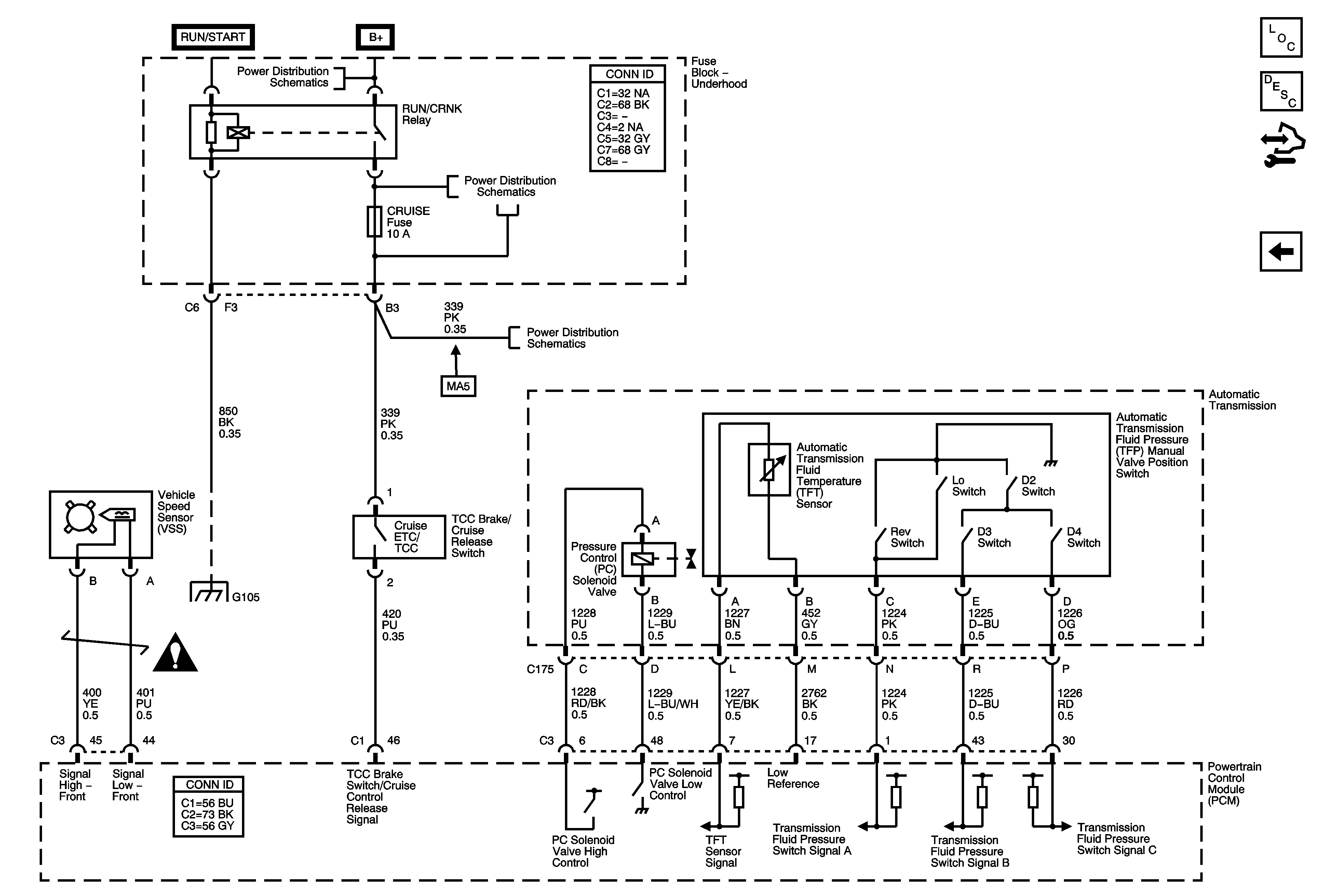
🢒 TCC Brake/Cruise Release Switch and Vehicle Speed Sensor
TCC Brake/Cruise Release Switch and Vehicle Speed Sensor
TCC Brake/Cruise Release Switch and Vehicle Speed Sensor
Master Electrical Component List
Transmission Component and System Description
Body Control Module Programming and Setup
Switches and VSS
B+ Bus - Underhood Fuse Block
RUN/CRANK RELAY BUS - 1 of 3, CRUISE, SIR, and TRANS Fuses
RUN/CRANK RELAY BUS - 1 of 3, CRUISE, SIR, and TRANS Fuses
Splice Pack SP105 and G105 - 1 of 2
Automatic Transmission Schematic Icons