GM Service Manual Online
For 1990-2009 cars only
Makes
🢒
Chevrolet
🢒
2007
🢒
Colorado Pickup - 2WD
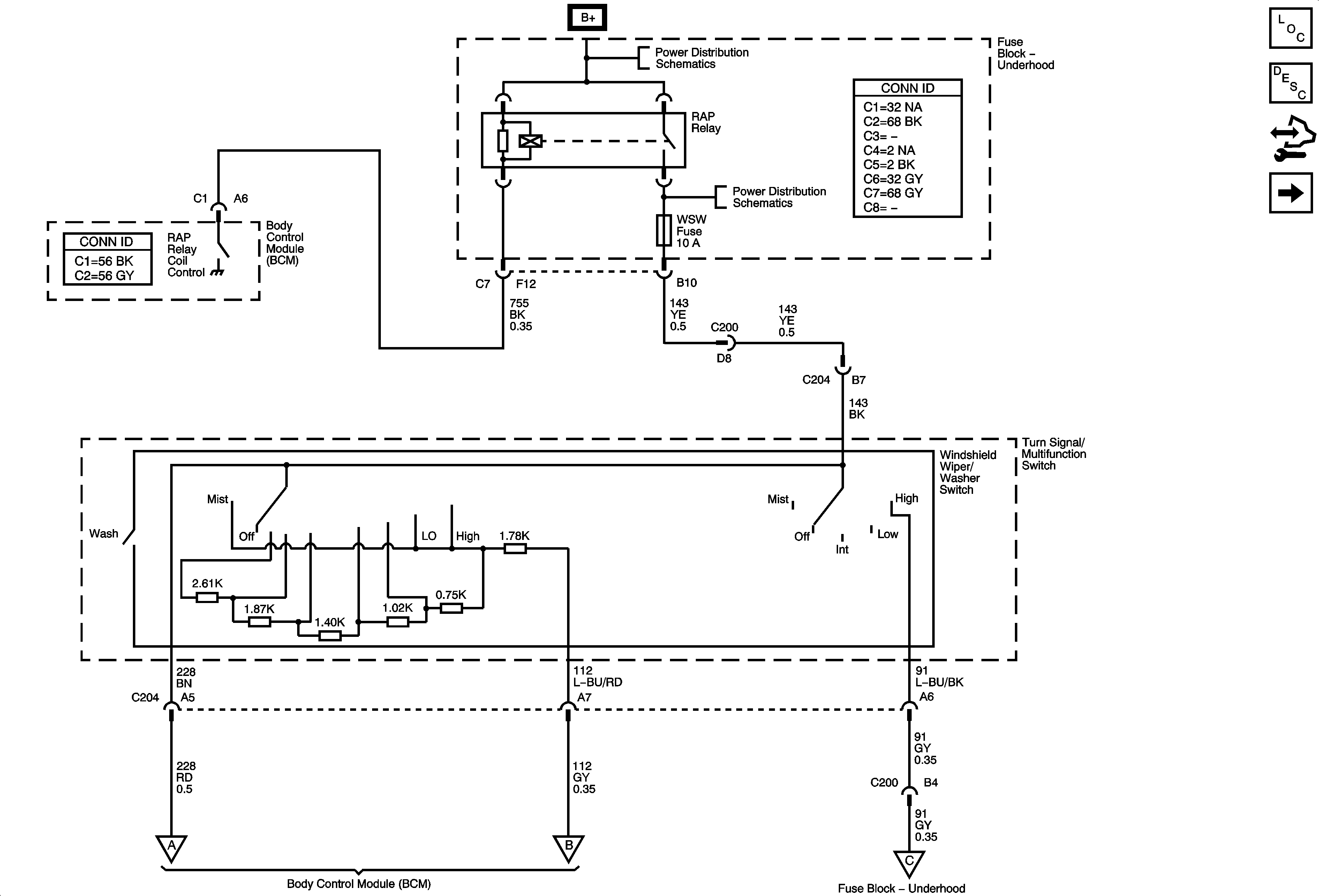
🢒 Windshield Washer Switch
Windshield Washer Switch
Windshield Washer Switch
Master Electrical Component List
Wiper/Washer System Description and Operation
Body Control Module Programming and Setup
Windshield Wiper Motor and Windshield Washer Fluid Pump
B+ Bus - Underhood Fuse Block
ETC, O2 SENSOR, PWR/WINDOW, SUNROOF, and WIP/WASH Fuses
Windshield Wiper Motor and Windshield Washer Fluid Pump
Windshield Wiper Motor and Windshield Washer Fluid Pump