GM Service Manual Online
For 1990-2009 cars only
Makes
🢒
Chevrolet
🢒
2007
🢒
Colorado Pickup - 2WD
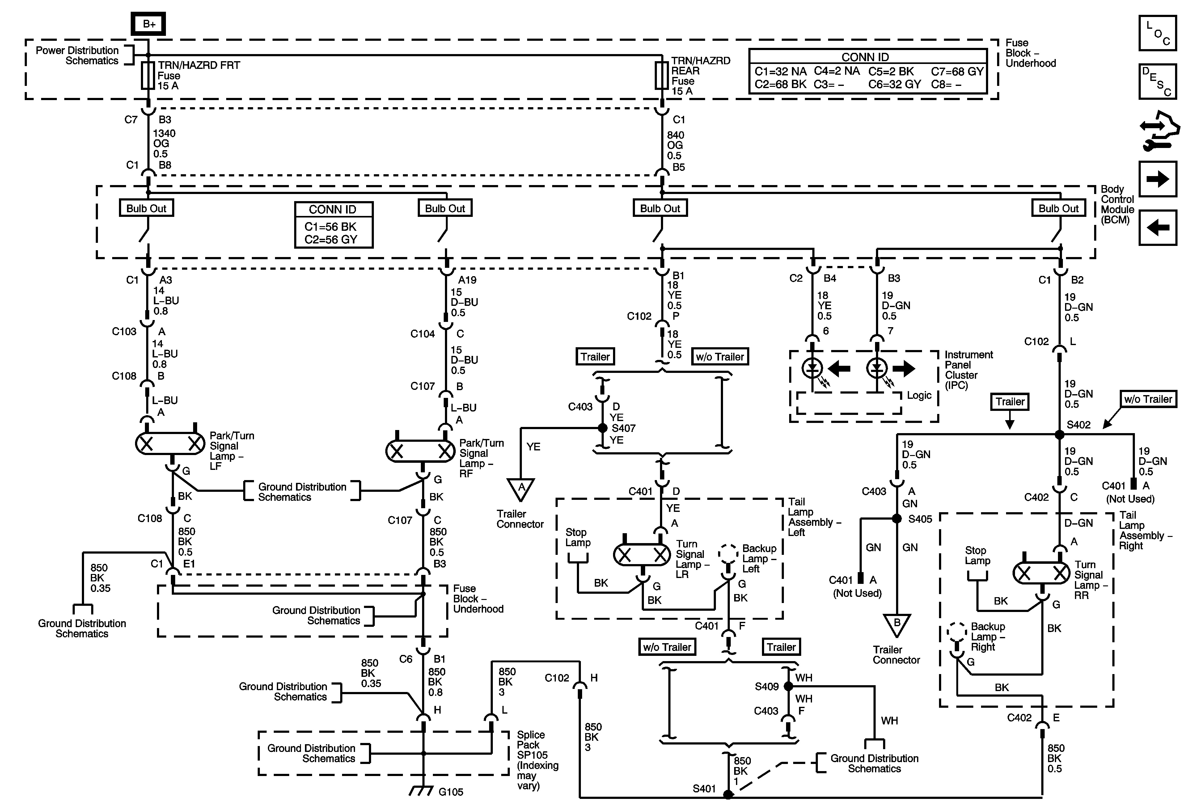
🢒 Turn Signal Lamps
Turn Signal Lamps
Turn Signal Lamps
Master Electrical Component List
Exterior Lighting Systems Description and Operation
Body Control Module Programming and Setup
Park Lamps
Park Lamp Control, Turn Signal Inputs, and Hazard Switch
B+ Bus - Underhood Fuse Block
Splice Pack SP105 and G105 - 2 of 2
Splice Pack SP105 and G105 - 2 of 2
Splice Pack SP105 and G105 - 2 of 2
Splice Pack SP105 and G105 - 2 of 2
Splice Pack SP105 and G105 - 1 of 2
Splice Pack SP105 and G105 - 2 of 2