GM Service Manual Online
For 1990-2009 cars only
Makes
🢒
Chevrolet
🢒
2007
🢒
Colorado Pickup - 2WD
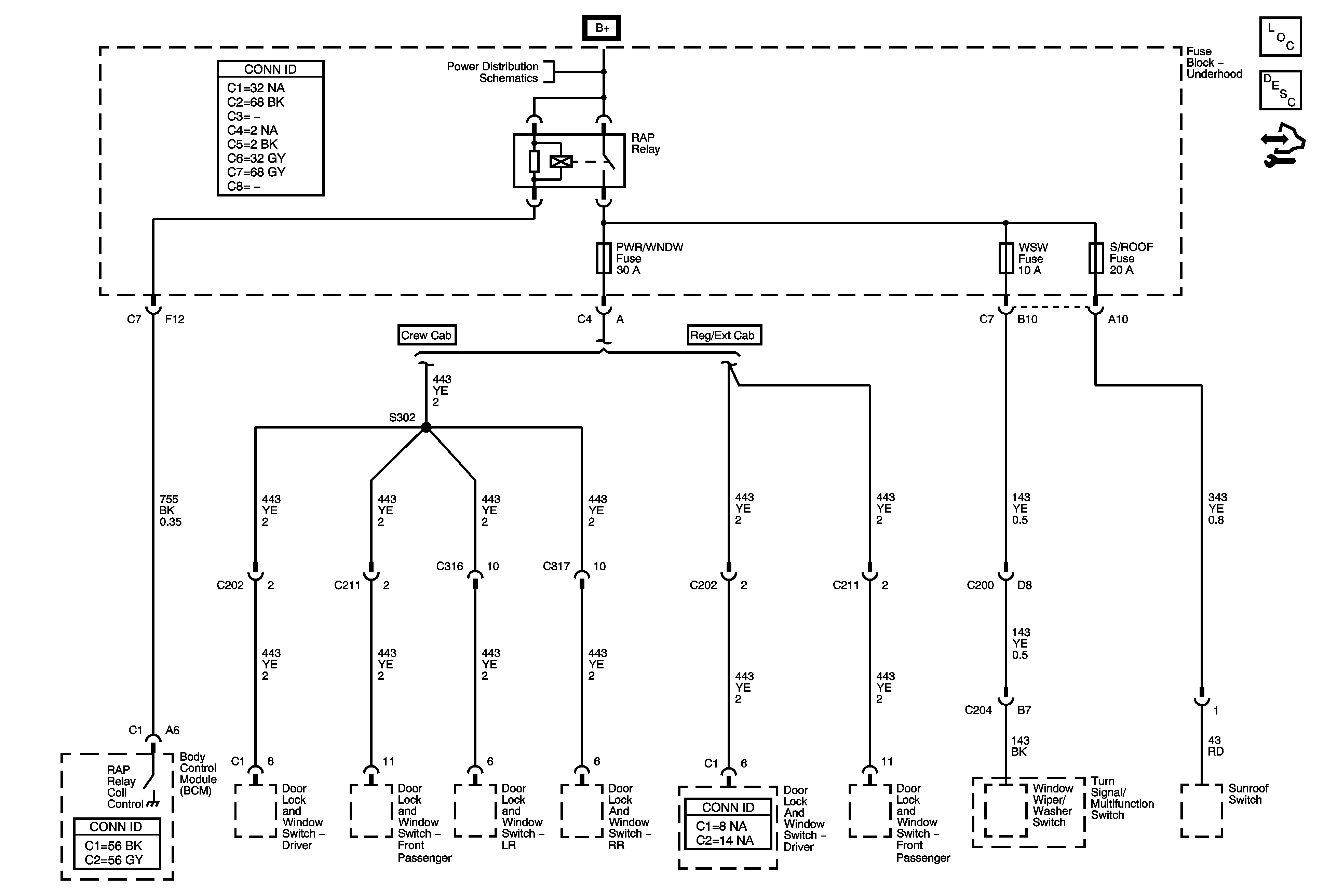
🢒 Power Moding Schematics
Power Moding Schematics
Master Electrical Component List
Retained Accessory Power (RAP) Description and Operation
Body Control Module Programming and Setup
B+ Bus - Underhood Fuse Block