GM Service Manual Online
For 1990-2009 cars only
Makes
🢒
Chevrolet
🢒
2007
🢒
Colorado Pickup - 2WD
🢒 Device Controls - K18
Device Controls - K18
Device Controls- K18
Master Electrical Component List
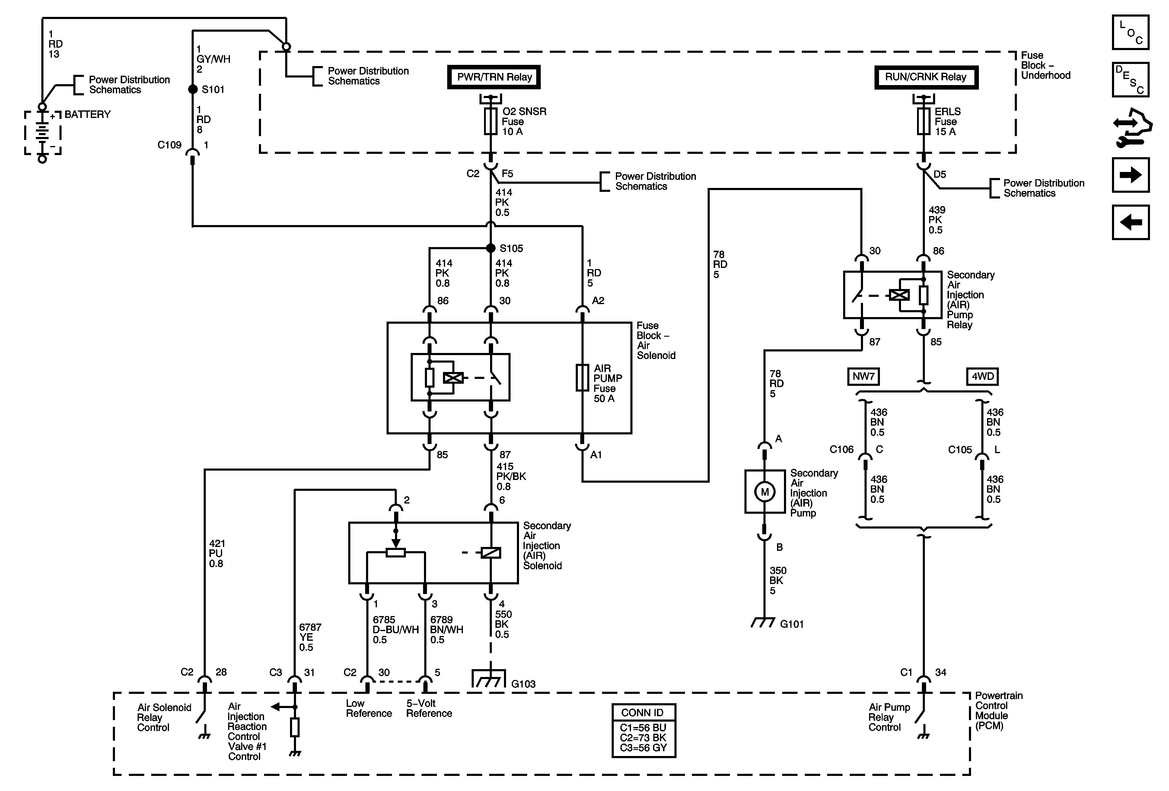
Secondary Air Injection System Description
Body Control Module Programming and Setup
Controlled/Monitored Subsystem and Transmission References
Fuel Controls - EVAP Controls
B+ Bus - Underhood Fuse Block
B+ Bus - Underhood Fuse Block
Power, Ground, Serial Data, and MIL
ETC, O2 SENSOR, PWR/WINDOW, SUNROOF, and WIP/WASH Fuses
Power, Ground, Serial Data, and MIL
RUN/CRANK RELAY BUS - 3 of 3, ERLS, FRT AX, INJECTOR, and PCM I Fuses