GM Service Manual Online
For 1990-2009 cars only
Makes
🢒
Chevrolet
🢒
2007
🢒
Colorado Pickup - 2WD
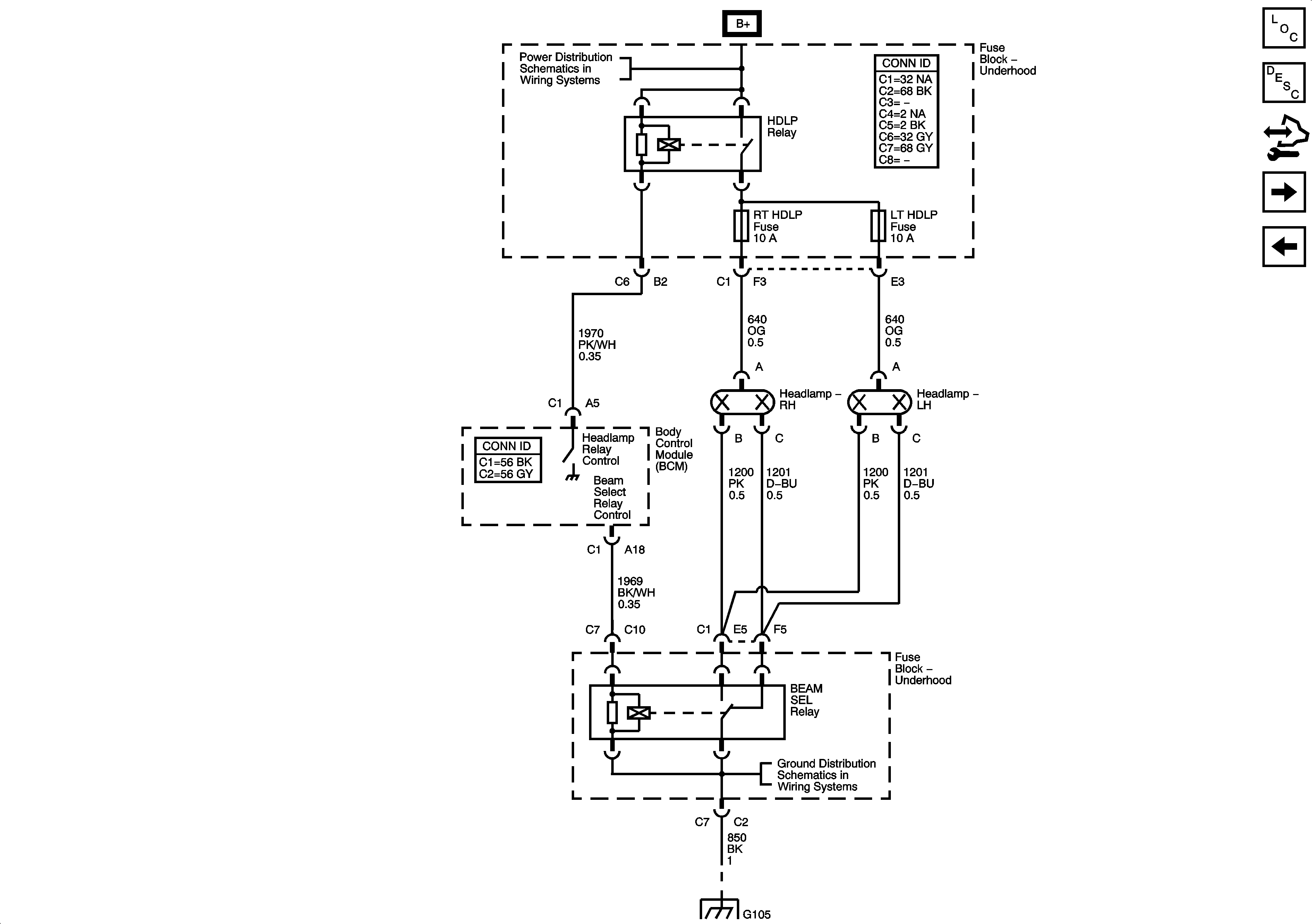
🢒 Headlamp Schematic w/o TT5 (Early Production)
Headlamp Schematic w/o TT5 (Early Production)
Headlamp Schematics w/o TT5 (Early Production)
Master Electrical Component List
Exterior Lighting Systems Description and Operation
Body Control Module (BCM) Programming/RPO Configuration
DRL Schematic (Early Production)
Headlamp Schematic w/TT5 (Early Production)
B+ Bus - Underhood Fuse Block
Splice Pack SP1`05 and G105 - 1 of 2
Splice Pack SP1`05 and G105 - 1 of 2