GM Service Manual Online
For 1990-2009 cars only
Makes
🢒
Chevrolet
🢒
2008
🢒
Colorado Pickup - 2WD
🢒
Diagnostic Navigation
🢒
Vehicle Diagnostic Information
🢒 Door Lock/Indicator Schematics
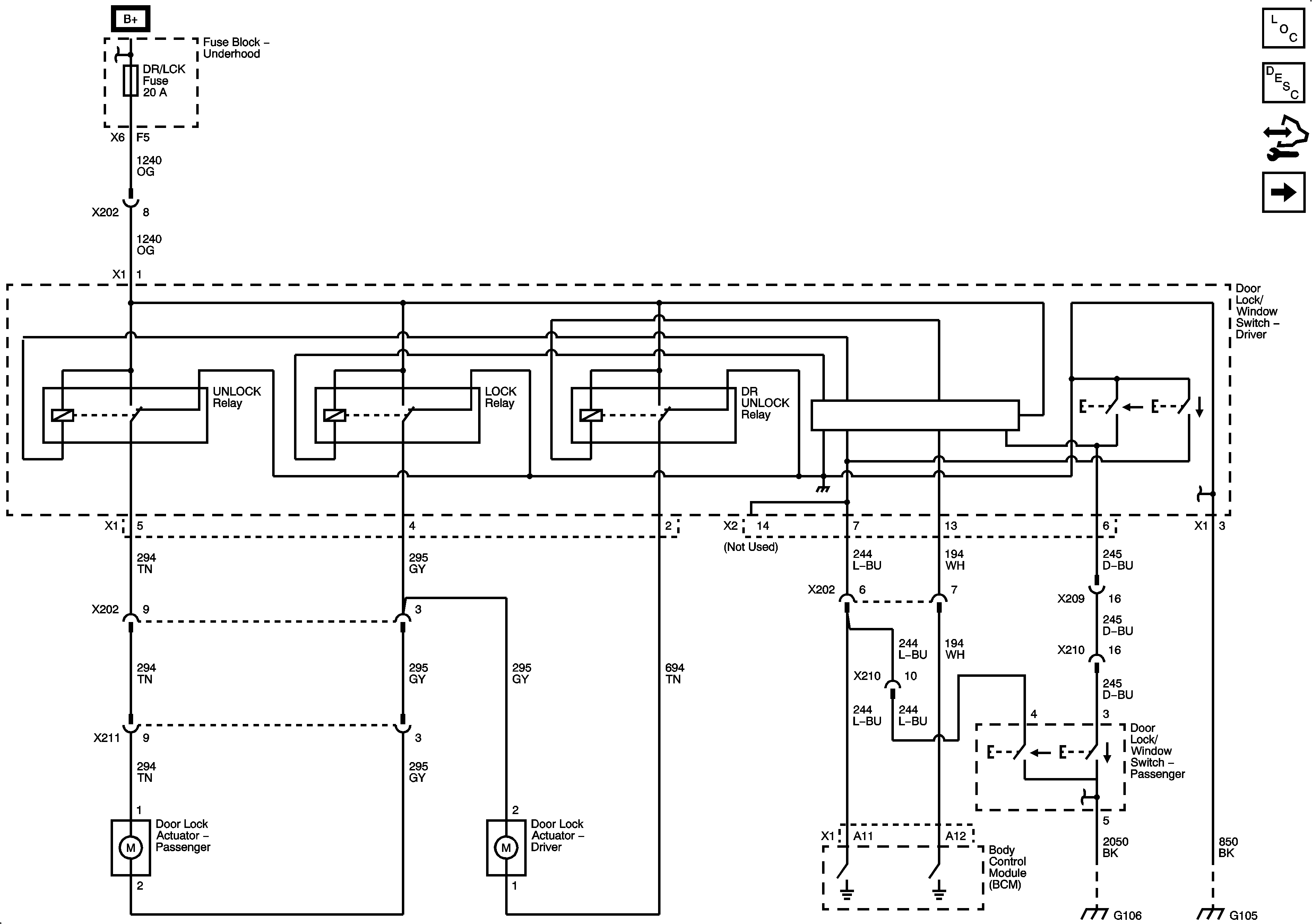
Figure
1:
Except Crew Cab
Master Electrical Component List
Power Door Locks Description and Operation
Control Module References
Crew Cab - 1 of 2
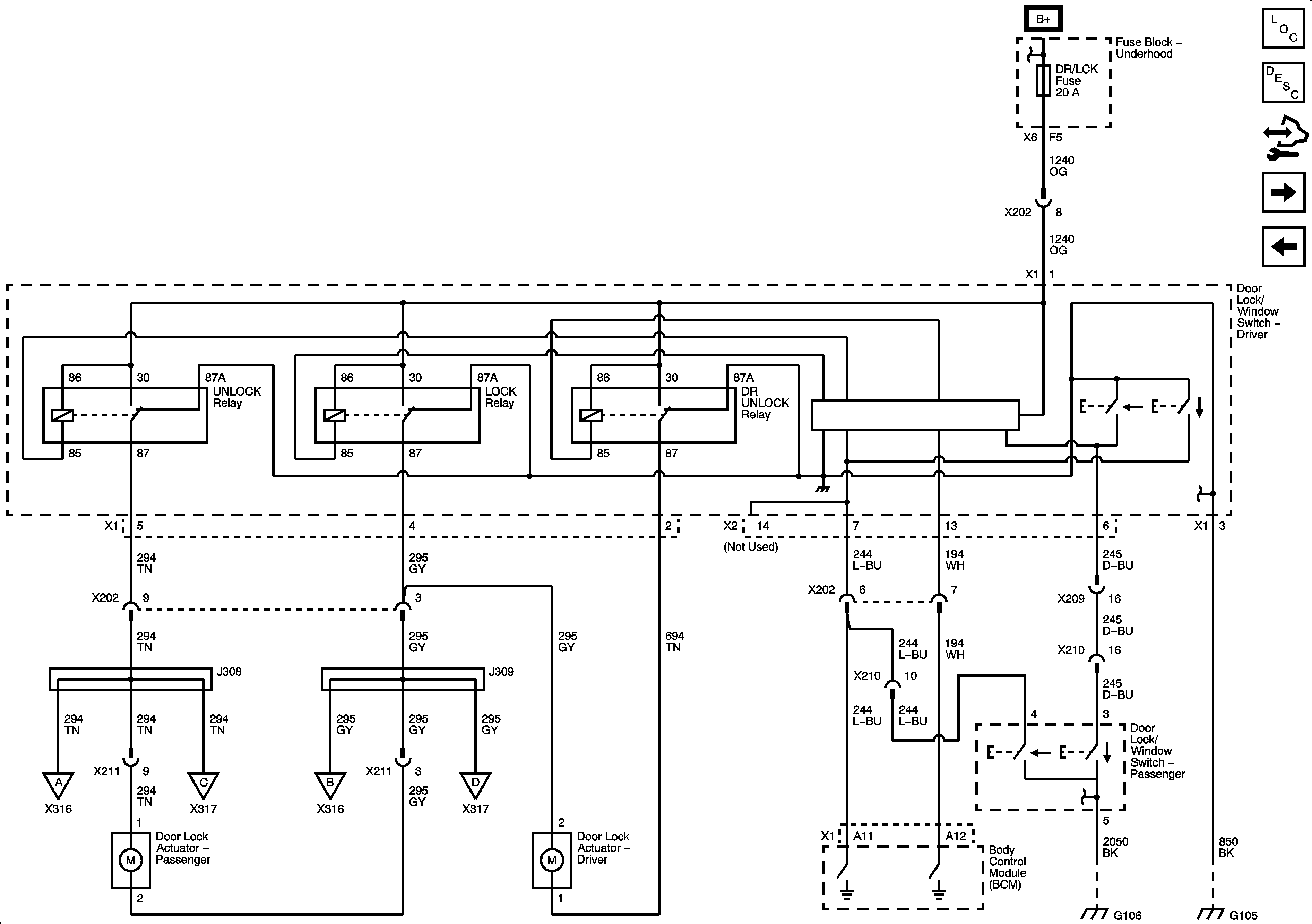
Figure
2:
Crew Cab - 1 of 2
Master Electrical Component List
Power Door Locks Description and Operation
Control Module References
Crew Cab - 2 of 2
Except Crew Cab
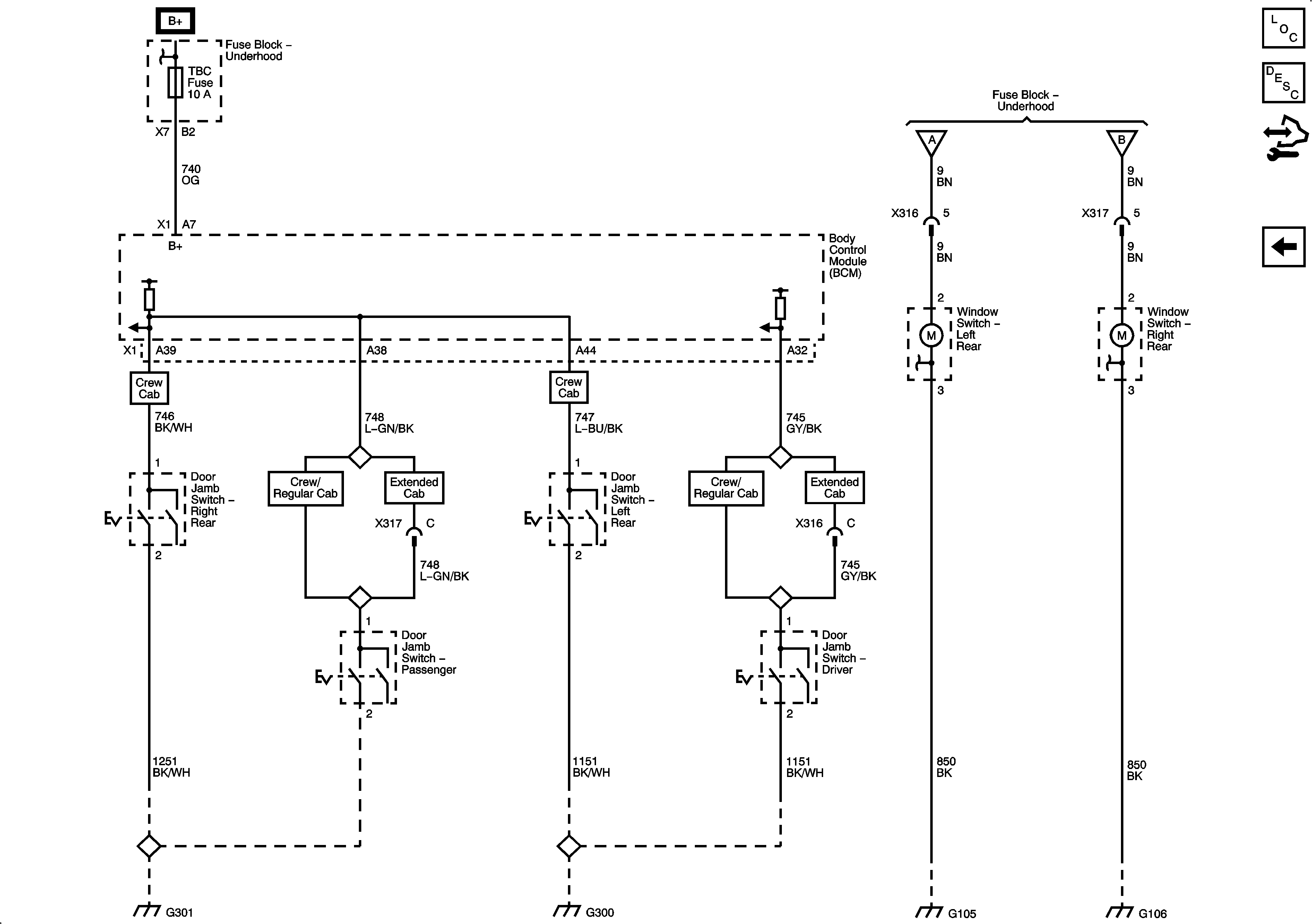
Figure
3:
Crew Cab - 2 of 2
Master Electrical Component List
Power Door Locks Description and Operation
Control Module References
Crew Cab - 1 of 2
Figure
4:
Door Ajar Switches
Master Electrical Component List
Interior Lighting Systems Description and Operation
Control Module References
Courtesy Lamps - 2 of 2