GM Service Manual Online
For 1990-2009 cars only

Vent Hose Replacement 2WD

Removal Procedure

  1. Raise and support the vehicle. Refer to Lifting and Jacking the Vehicle .

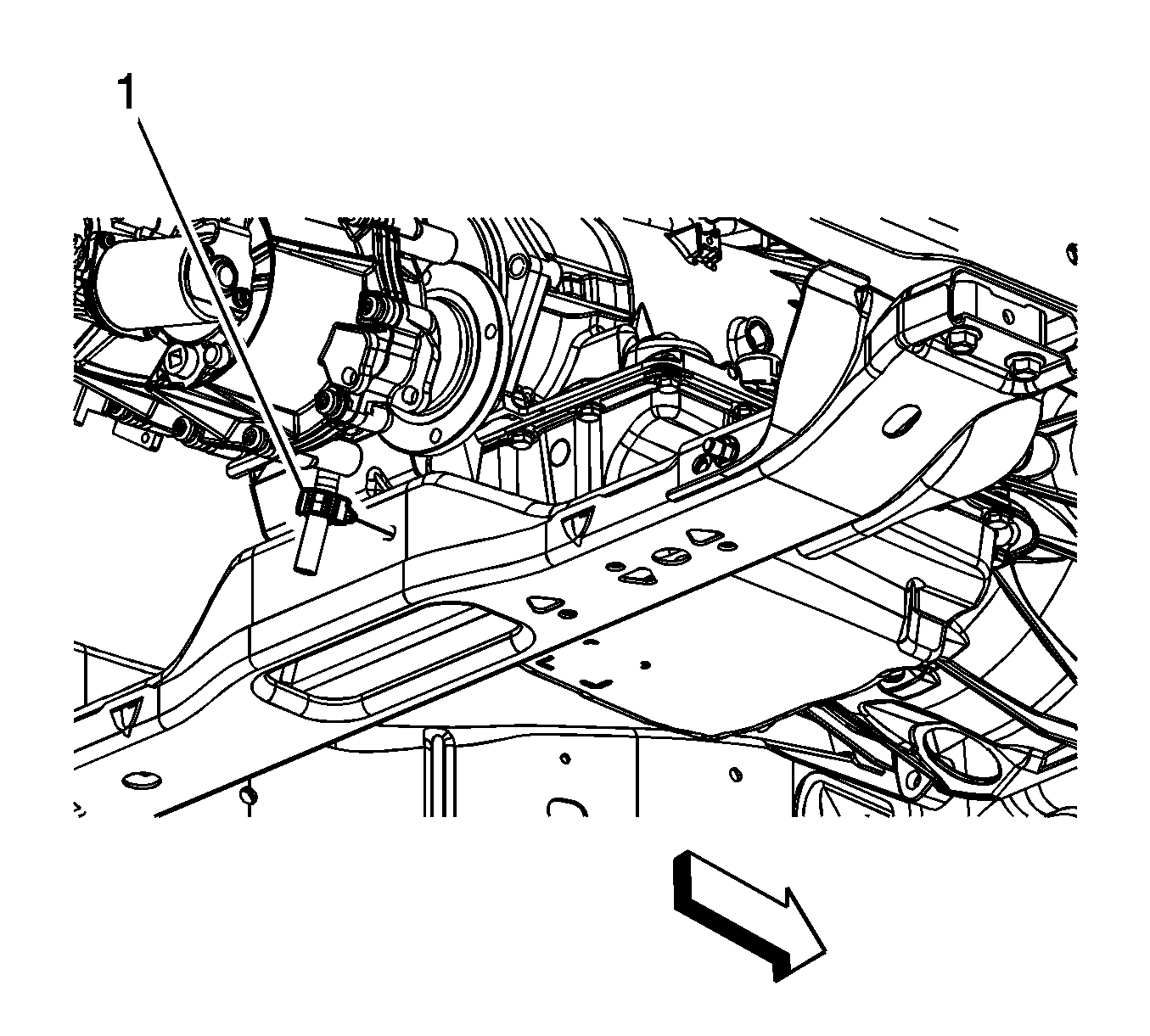
  2. Object Number: 2007888  Size: SH

    Important: Make a note of the hose routing in order to aid during reassembly.

  3. Disconnect the transmission vent hose retainer (1) from the transmission support.

  4. Object Number: 2007886  Size: SH
  5. Disconnect the transmission vent hose retainer (1) from the transmission tail housing bracket.

  6. Object Number: 2007884  Size: SH
  7. Disconnect the transmission vent hose retainer (1) from the transmission housing.
  8. Remove the transmission vent hose (2) from the vent pipe.

Installation Procedure


    Object Number: 2007884  Size: SH

    Important: 

       • Ensure the vent is not plugged.
       • Route the vent hose the same way as removed.
       • Ensure the vent hose is free of kinks and is routed clear of sharp objects.

  1. Connect the transmission vent hose (2) to the vent pipe.
  2. Connect the transmission vent hose retainer (1) to the transmission housing.

  3. Object Number: 2007886  Size: SH
  4. Connect the transmission vent hose retainer (1) to the transmission tail housing bracket.

  5. Object Number: 2007888  Size: SH
  6. Connect the transmission vent hose retainer (1) to the transmission support.
  7. Lower the vehicle.

Vent Hose Replacement 4WD

Removal Procedure

  1. Raise and support the vehicle. Refer to Lifting and Jacking the Vehicle .
  2. Important: Make a note of the routing in order to aid during reassembly.


    Object Number: 1302098  Size: SH
  3. Disconnect the transmission vent hose retainer (1, 6) from the following:
  4. • The heater pipe bracket (2)
    • The transmission range selector cable bracket (5)
  5. Disconnect the transmission vent hose (3) from the transmission vent tube (4).
  6. Remove the transmission vent hose (3).

Installation Procedure


    Object Number: 1302098  Size: SH

    Important: 

       • Ensure the vent is not plugged.
       • Route the vent hose the same way as removed.
       • Ensure the vent hose is free of kinks and is routed clear of sharp objects.

  1. Connect the transmission vent hose (3) to the transmission vent tube (4).
  2. Connect the transmission vent hose retainer (1, 6) to the following:
  3. • The heater pipe bracket (2)
    • The transmission range selector cable bracket (5)
  4. Lower the vehicle.