GM Service Manual Online
For 1990-2009 cars only
Figure 1:

G100, G101, G102, G103, and G104


Object Number: 1906864  Size: FS
Master Electrical Component List
Control Module References
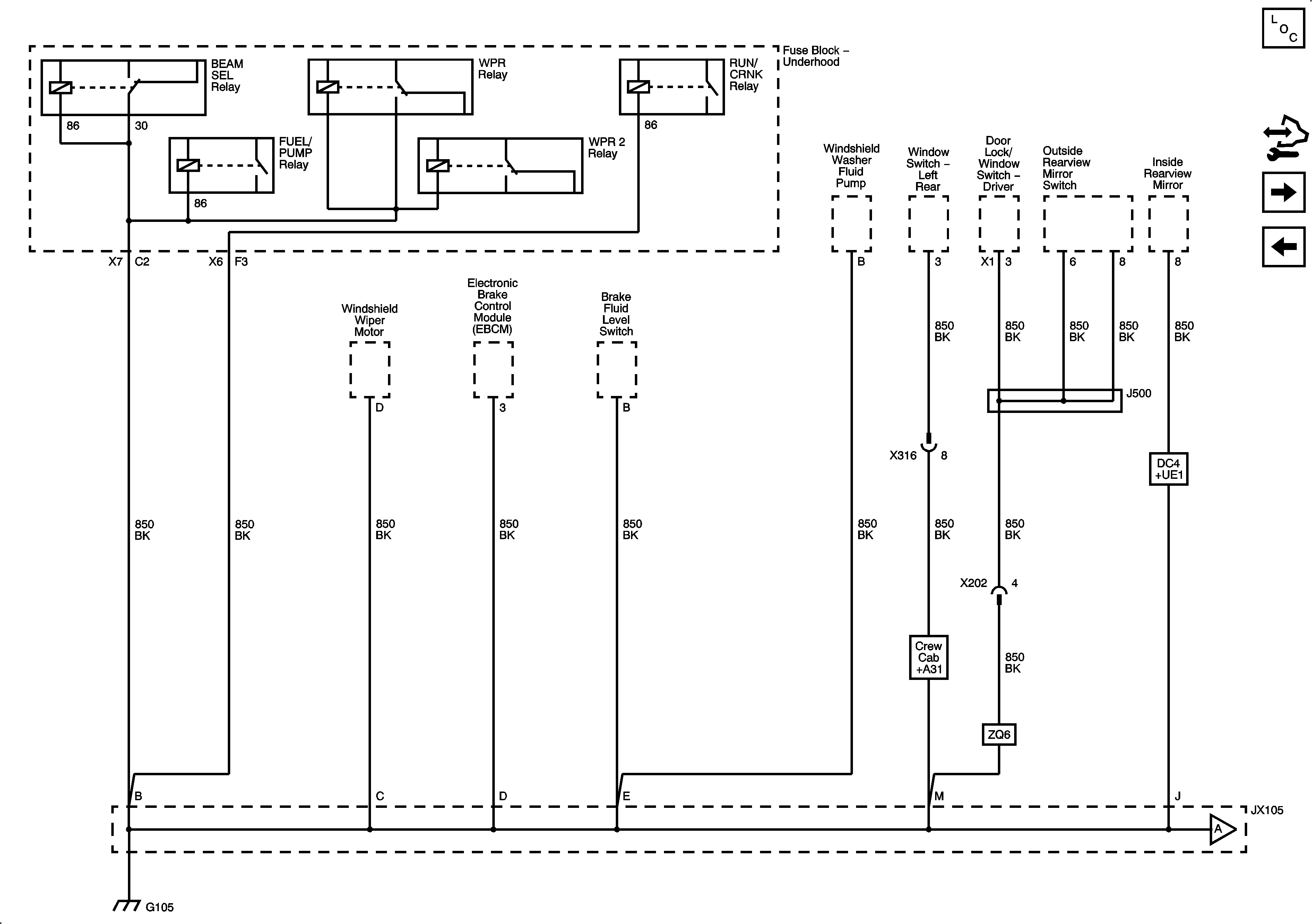
G105 - 1 of 2
Figure 2:

G105 - 1 of 2


Object Number: 1906905  Size: FS
Master Electrical Component List
Control Module References
G105 - 2 of 2
G100, G101, G102, G103, and G104
Figure 3:

G105 - 2 of 2


Object Number: 1906924  Size: FS
Master Electrical Component List
Control Module References
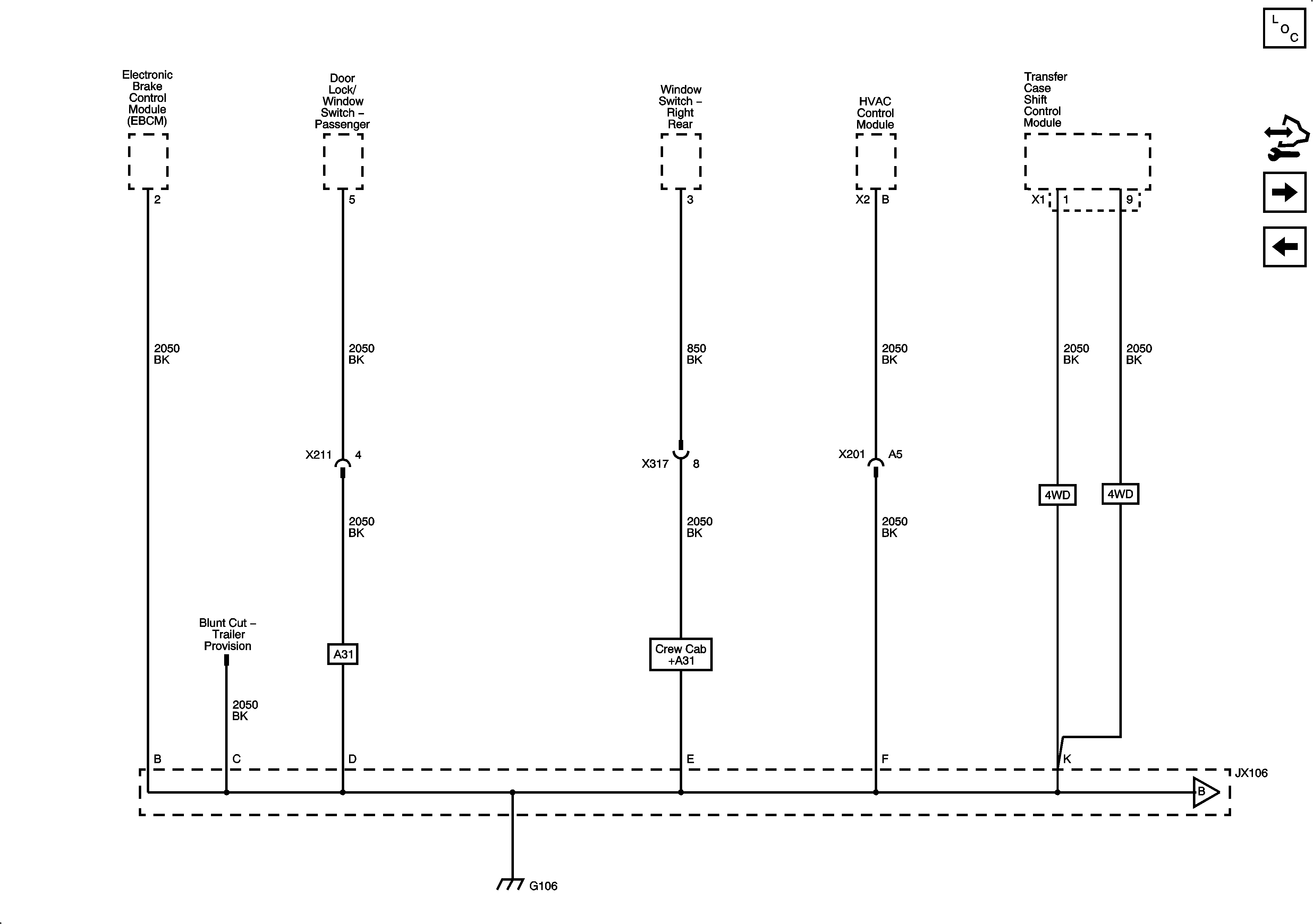
G106 - 1 of 2
G105 - 1 of 2
Figure 4:

G106 - 1 of 2


Object Number: 1906926  Size: FS
Master Electrical Component List
Control Module References
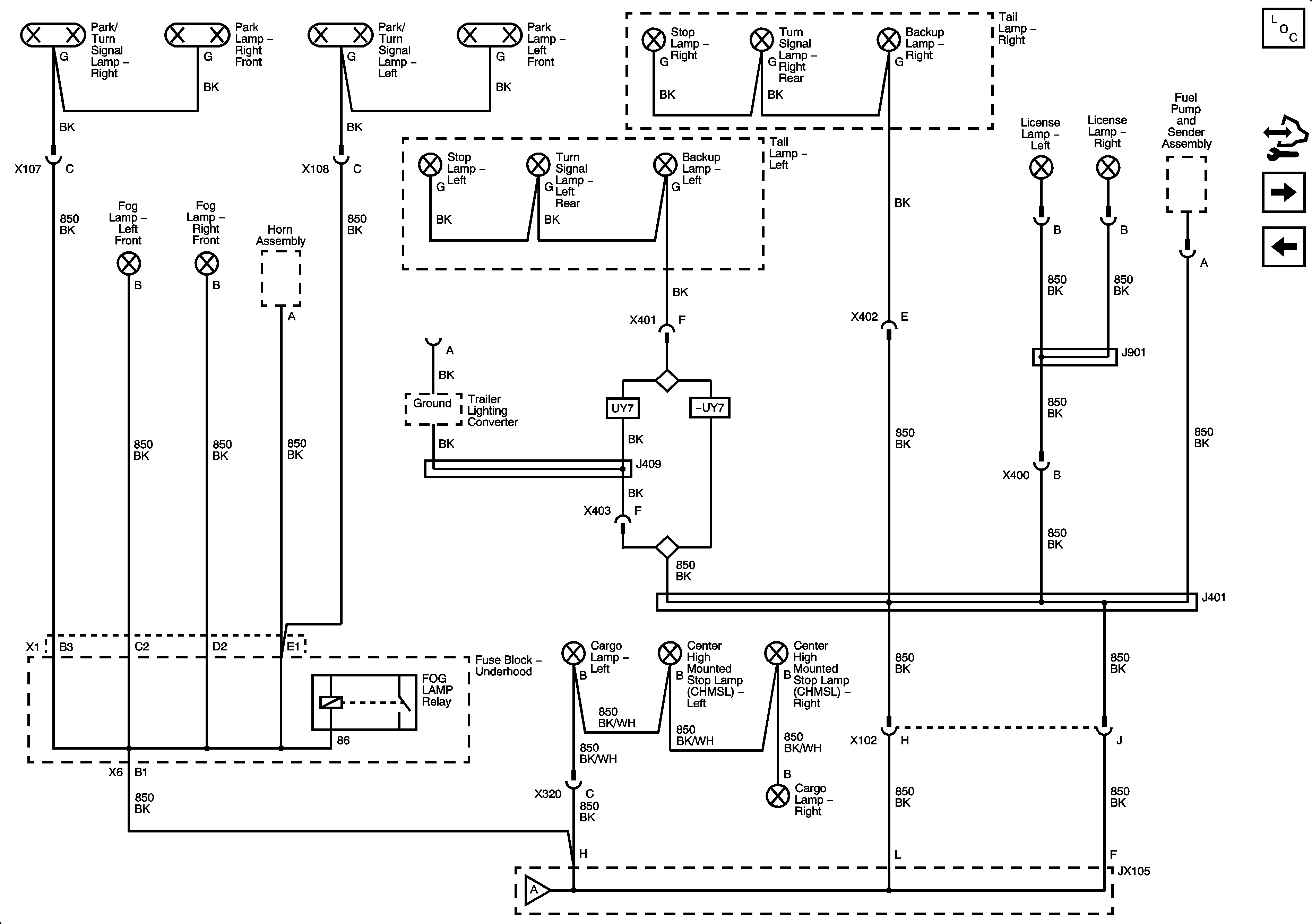
G106 - 2 of 2
G105 - 2 of 2
Figure 5:

G106 - 2 of 2


Object Number: 1906929  Size: FS
Master Electrical Component List
Control Module References
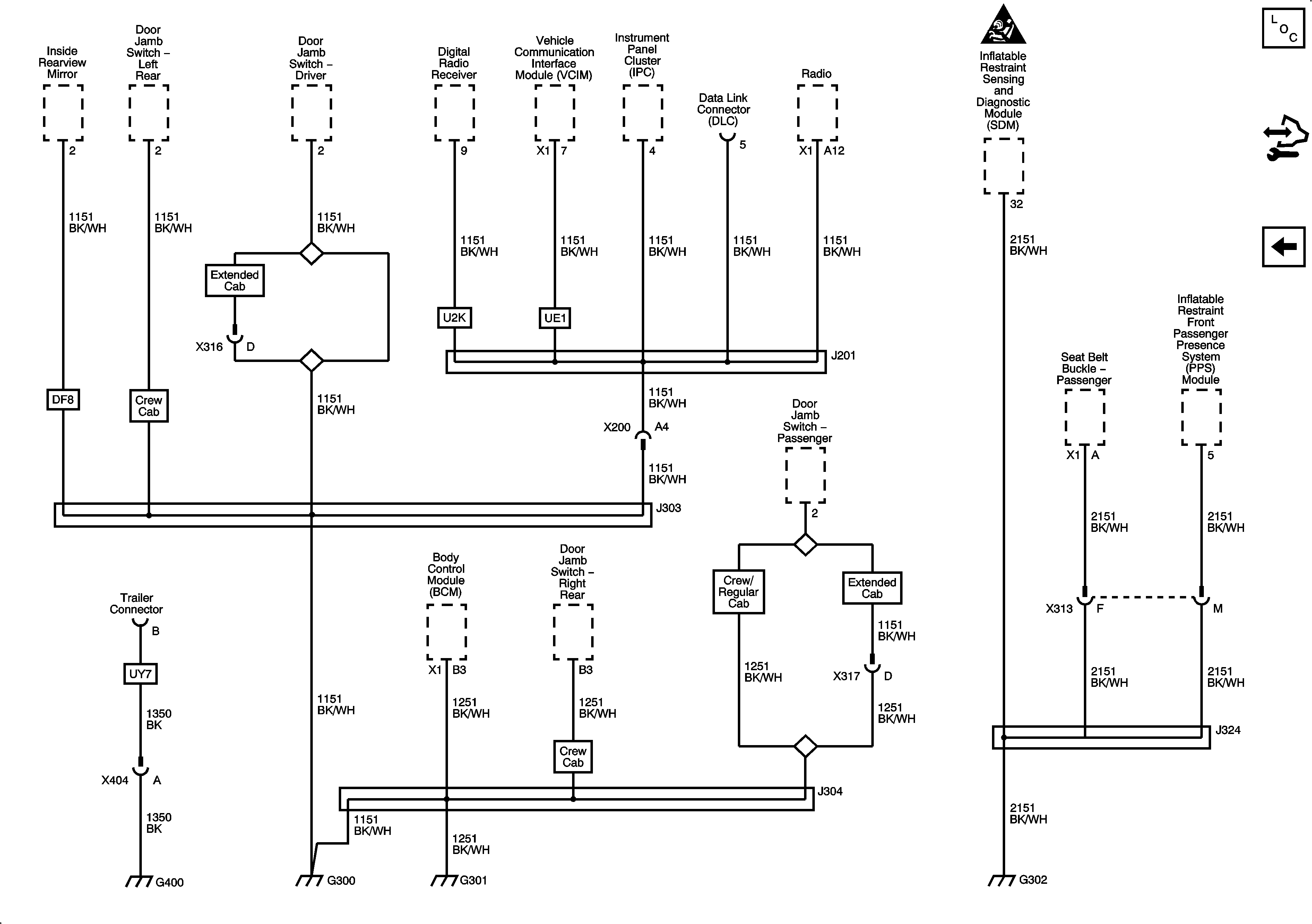
G300, G301, and G302
G106 - 1 of 2
Figure 6:

G300, G301, and G302


Object Number: 1906931  Size: FS
Master Electrical Component List
Control Module References
G106 - 2 of 2