GM Service Manual Online
For 1990-2009 cars only
Makes
🢒
Chevrolet
🢒
2008
🢒
Colorado Pickup - 2WD
🢒
Safety and Security
🢒
Supplemental Inflatable Restraints
🢒 SIR Schematics
Figure
1:
Power, Ground, and Serial Data
Master Electrical Component List
SIR System Description and Operation
Control Module References
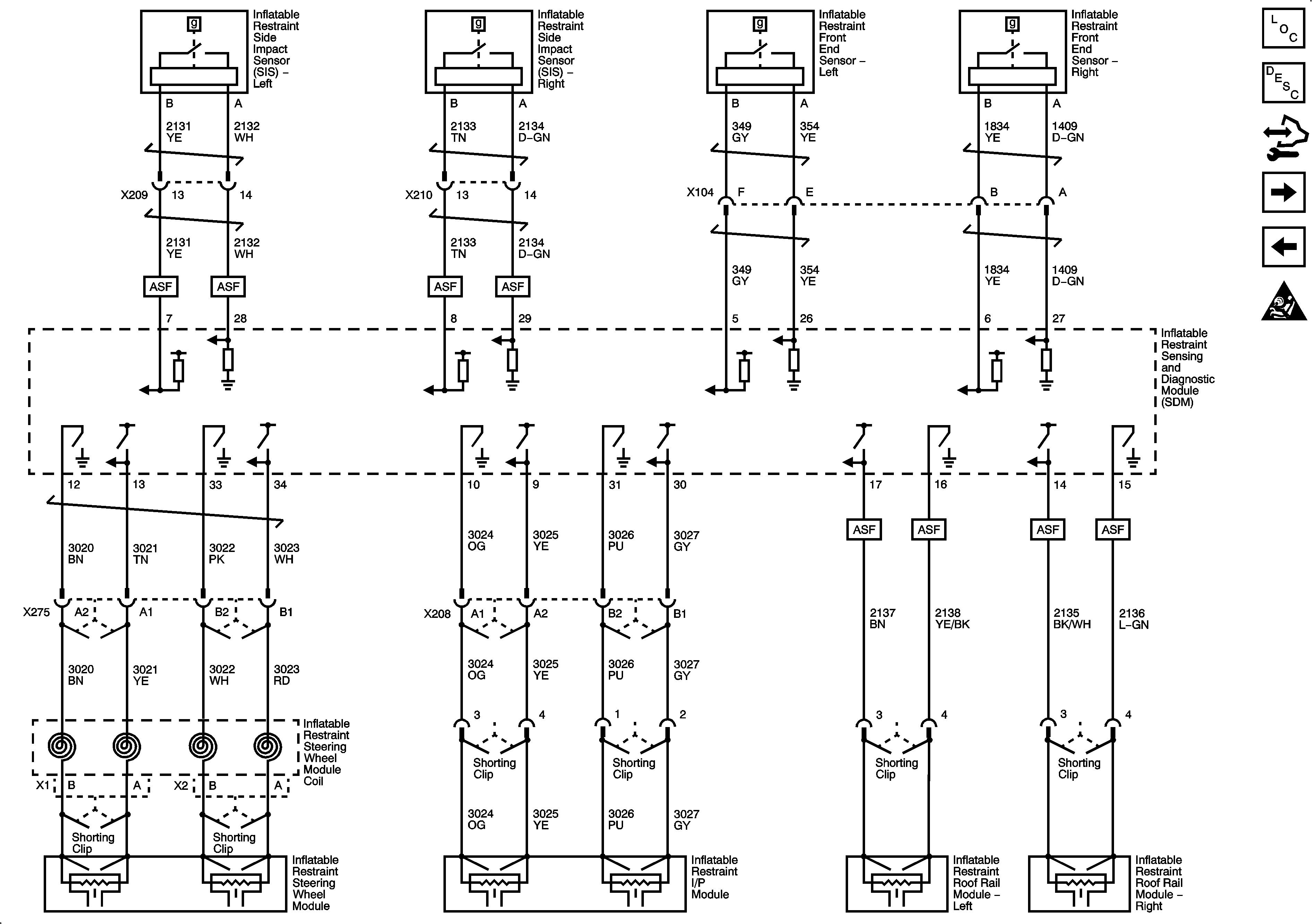
Impact Sensors and Modules
Figure
2:
Impact Sensors and Modules
Master Electrical Component List
SIR System Description and Operation
Control Module References
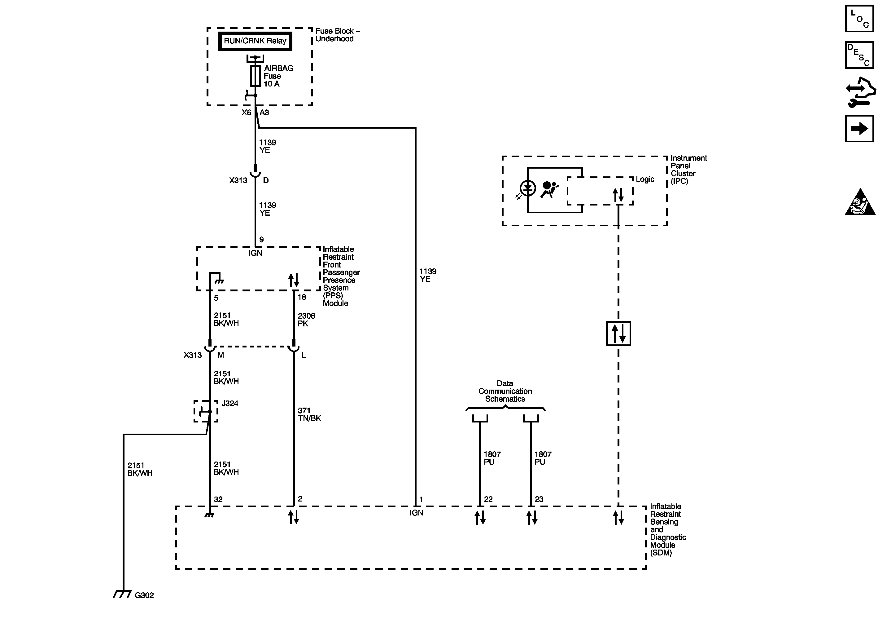
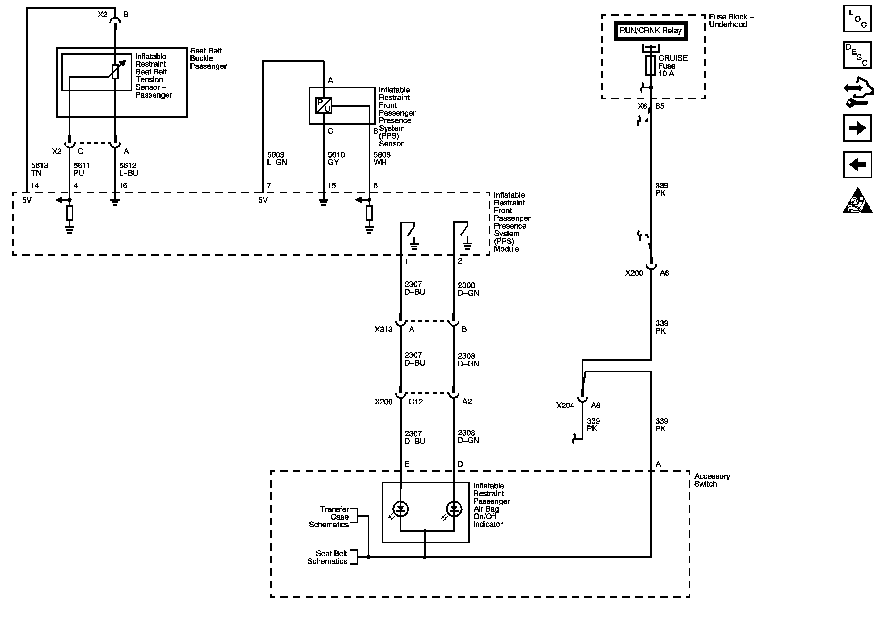
Passenger Presence
Power, Ground, and Serial Data
Figure
3:
Passenger Presence
Master Electrical Component List
SIR System Description and Operation
Control Module References
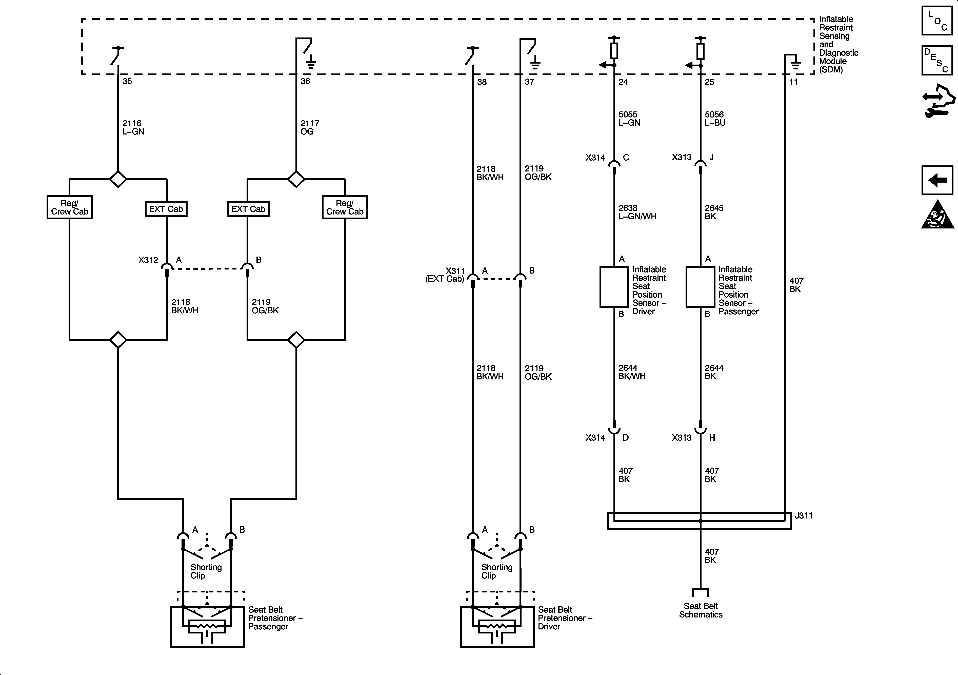
Seat Position Sensors and Seat Belt Pretensioners
Impact Sensors and Modules
Figure
4:
Seat Position Sensors and Seat Belt Pretensioners
Master Electrical Component List
SIR System Description and Operation
Control Module References
Passenger Presence