GM Service Manual Online
For 1990-2009 cars only

Tools Required

J 42640 Steering Column Anti-Rotation Pin

Removal Procedure

    Notice: Once the steering column is removed from the vehicle, the column is extremely susceptible to damage. Dropping the column assembly on the end could collapse the steering shaft or loosen the plastic injections, which maintain column rigidity. Leaning on the column assembly could cause the jacket to bend or deform. Any of the above damage could impair the columns collapsible design. Do NOT hammer on the end of the shaft, because hammering could loosen the plastic injections, which maintain column rigidity. If you need to remove the steering wheel, refer to the Steering Wheel Replacement procedure in this section.

    Notice: The front wheels of the vehicle must be maintained in the straight ahead position and the steering column must be in the LOCK position before disconnecting the steering column or intermediate shaft. Failure to follow these procedures will cause improper alignment of some components during installation and result in damage to the SIR coil assembly.

  1. Turn the steering wheel so that the front wheels are pointing straight ahead.

  2. Object Number: 333146  Size: SH
  3. Lock the steering column through the access hole in the lower steering column trim cover using anti-rotation pin J 42640 .
  4. Hoist the vehicle. Refer to Lifting and Jacking the Vehicle .

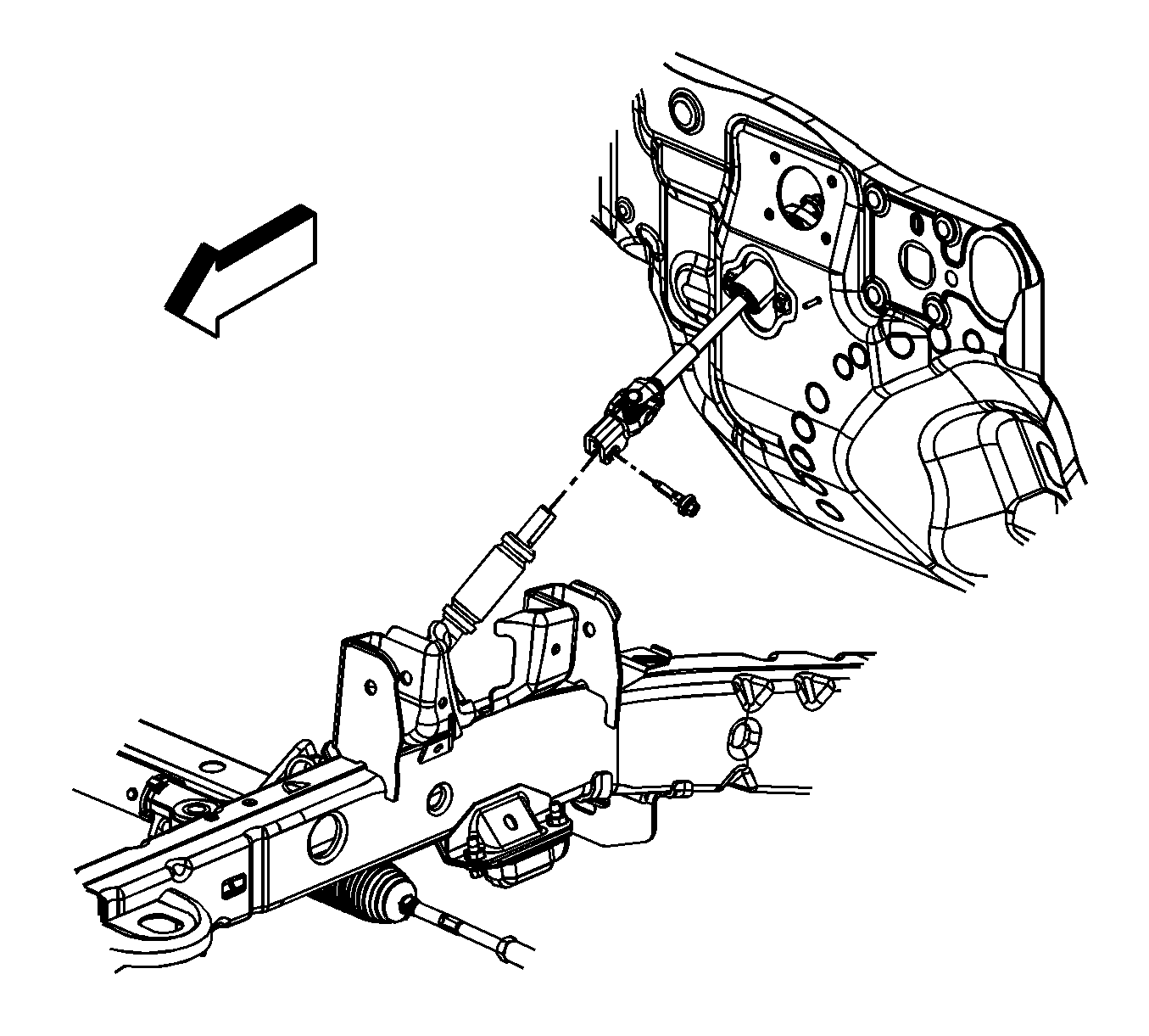
  5. Object Number: 1207224  Size: SH
  6. Remove the upper intermediate steering shaft bolt.
  7. Disconnect the upper intermediate steering shaft from the lower intermediate steering shaft.

  8. Object Number: 1207225  Size: SH
  9. Remove the lower intermediate steering shaft bolt at the steering gear.
  10. Disconnect the lower intermediate steering shaft from the steering gear.
  11. Remove the lower intermediate steering shaft from the vehicle.

Installation Procedure

  1. Install the lower intermediate steering shaft to the vehicle.
  2. Connect the lower intermediate steering shaft to the steering gear.
  3. Perform the following procedure before installing the lower intermediate steering shaft bolt:
  4. 3.1. Remove all traces of the original adhesive patch.
    3.2. Clean the threads of the bolt with denatured alcohol, or equivalent, and allow to dry.
    3.3. Apply thread locker GM P/N 12345382 (Canadian P/N 10953489) or LOCTITE® 242.

    Notice: Refer to Fastener Notice in the Preface section.


    Object Number: 1207225  Size: SH
  5. Install the lower intermediate steering shaft bolt at the steering gear.
  6. Tighten
    Tighten the bolt to 45 N·m (33 lb ft).

  7. Connect the lower intermediate steering shaft to the upper intermediate steering shaft.
  8. Important: Align the plastic insert flat to the flat on the lower intermediate steering shaft when reinstalling the lower intermediate steering shaft bolt.

  9. Perform the following procedure before installing the upper intermediate steering shaft bolt:
  10. 6.1. Remove all traces of the original adhesive patch.
    6.2. Clean the threads of the bolt with denatured alcohol, or equivalent, and allow to dry.
    6.3. Apply thread locker GM P/N 12345382 (Canadian P/N 10953489) or LOCTITE® 242.

    Object Number: 1207224  Size: SH
  11. Install the upper intermediate steering shaft bolt.
  12. Tighten
    Tighten the bolt to 23 N·m (17 lb ft).

  13. Remove anti-rotation pin J 42640 .