GM Service Manual Online
For 1990-2009 cars only

Battery Negative Cable Replacement LH8

Removal Procedure


    Object Number: 1901890  Size: SH
  1. Disconnect the negative battery cable. Refer to Battery Negative Cable Disconnection and Connection.
  2. Remove the negative battery cable clip (2) from the lower half of the battery box.
  3. Remove the negative battery cable clip (3) from the battery tray.
  4. Remove the negative battery cable integral bolt (4) from the battery tray.

  5. Object Number: 1901956  Size: SH
  6. Disconnect the engine wiring harness electrical connector (6) from the battery current sensor (5).

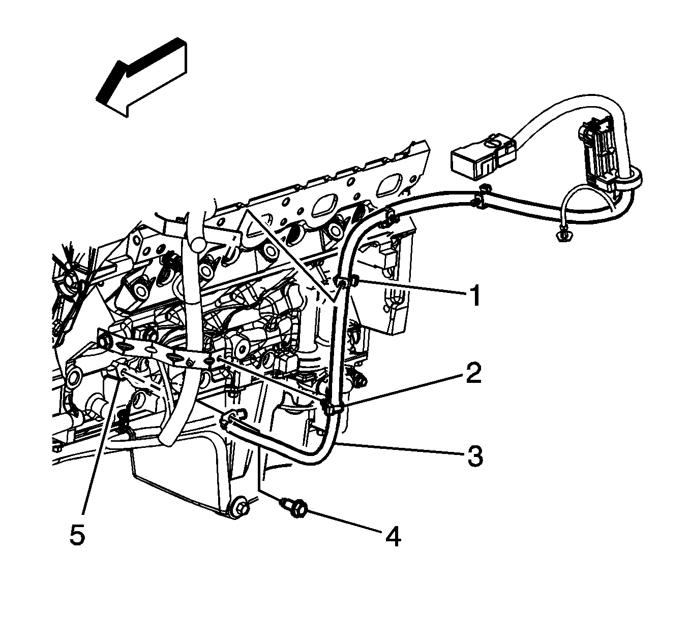
  7. Object Number: 1901968  Size: SH
  8. Raise and suitably support the vehicle. Refer to Lifting and Jacking the Vehicle.
  9. Remove the negative battery cable ground bolt (4).
  10. Remove the negative battery cable clip (2) from the engine wiring harness bracket.
  11. Lower the vehicle.
  12. Remove the negative battery cable clip (1) from the engine wiring harness bracket.
  13. Remove the negative battery cable (3) from the vehicle.

Installation Procedure

Note: 

   • The negative battery cable must not be connected to the battery prior to the installation of the engine harness ground terminal to the engine block.
   • The negative battery cable must not be connected to the battery prior to the installation of the instrument panel harness and the engine harness to the powertrain control module.


    Object Number: 1901968  Size: SH
  1. Install the negative battery cable (3) to the vehicle.
  2. Install the negative battery cable clip (1) to the engine wiring harness bracket.
  3. Raise and suitably support the vehicle.
  4. Install the negative battery cable clip (2) to the engine wiring harness bracket.
  5. Ensure that the engine wiring harness ground terminal (5) is position against the engine block.
  6. Caution: Refer to Fastener Caution in the Preface section.

  7. Position the negative battery cable ground terminal over the engine wiring harness ground and install the negative battery cable ground bolt (4).
  8. Tighten
    Tighten the bolt to 25 N·m (18 lb ft).

  9. Lower the vehicle.

  10. Object Number: 1901956  Size: SH
  11. Connect the engine wiring harness electrical connector (6) to the battery current sensor (5).

  12. Object Number: 1901890  Size: SH
  13. Install the negative battery cable integral bolt (4) to the battery tray.
  14. Tighten
    Tighten the bolt to 40 N·m (29.5 lb ft).

  15. Install the negative battery cable clip (3) to the battery tray.
  16. Install the negative battery cable clip (2) to the lower half of the battery box.
  17. Connect the negative battery cable. Refer to Battery Negative Cable Disconnection and Connection.