GM Service Manual Online
For 1990-2009 cars only

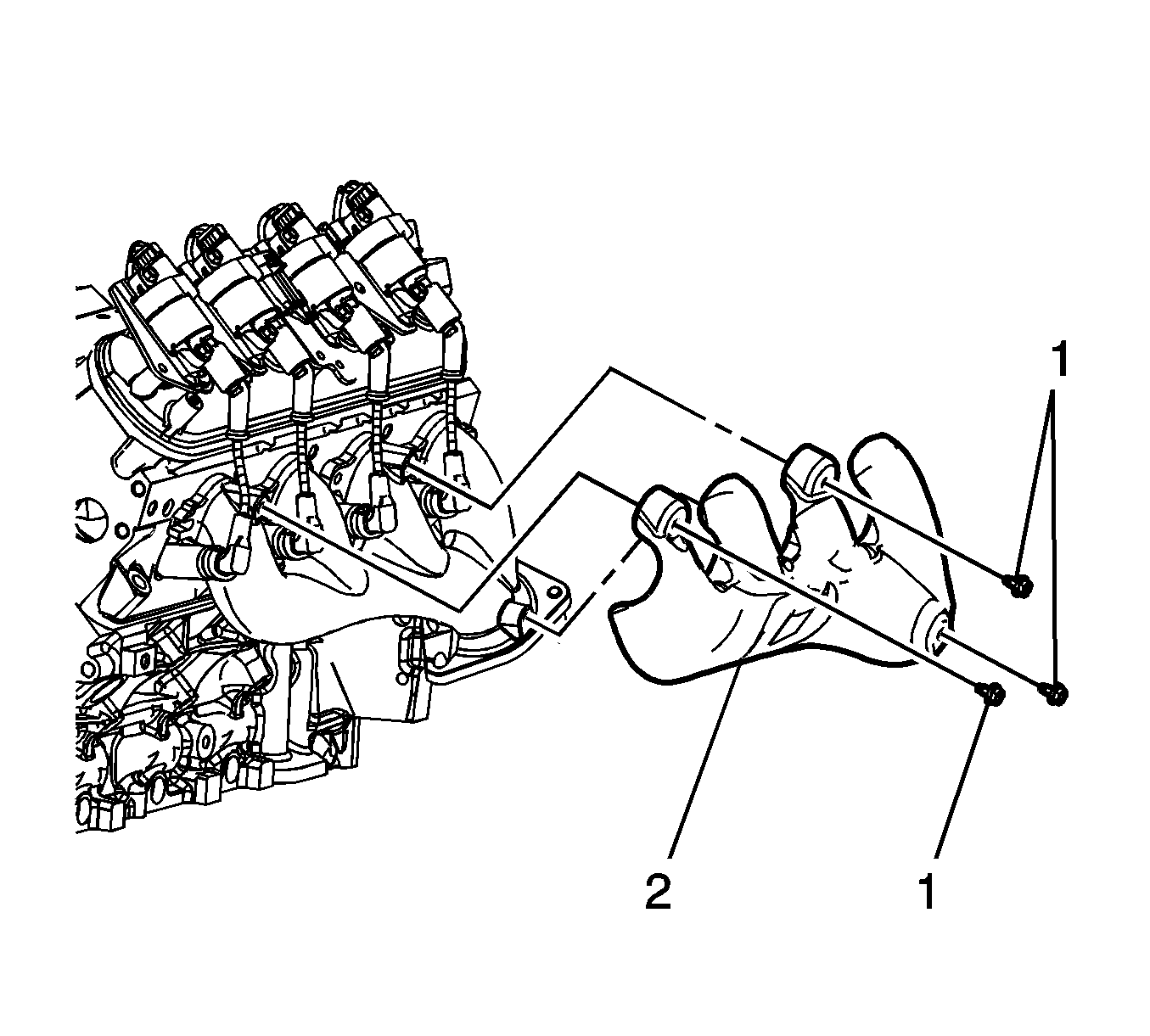
Exhaust Manifold Heat Shield Replacement - Left Side LH8

Removal Procedure

  1. Disconnect the spark plug wires from the spark plugs.

  2. Object Number: 1902899  Size: SH
  3. Remove the exhaust manifold heat shield bolts (1) and shield (2) from the exhaust manifold.

Installation Procedure

    Caution: Refer to Fastener Caution in the Preface section.


    Object Number: 1902899  Size: SH
  1. Position the exhaust manifold heat shield (2) and bolts (1) to the manifold and tighten to 9 N·m (80 lb in).
  2. Connect the spark plug wires from the spark plugs.