GM Service Manual Online
For 1990-2009 cars only

Removal Procedure


    Object Number: 898331  Size: SH
  1. Remove the upper intake manifold sight shield. Refer to Upper Intake Manifold Sight Shield Replacement.
  2. Remove the connector position assurance (CPA) lock.
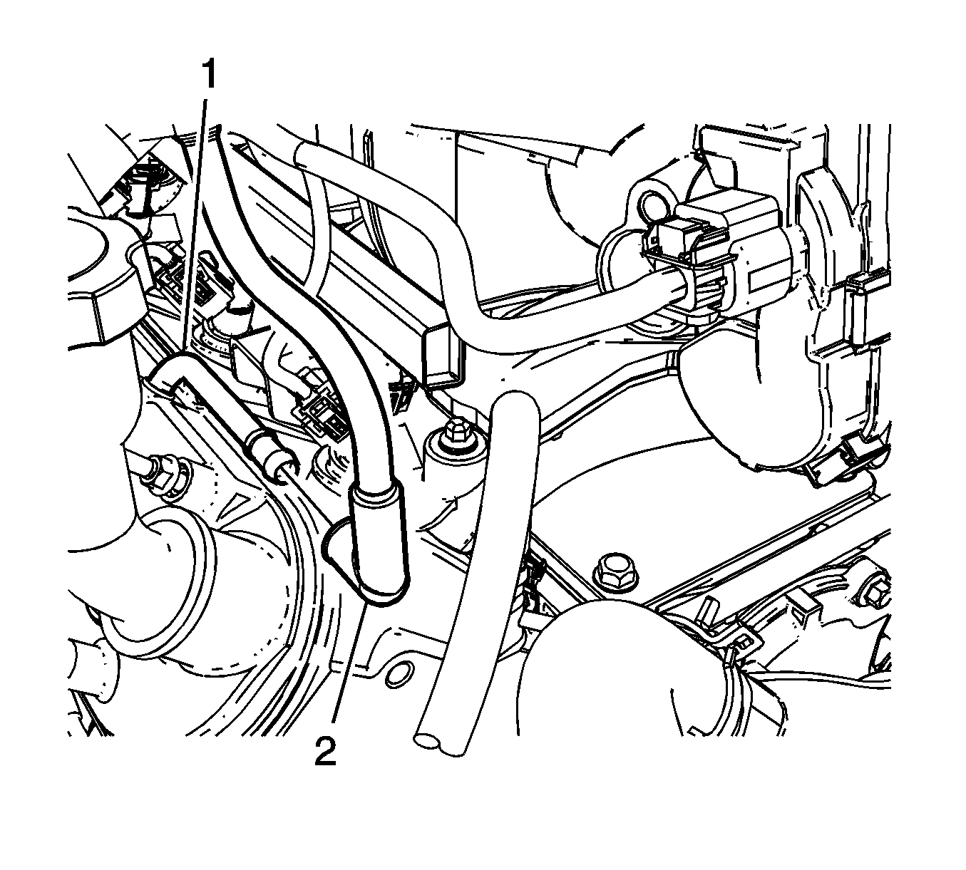
  3. Disconnect the main electrical connector (1) to the ignition coil wire harness.
  4. Remove the harness clips.
  5. Reposition the engine harness, if necessary.
  6. Remove the spark plug wires from the ignition coils.
  7. • Twist each plug wire ½ turn.
    • Pull only on the boot in order to remove the wire from the ignition coil.

    Object Number: 1908227  Size: SH
  8. Remove the heater hose bracket bolt (1) from the front of the right cylinder head.

  9. Object Number: 1402028  Size: SH
  10. If necessary, remove the ignition coil bracket studs from the rocker arm cover.
  11. If necessary, remove the ignition coils and bracket from the rocker cover.

  12. Object Number: 2016141  Size: SH
  13. Remove the vent hose (2) from the valve rocker arm cover (1).

  14. Object Number: 260084  Size: SH
  15. Remove the valve rocker arm cover bolts.
  16. Remove the valve rocker arm cover.

  17. Object Number: 490696  Size: SH
  18. Remove the gasket (1) from the rocker cover.
  19. Discard the OLD gasket.

  20. Object Number: 1559860  Size: SH
  21. Remove the oil fill cap from the oil fill tube.
  22. Remove the oil fill tube from the rocker cover, if required.
  23. Discard the oil fill tube.

Installation Procedure


    Object Number: 1559860  Size: SH

    Note: 

       • All gasket surfaces should be free of oil or other foreign material during assembly.
       • DO NOT reuse the valve rocker arm cover gasket.
       • The valve rocker arm cover bolt grommets may be reused.
       • If the oil fill tube has been removed from the rocker arm cover, install a NEW fill tube during assembly.

  1. Lubricate the O-ring seal of the NEW oil fill tube with clean engine oil.
  2. Insert the NEW oil fill tube into the rocker arm cover.
  3. Rotate the tube clockwise until locked in the proper position.

  4. Install the oil fill cap into the tube.
  5. Rotate the cap clockwise until locked in the proper position.


    Object Number: 490696  Size: SH
  6. Install a NEW rocker cover gasket (1) into the valve rocker arm cover.

  7. Object Number: 260084  Size: SH
  8. Install the valve rocker arm cover onto the cylinder head.
  9. Install new rocker arm cover grommets, if necessary.
  10. Caution: Refer to Fastener Caution in the Preface section.

  11. Install the rocker arm cover bolts and grommets and tighten the bolts to 12 N·m (106 lb in).

  12. Object Number: 2016141  Size: SH
  13. Install the vent hose (2) to the valve rocker arm cover (1).

  14. Object Number: 1402028  Size: SH
  15. Apply threadlock to the threads of the bracket bolts. Refer to Adhesives, Fluids, Lubricants, and Sealers for the correct part number.
  16. If necessary, install the ignition coils and bracket to the rocker arm cover.
  17. If necessary, install the ignition coil bracket studs to the rocker cover.
  18. Tighten the studs to 12 N·m (106 lb in).


    Object Number: 1908227  Size: SH
  19. Install the heater hose bracket bolt (1) to the front of the right cylinder head.

  20. Object Number: 898331  Size: SH
  21. Install the spark plug wires to the ignition coils.
  22. Position the engine harness, if necessary.
  23. Install the harness clips.
  24. Connect the main electrical connector (1) feeding the ignition coils.
  25. Install the CPA lock.
  26. Install the upper intake manifold sight shield. Refer to Upper Intake Manifold Sight Shield Replacement.