GM Service Manual Online
For 1990-2009 cars only

Removal Procedure

Warning: Refer to Halogen Bulb Warning in the Preface section.

Caution: Avoid touching the bulb or letting the bulb come in contact with anything damp. Oil from your skin or moisture on the bulb can cause the bulb to explode when the bulb is turned on. If either comes in contact with the bulb, clean the bulb with alcohol or a suitable degreaser and wipe the bulb dry.

  1. Ensure that the headlamp switch is in the OFF position.
  2. Ensure that the ignition switch is in the LOCK position.
  3. Remove the front grille. Refer to Grille Replacement.
  4. Remove the bolts that retain the headlamp.

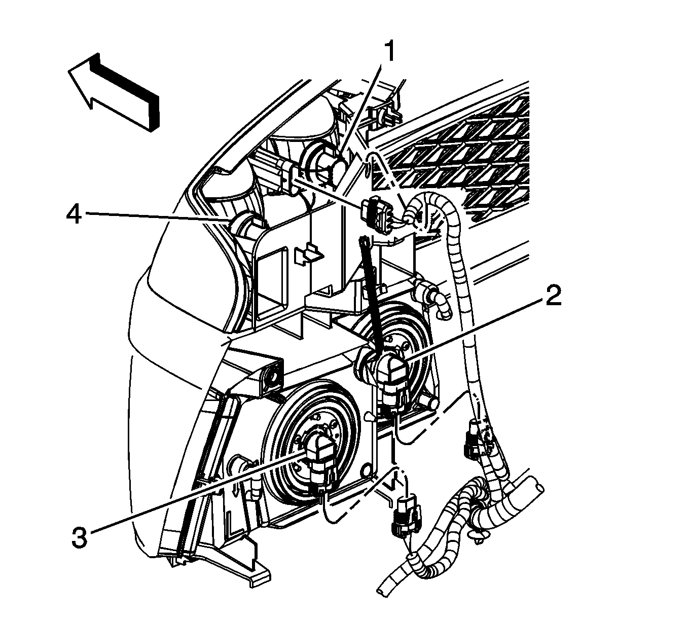
  5. Object Number: 1386214  Size: SH
  6. Push and rotate the high beam headlamp (2), low beam headlamp (3) 1/4 turn counterclockwise in order to remove the bulb, if needed.
  7. Disconnect the electrical connector.

Installation Procedure


    Object Number: 1386214  Size: SH
  1. Connect the electrical connector to the bulb.
  2. Push in and rotate the high beam headlamp (2), low beam headlamp (3) 1/4 turn clockwise in order to install the bulb.
  3. Caution: Refer to Fastener Caution in the Preface section.

  4. Install the bolts that retain the headlamp.
  5. Tighten
    Tighten the bolts to 10 N·m (89 lb in).

  6. Inspect the headlamps for proper operation.
  7. Install the front grille. Refer to Grille Replacement.