GM Service Manual Online
For 1990-2009 cars only
Makes
🢒
Chevrolet
🢒
2009
🢒
Colorado Pickup - 2WD
🢒
Power and Signal Distribution
🢒
Wiring Systems and Power Management
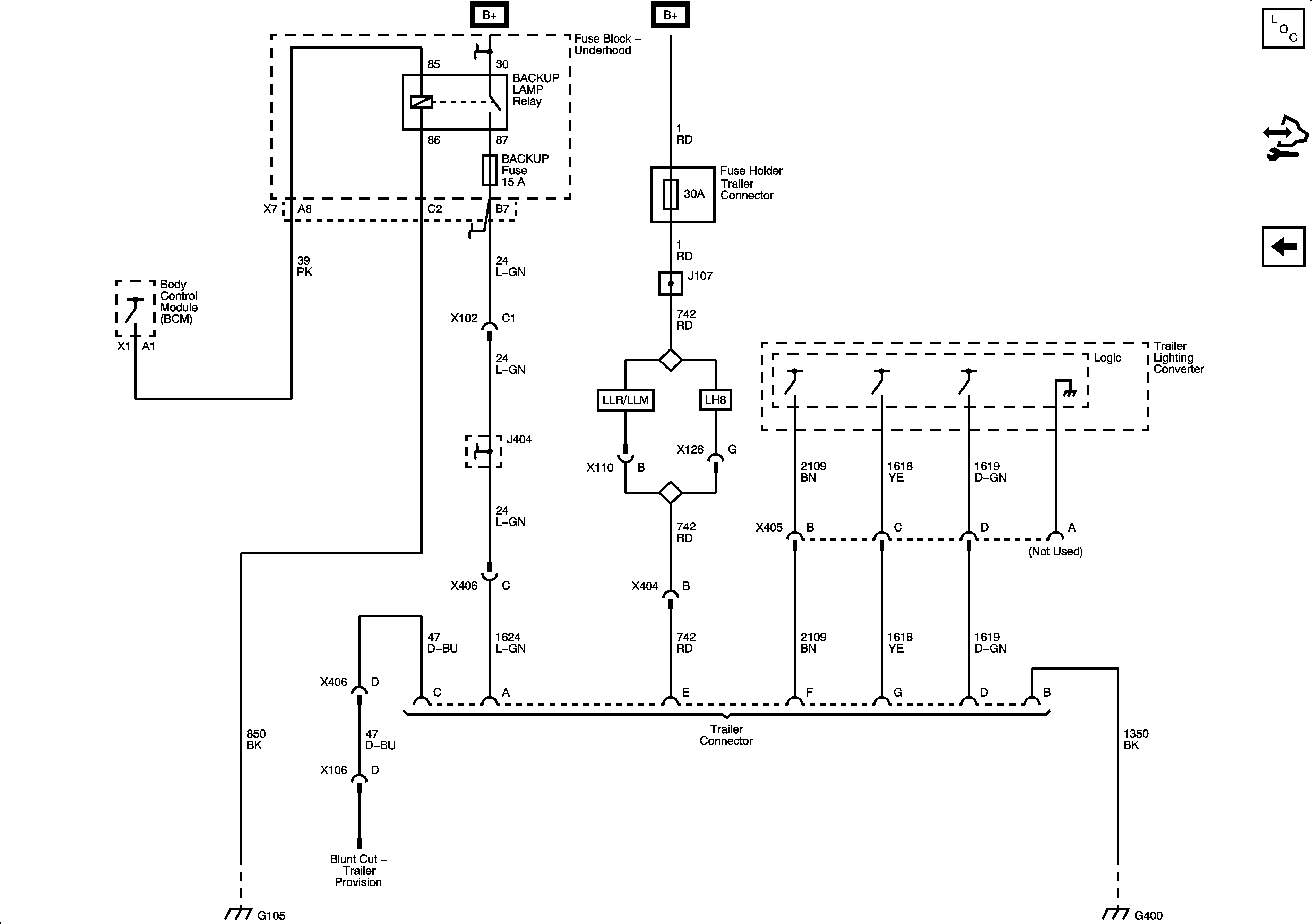
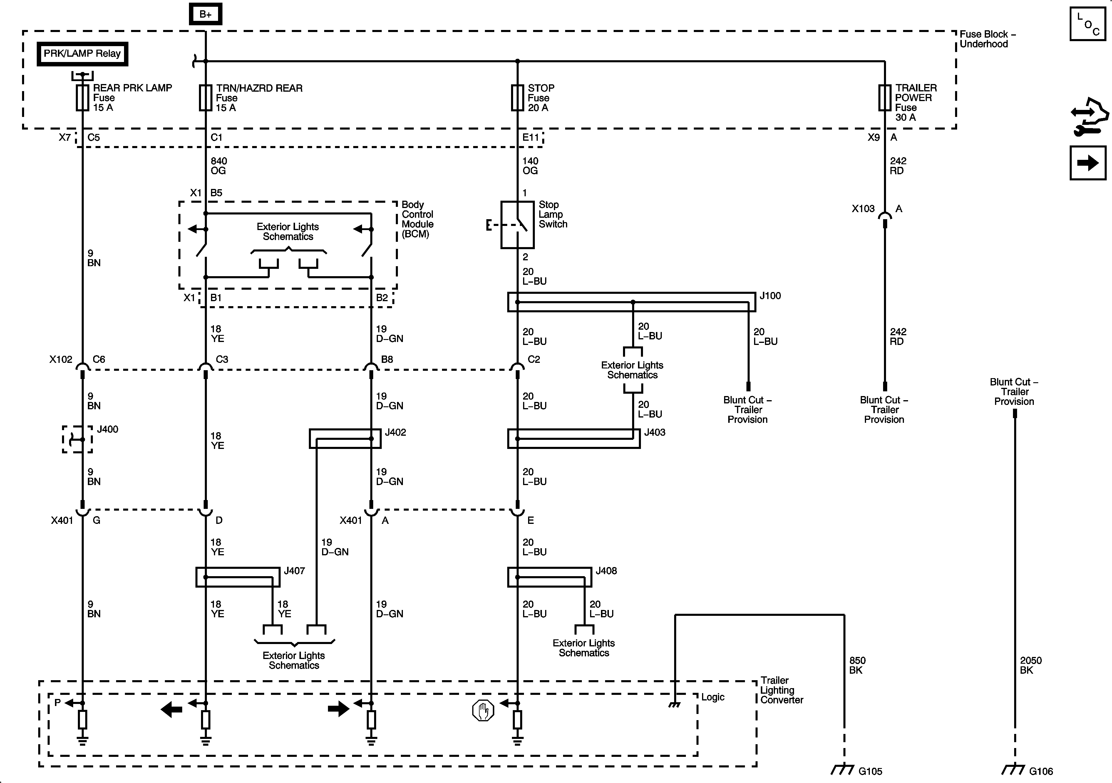
🢒 Trailer Connector/Provision Schematics
Figure
1:
Trailer Wiring with UY7 - 1 of 2
Figure
2:
Trailer Wiring with UY7 - 2 of 2