GM Service Manual Online
For 1990-2009 cars only
Makes
🢒
Chevrolet
🢒
2005
🢒
Colorado Pickup - 4WD
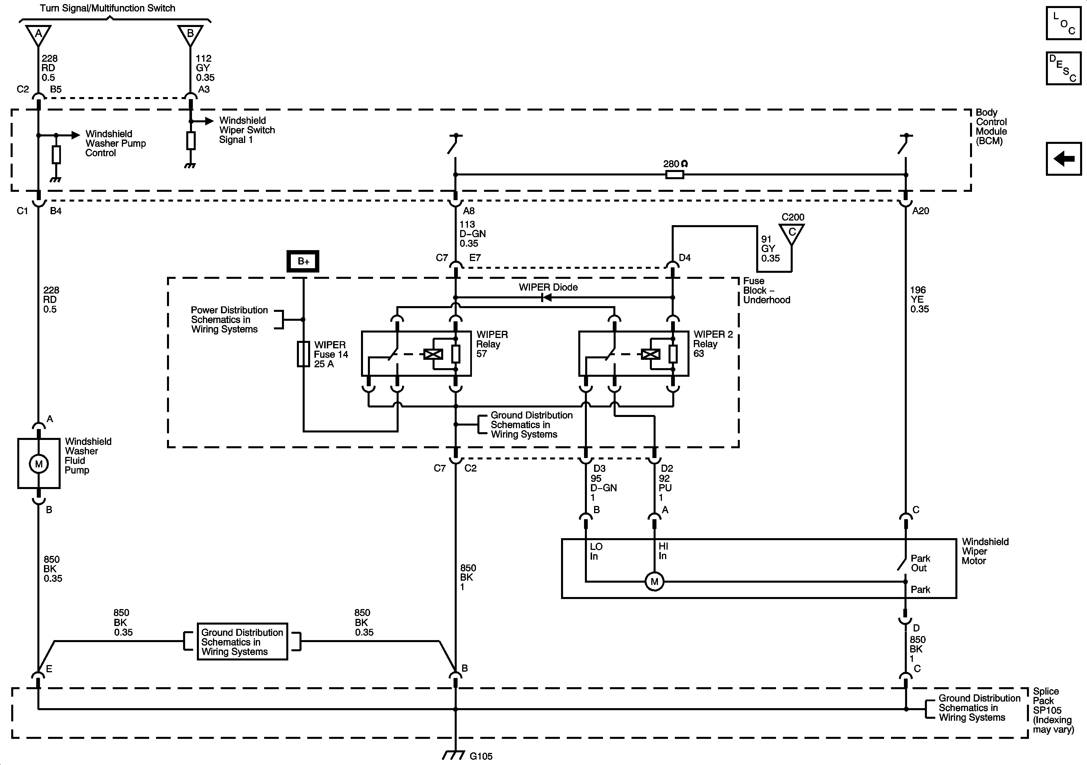
🢒 Windshield Wiper Motor, and Windshield Washer Fluid Pump
Windshield Wiper Motor, and Windshield Washer Fluid Pump
Windshield Wiper Motor, and Windshield Washer Fluid Pump
Master Electrical Component List
Wiper/Washer System Description and Operation
Windshield Washer Switch
Windshield Washer Switch
Windshield Washer Switch
B+ Bus - Underhood Fuse Block
Splice Pack SP105 and G105 - 1 of 2
Splice Pack SP105 and G105 - 1 of 2
Splice Pack SP105 and G105 - 1 of 2