GM Service Manual Online
For 1990-2009 cars only
Makes
🢒
Chevrolet
🢒
2005
🢒
Colorado Pickup - 4WD
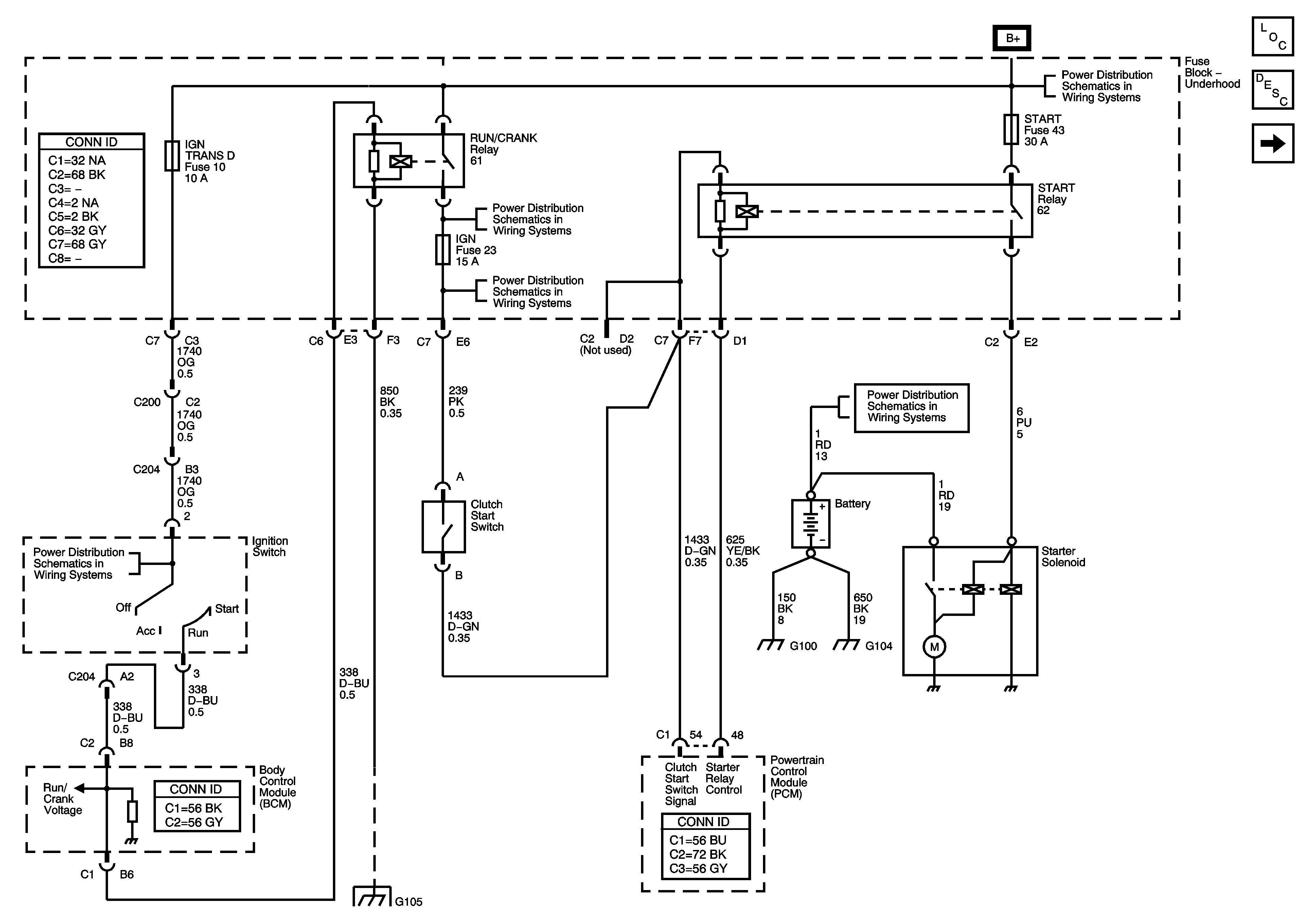
🢒 Starting System (MA5)
Starting System (MA5)
Starting System - MA5
Master Electrical Component List
Starting System Description and Operation
Starting System (M30)
B+ Bus - Underhood Fuse Block
SPARE, IGN, and A/C COMP Fuses
SPARE, IGN, and A/C COMP Fuses
B+ Bus - Underhood Fuse Block
IGN TRANS D Fuse
Splice Pack SP105 and G105 - 1 of 2