GM Service Manual Online
For 1990-2009 cars only
Makes
🢒
Chevrolet
🢒
2005
🢒
Colorado Pickup - 4WD
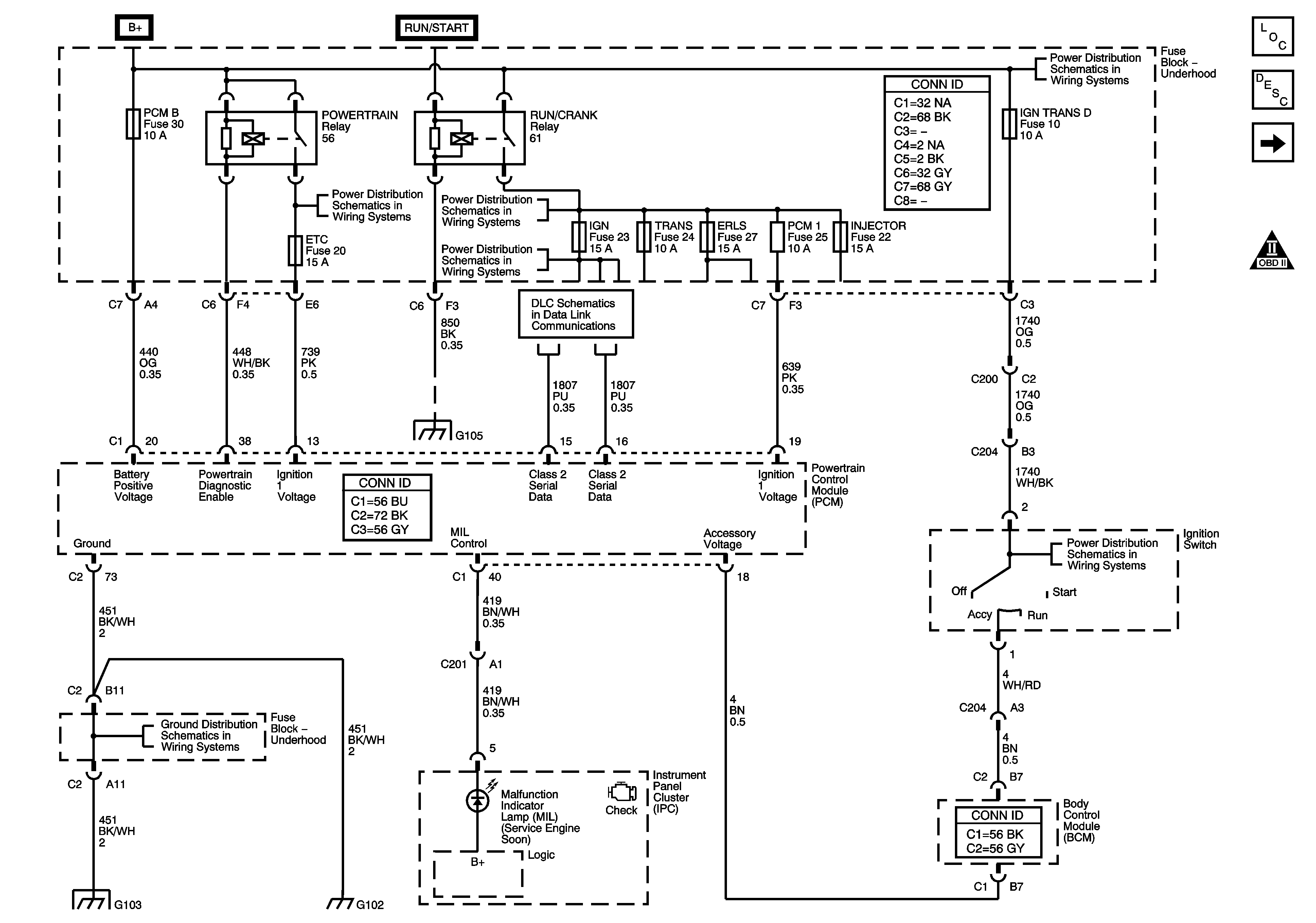
🢒 Power, Ground, MIL, and DLC
Power, Ground, MIL, and DLC
Power, Ground, MIL, and DLC
Master Electrical Component List
Powertrain Control Module Description
5 Volt Reference
OBD II Symbol Description Notice
B+ Bus - Underhood Fuse Block
WIPER SW, PWR WDO, ETC, and 02 SENSOR Fuses
SIR, CRUISE/MISC, TRANS, BACK UP, and ABS Fuses
SPARE, IGN, and A/C COMP Fuses
Data Link Connector (DLC) Schematics
Splice Pack SP105 and G105 - 1 of 2
IGN TRANS D Fuse
G100, G104, G102, G103, and G101
G100, G104, G102, G103, and G101