GM Service Manual Online
For 1990-2009 cars only
Makes
🢒
Chevrolet
🢒
2005
🢒
Colorado Pickup - 4WD
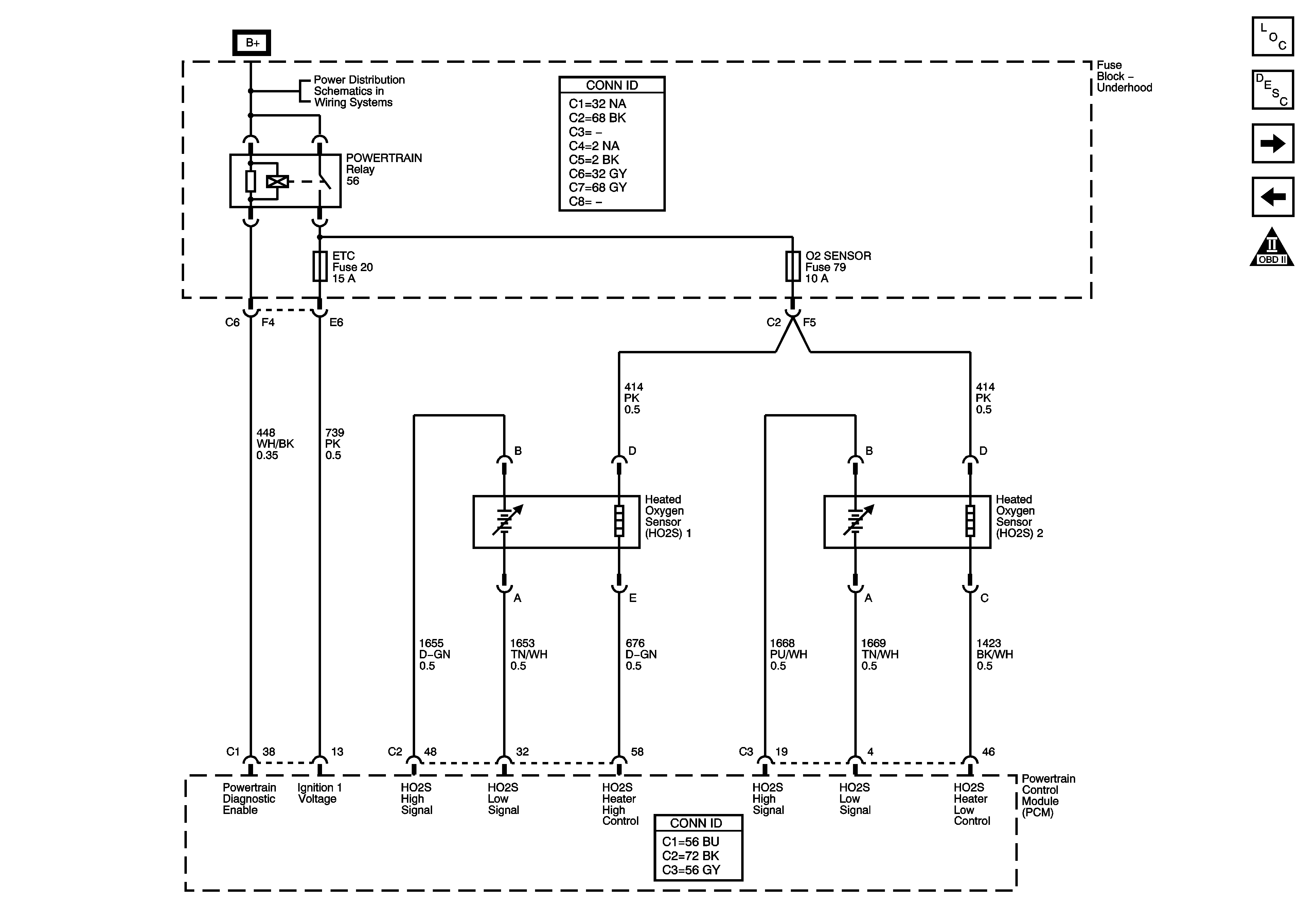
🢒 Oxygen Sensors
Oxygen Sensors
Oxygen Sensors
Master Electrical Component List
Powertrain Control Module Description
Knock, CMP, CKP Sensors, and EGR
Engine Data Sensors
OBD II Symbol Description Notice
B+ Bus - Underhood Fuse Block