GM Service Manual Online
For 1990-2009 cars only
Makes
🢒
Chevrolet
🢒
2005
🢒
Colorado Pickup - 4WD
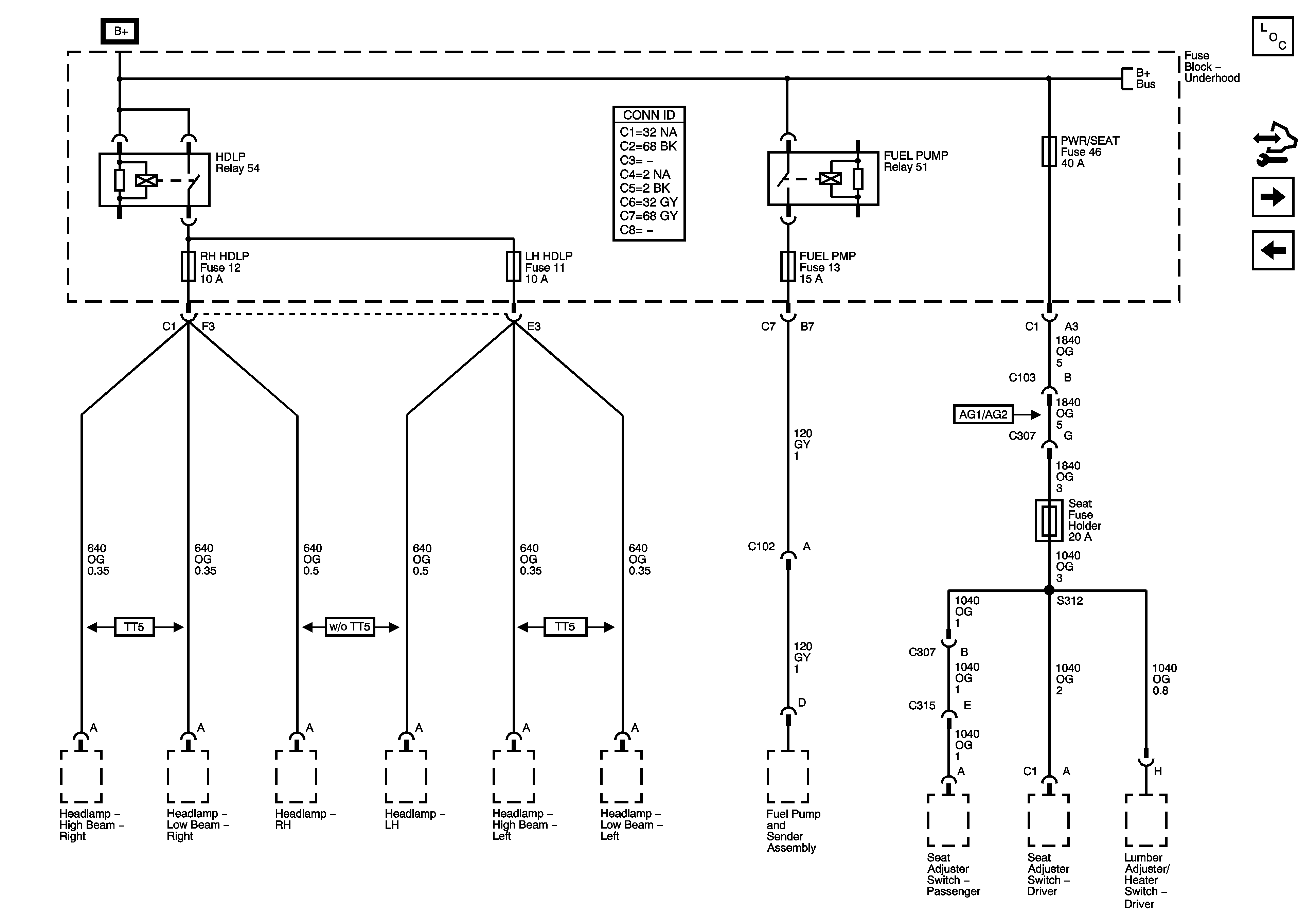
🢒 FUEL PMP, LH HDLP, and RH HDLP Fuses
FUEL PMP, LH HDLP, and RH HDLP Fuses
FUEL PMP, LH HDLP, and RH HDLP Fuses
Master Electrical Component List
FR PK LP, RR PK, and RR PK LP Fuses
ETC, O2 SENSOR, PWR/WINDOW, SUNROOF, and WIP/WASH Fuses