GM Service Manual Online
For 1990-2009 cars only
Makes
🢒
Chevrolet
🢒
2005
🢒
Colorado Pickup - 4WD
🢒 Rear Doors - Crew Cab
Rear Doors - Crew Cab
Rear Doors - Crew Cab
Master Electrical Component List
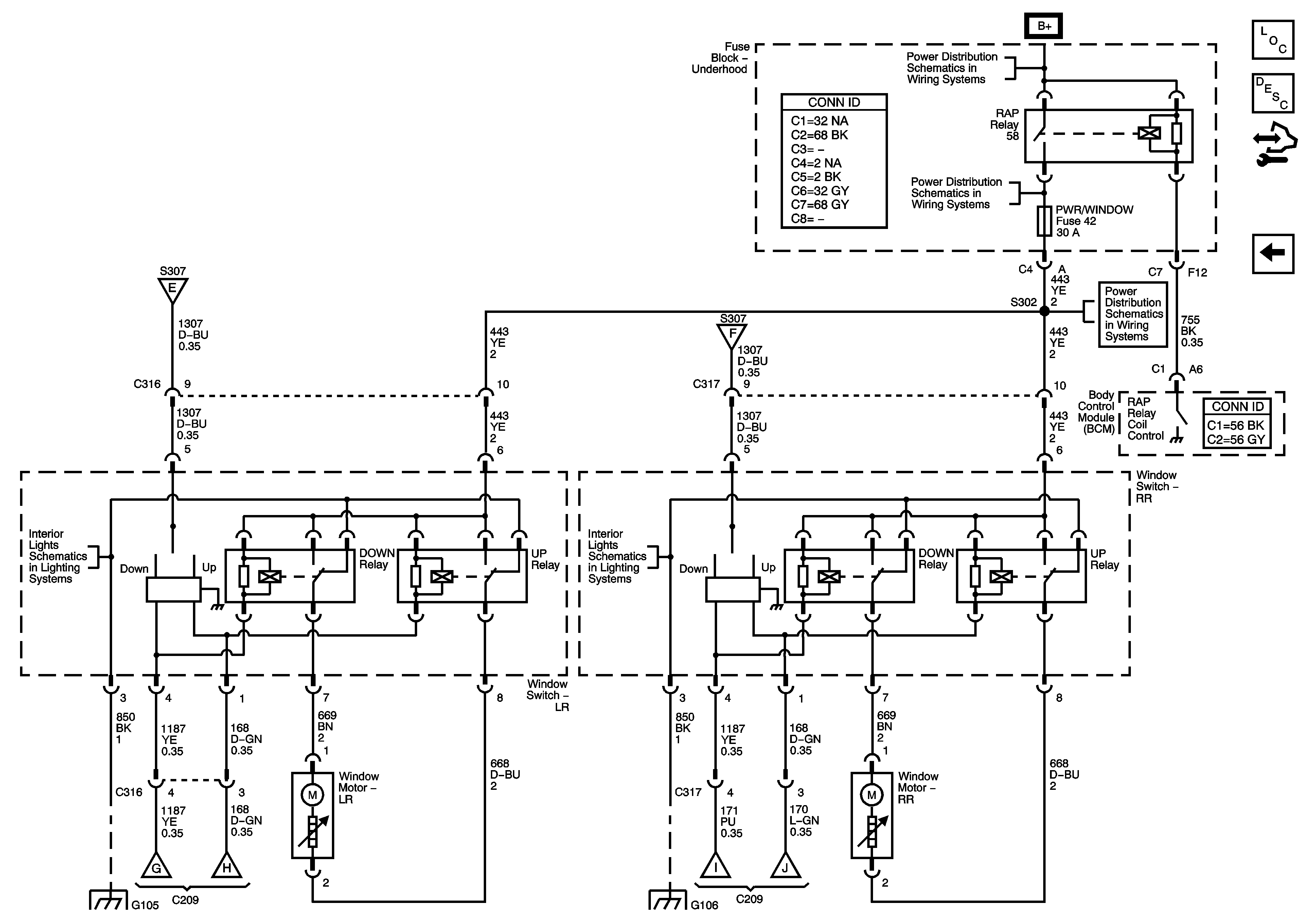
Power Windows Description and Operation
Body Control Module (BCM) Programming/RPO Configuration
Right Door Crew Cab
Left Door Crew Cab
B+ Bus - Underhood Fuse Block
B+ Bus - Underhood Fuse Block
ETC, O2 SENSOR, PWR/WINDOW, SUNROOF, and WIP/WASH Fuses
Left Door Crew Cab
Door Jamb Switch
Splice Pack SP105 and G105 - 1 of 2
Left Door Crew Cab
Door Jamb Switch
Splice Pack SP106 and G106 - 1 of 2
Left Door Crew Cab