GM Service Manual Online
For 1990-2009 cars only
Makes
🢒
Chevrolet
🢒
2005
🢒
Colorado Pickup - 4WD
🢒 w/o TT5
w/o TT5
w/o TT5
Master Electrical Component List
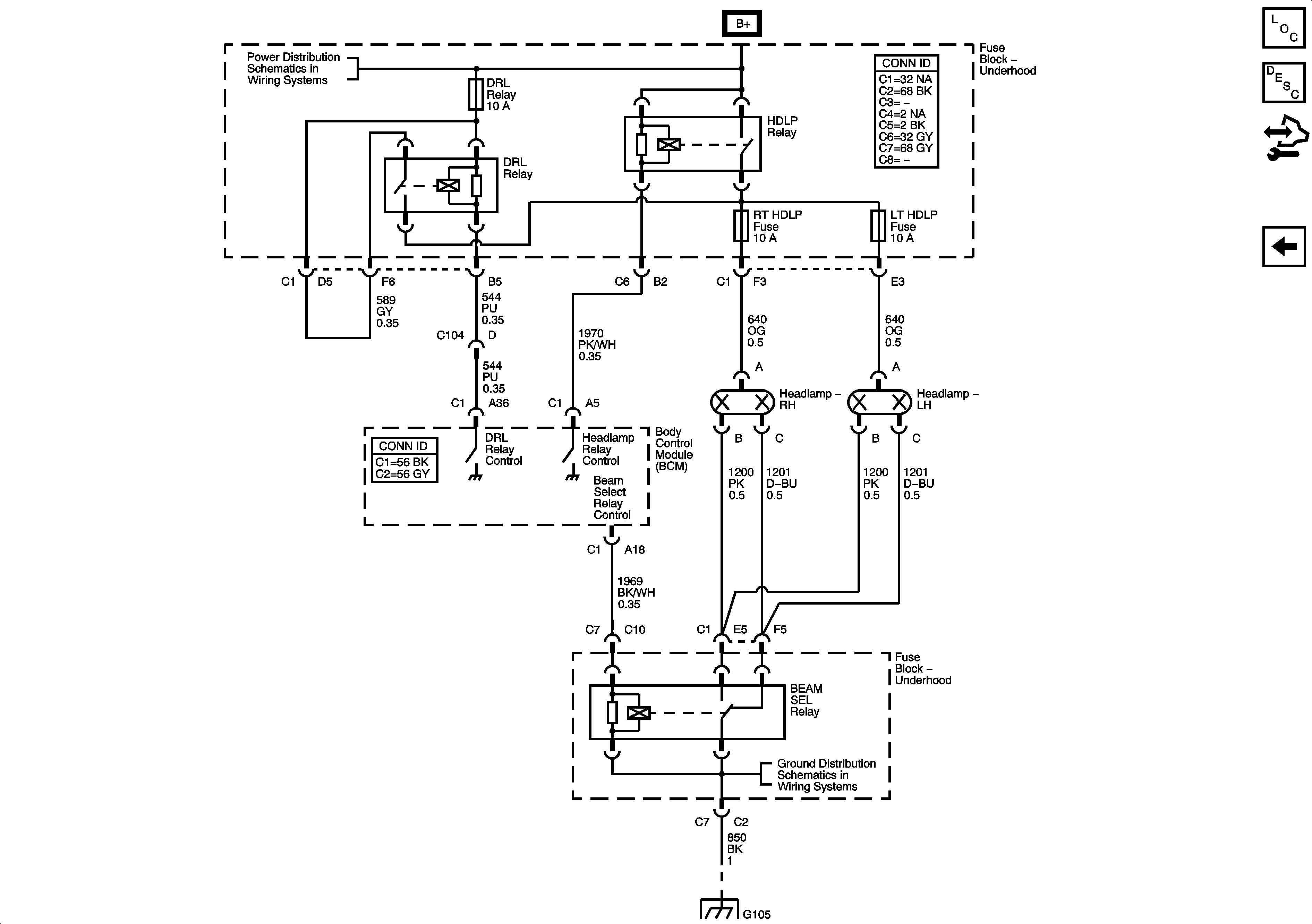
Exterior Lighting Systems Description and Operation
Body Control Module (BCM) Programming/RPO Configuration
w/TT5
B+ Bus - Underhood Fuse Block
G100, G104, G102, G103, and G101
Splice Pack SP105 and G105 - 1 of 2