GM Service Manual Online
For 1990-2009 cars only
Makes
🢒
Chevrolet
🢒
2005
🢒
Colorado Pickup - 4WD
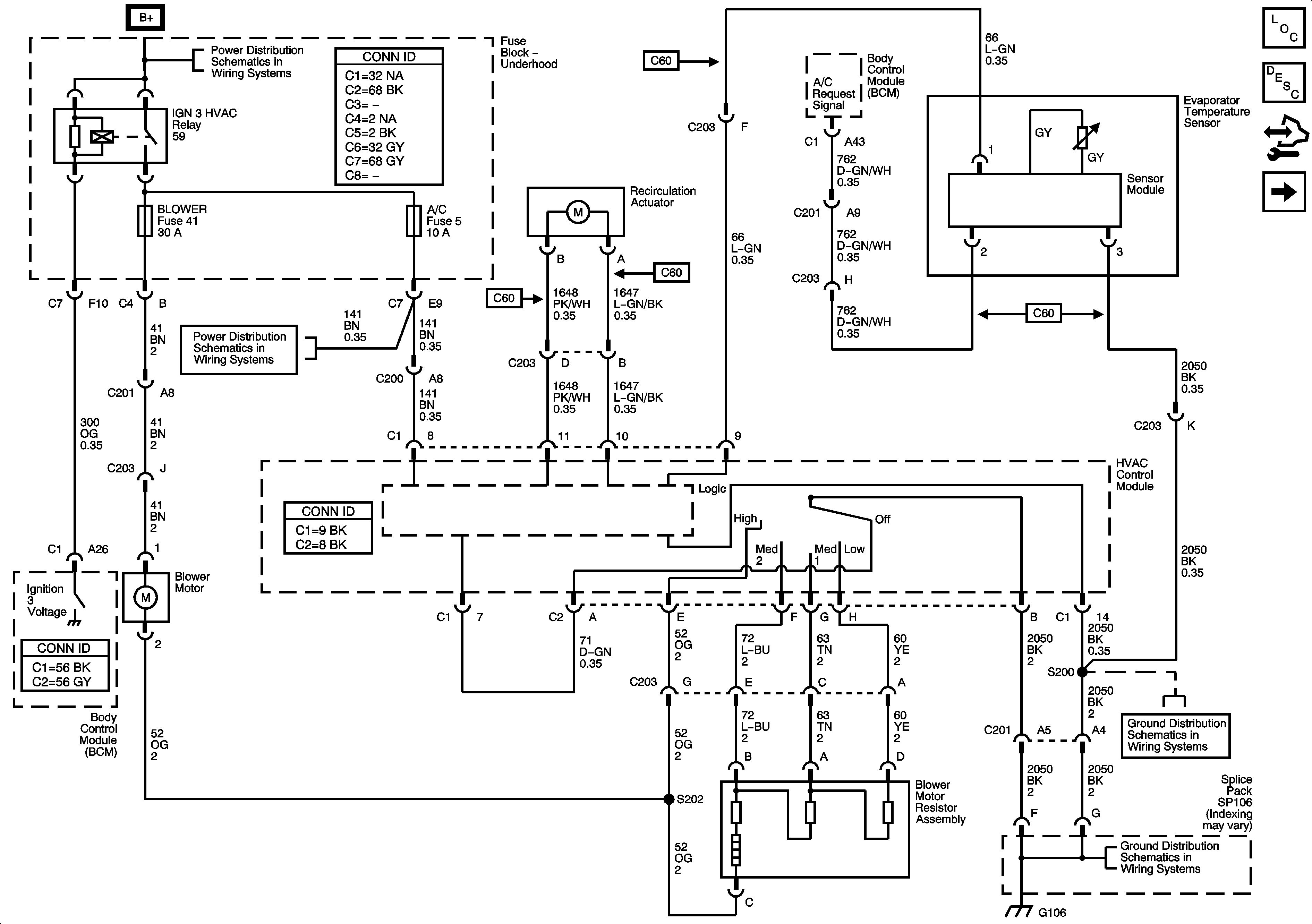
🢒 Primary Blower and Air Delivery Controls - C60/C42
Primary Blower and Air Delivery Controls - C60/C42
Primary Blower, and Air Delivery Controls - C60/C42
Master Electrical Component List
Air Temperature Description and Operation
Body Control Module (BCM) Programming/RPO Configuration
Compressor Controls - C60
A/C, BLOWER, HTD SEAT, TBC, TURN/HAZ FR, and TURN/HAZ RR Fuses
A/C, BLOWER, HTD SEAT, TBC, TURN/HAZ FR, and TURN/HAZ RR Fuses
Splice Pack SP106 and G106 - 1 of 2
Splice Pack SP106 and G106 - 1 of 2