GM Service Manual Online
For 1990-2009 cars only
Makes
🢒
Chevrolet
🢒
2005
🢒
Colorado Pickup - 4WD
🢒 Starting and Charging - MA5
Starting and Charging - MA5
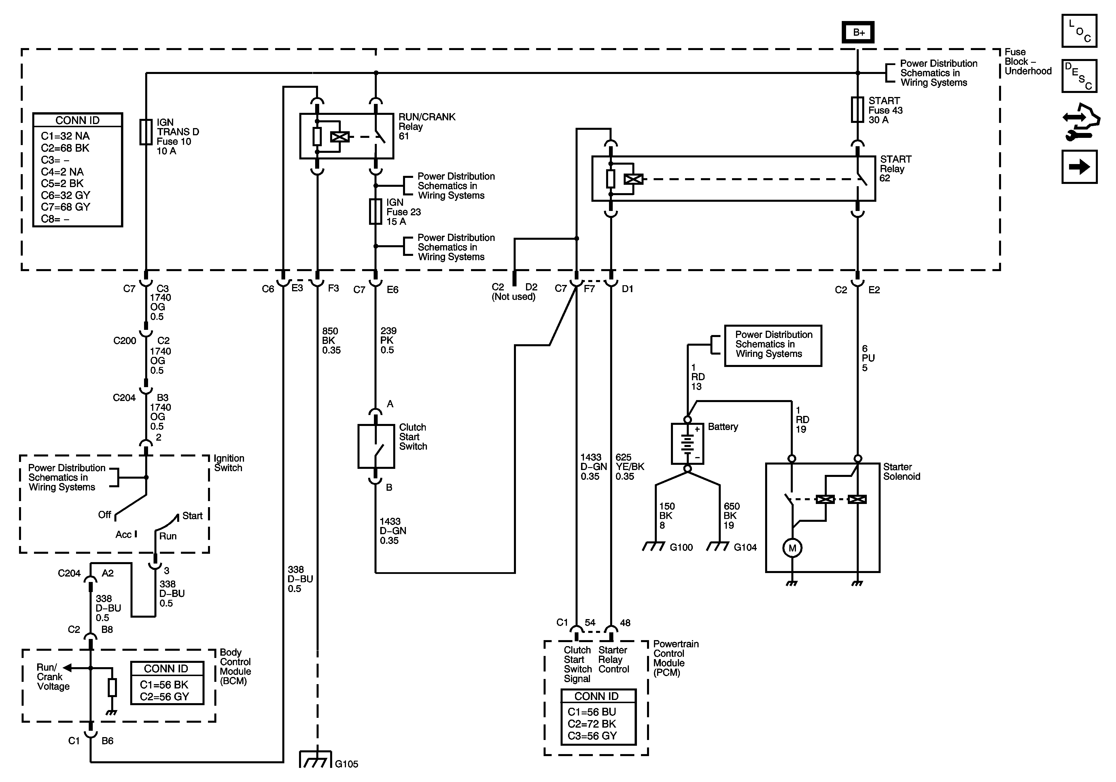
Starting System - MA5
Master Electrical Component List
Starting System Description and Operation
Body Control Module (BCM) Programming/RPO Configuration
Starting System - M30
B+ Bus - Underhood Fuse Block
B+ Bus - Underhood Fuse Block
B+ Bus - Underhood Fuse Block
B+ Bus - Underhood Fuse Block
Ignition Switch and IGN TRANS D Fuse
Splice Pack SP105 and G105 - 1 of 2