GM Service Manual Online
For 1990-2009 cars only
Makes
🢒
Chevrolet
🢒
2008
🢒
Colorado Pickup - 4WD
🢒
Diagnostic Navigation
🢒
Vehicle Diagnostic Information
🢒 HVAC Schematics
Figure
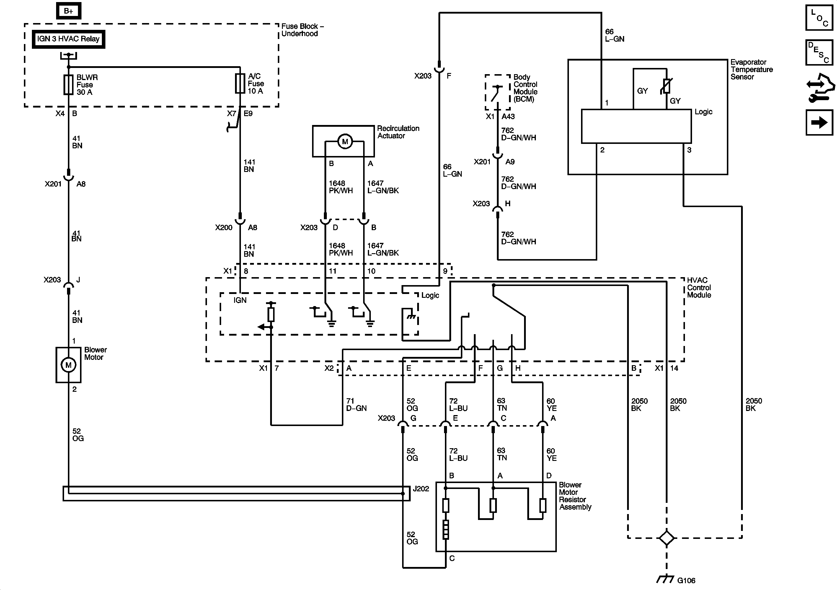
1:
Primary Blower and Air Delivery Controls
Master Electrical Component List
Air Temperature Description and Operation
Control Module References
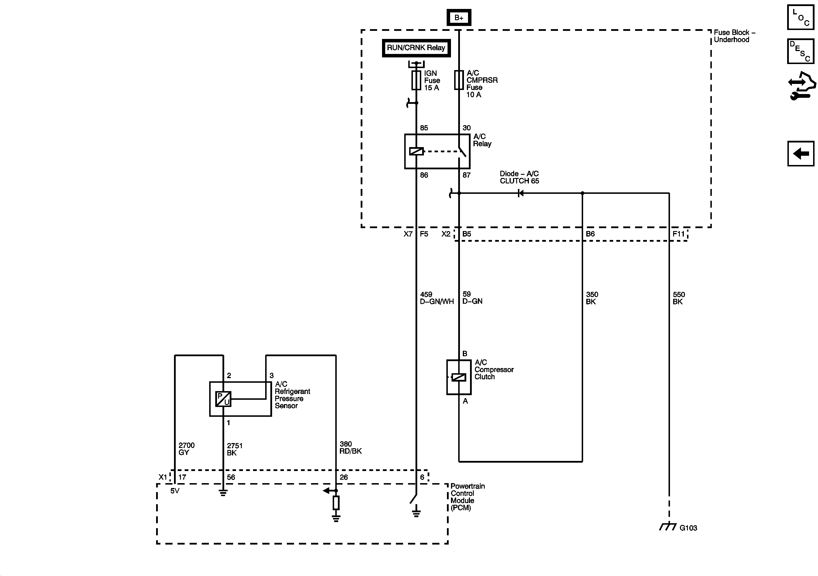
Compressor Controls
Figure
2:
Compressor Controls
Master Electrical Component List
Air Delivery Description and Operation
Control Module References
Primary Blower and Air Delivery Controls