GM Service Manual Online
For 1990-2009 cars only
Makes
🢒
Chevrolet
🢒
2008
🢒
Colorado Pickup - 4WD
🢒
Diagnostic Navigation
🢒
Vehicle Diagnostic Information
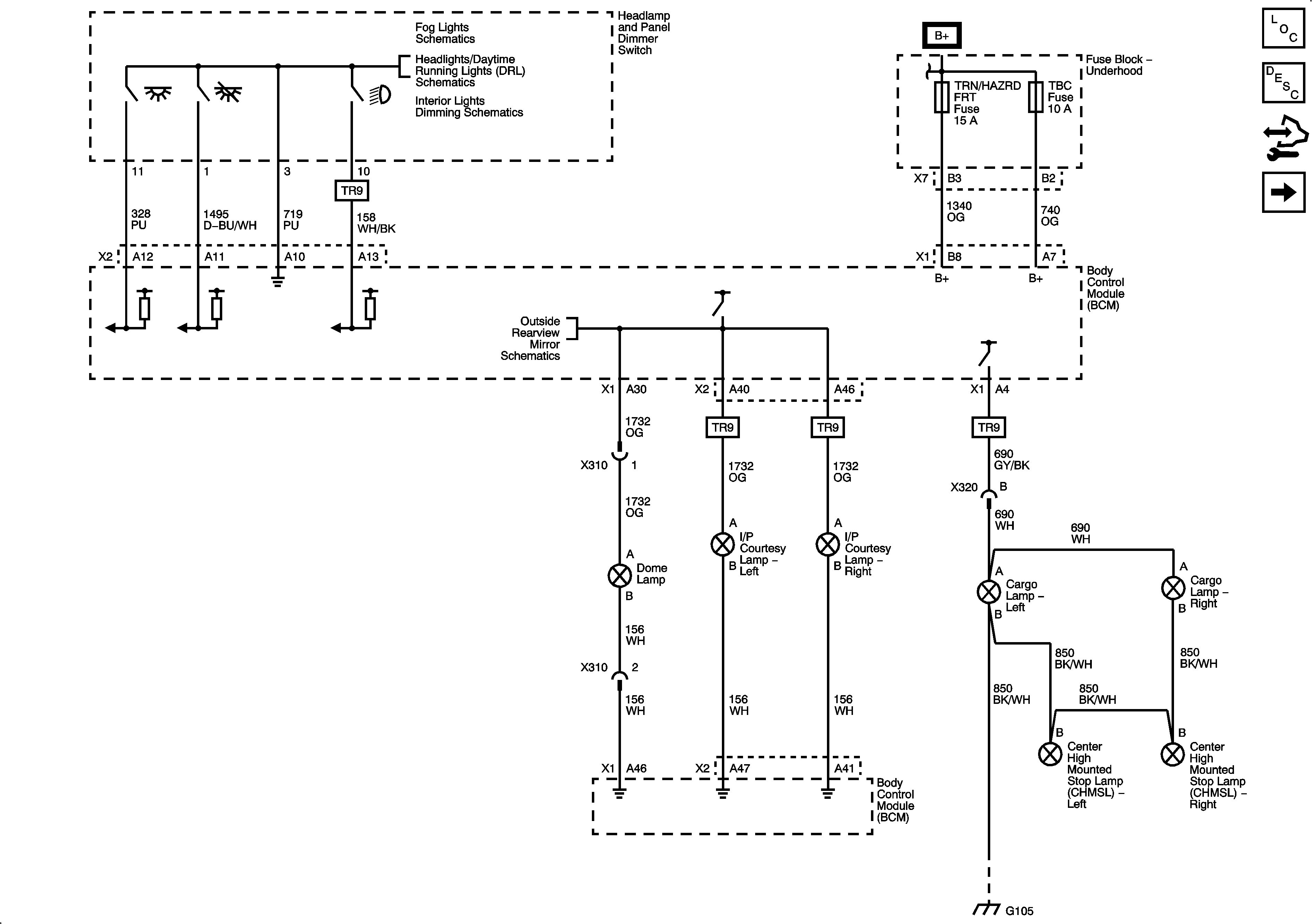
🢒 Interior Lights Schematics
Figure
1:
Courtesy Lamps - 1 of 2 and Inadvertent Lamps
Master Electrical Component List
Interior Lighting Systems Description and Operation
Control Module References
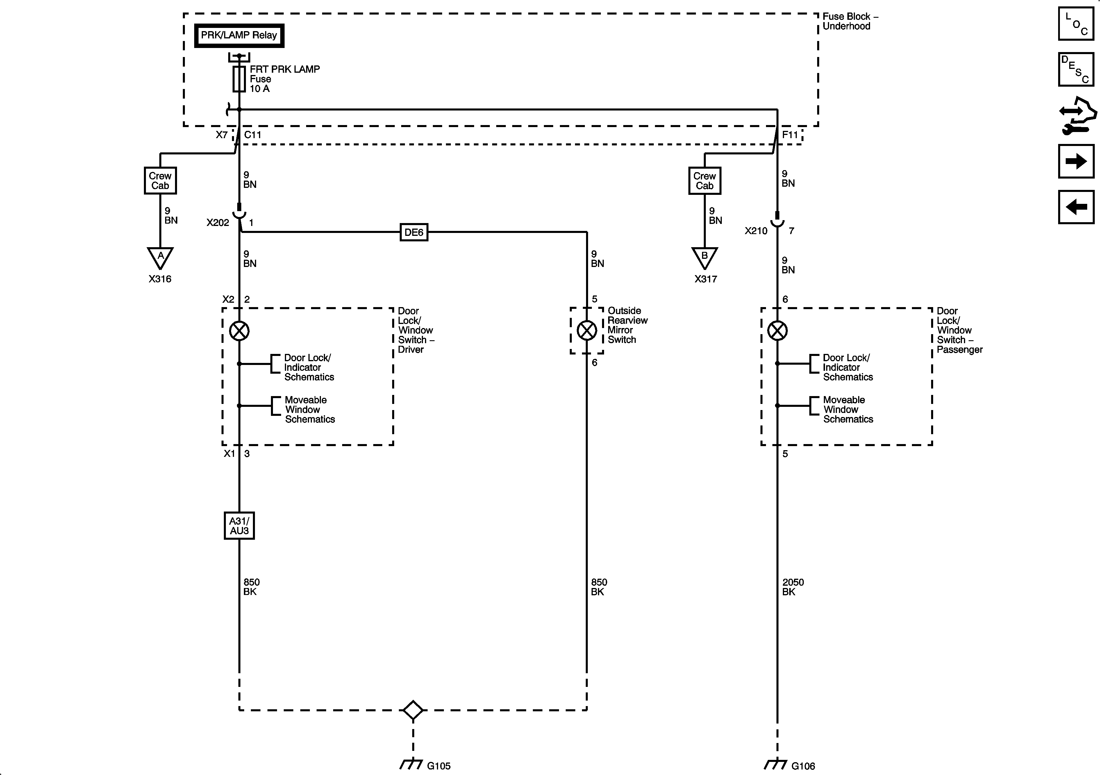
Courtesy Lamps - 2 of 2
Figure
2:
Courtesy Lamps - 2 of 2
Master Electrical Component List
Interior Lighting Systems Description and Operation
Control Module References
Door Ajar Switches
Courtesy Lamps - 1 of 2 and Inadvertent Lamps