GM Service Manual Online
For 1990-2009 cars only
Makes
🢒
Chevrolet
🢒
2008
🢒
Colorado Pickup - 4WD
🢒
Diagnostic Navigation
🢒
Vehicle Diagnostic Information
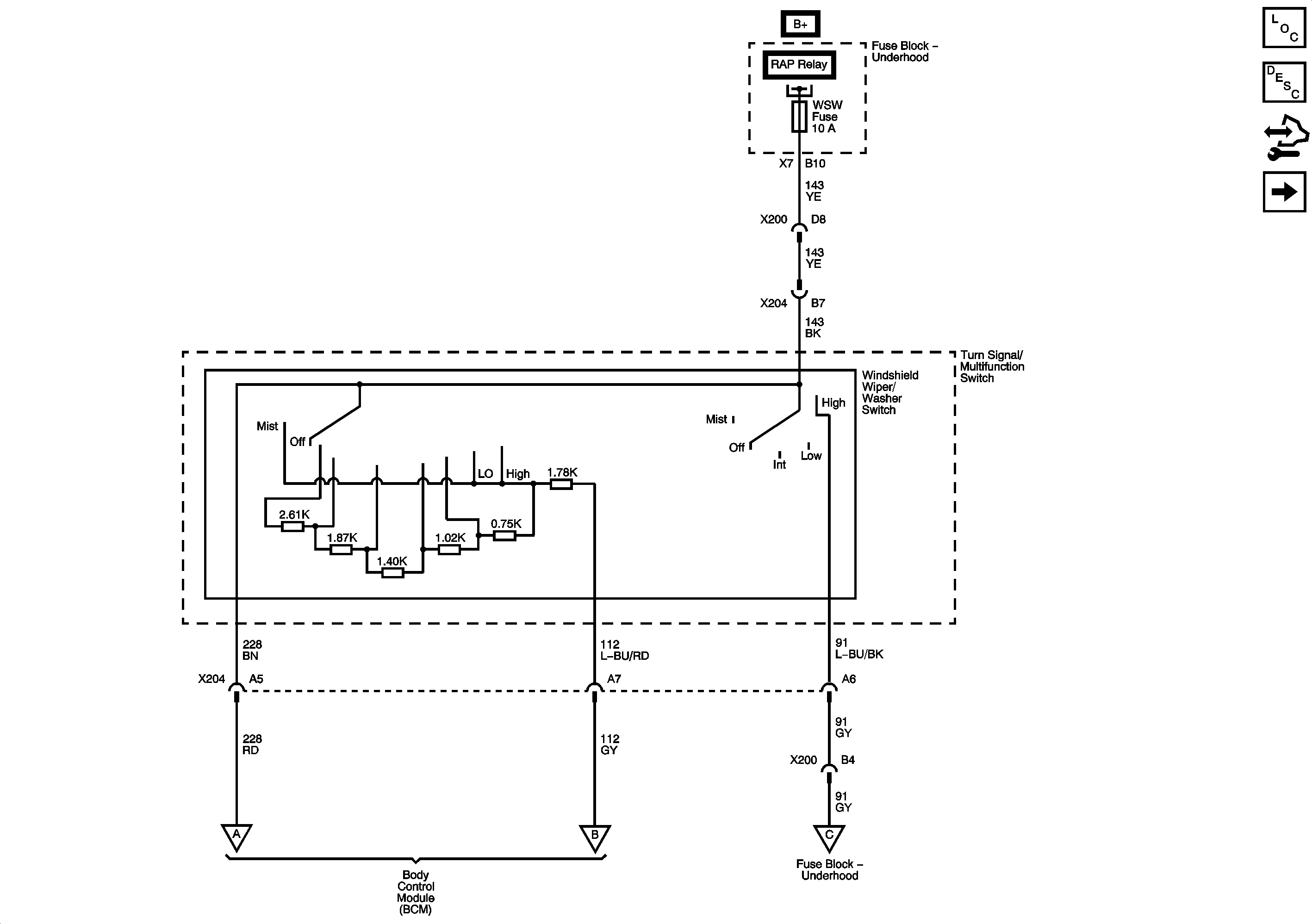
🢒 Wiper/Washer Schematics
Figure
1:
Wiper Controls
Master Electrical Component List
Wiper/Washer System Description and Operation
Control Module References
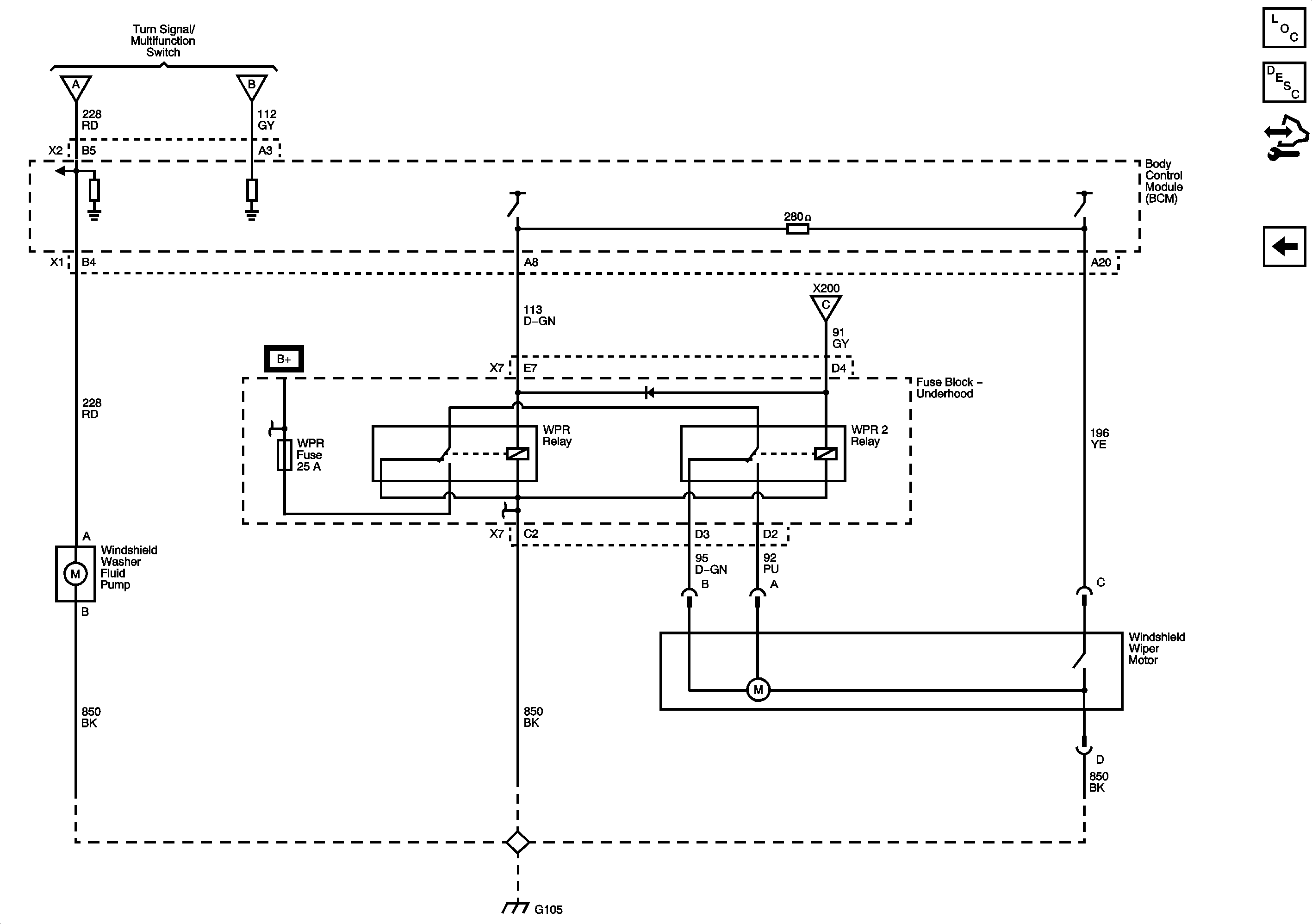
Wiper Motor and Washer
Figure
2:
Wiper Motor and Washer
Master Electrical Component List
Wiper/Washer System Description and Operation
Control Module References
Wiper Controls