GM Service Manual Online
For 1990-2009 cars only
Makes
🢒
Chevrolet
🢒
2009
🢒
Colorado Pickup - 4WD
🢒
Diagnostic Navigation
🢒
Vehicle Diagnostic Information
🢒 Automatic Transmission Controls Schematics
Figure
1:
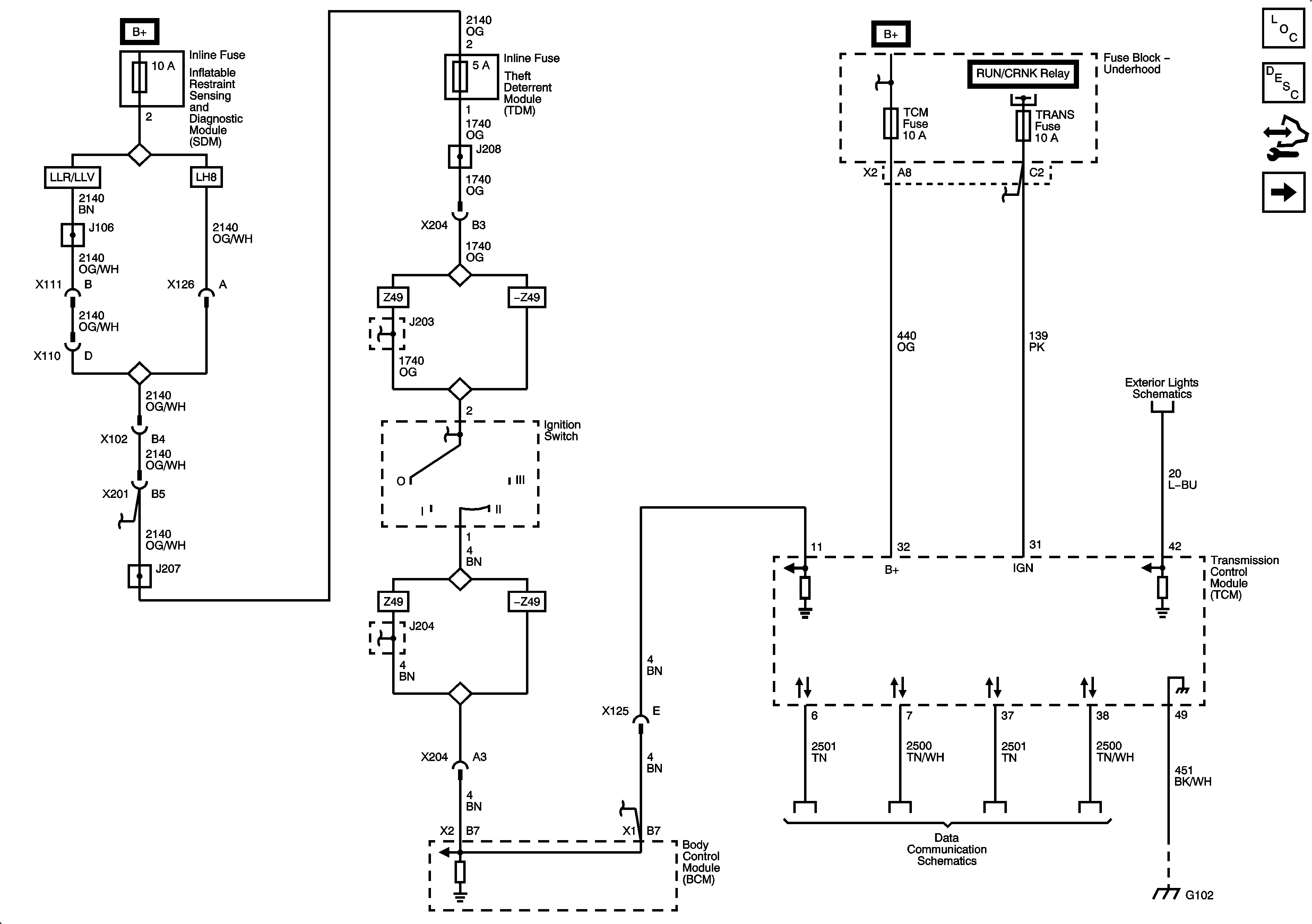
Module Power, Ground, and Data Communications
Figure
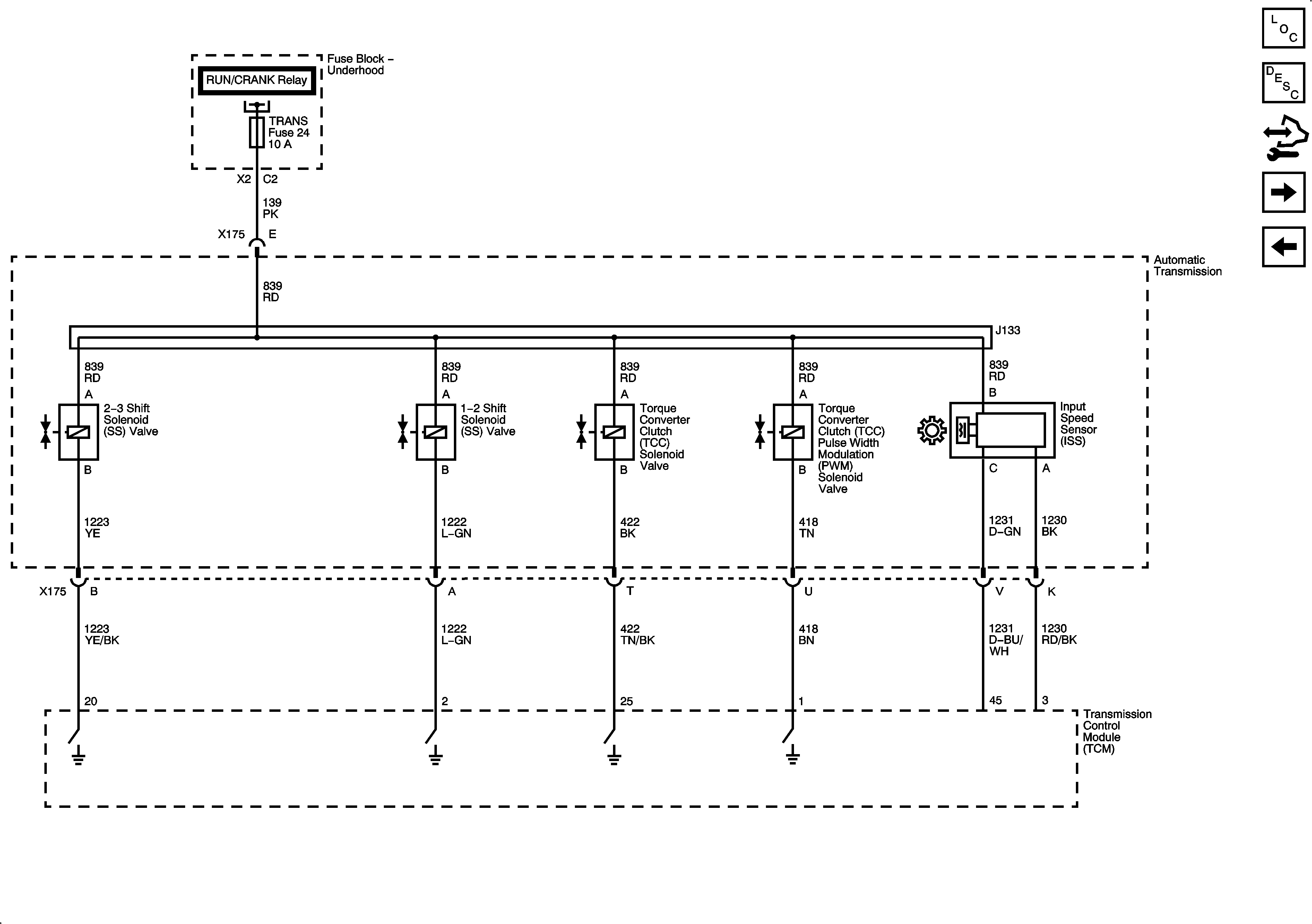
2:
Shift Controls
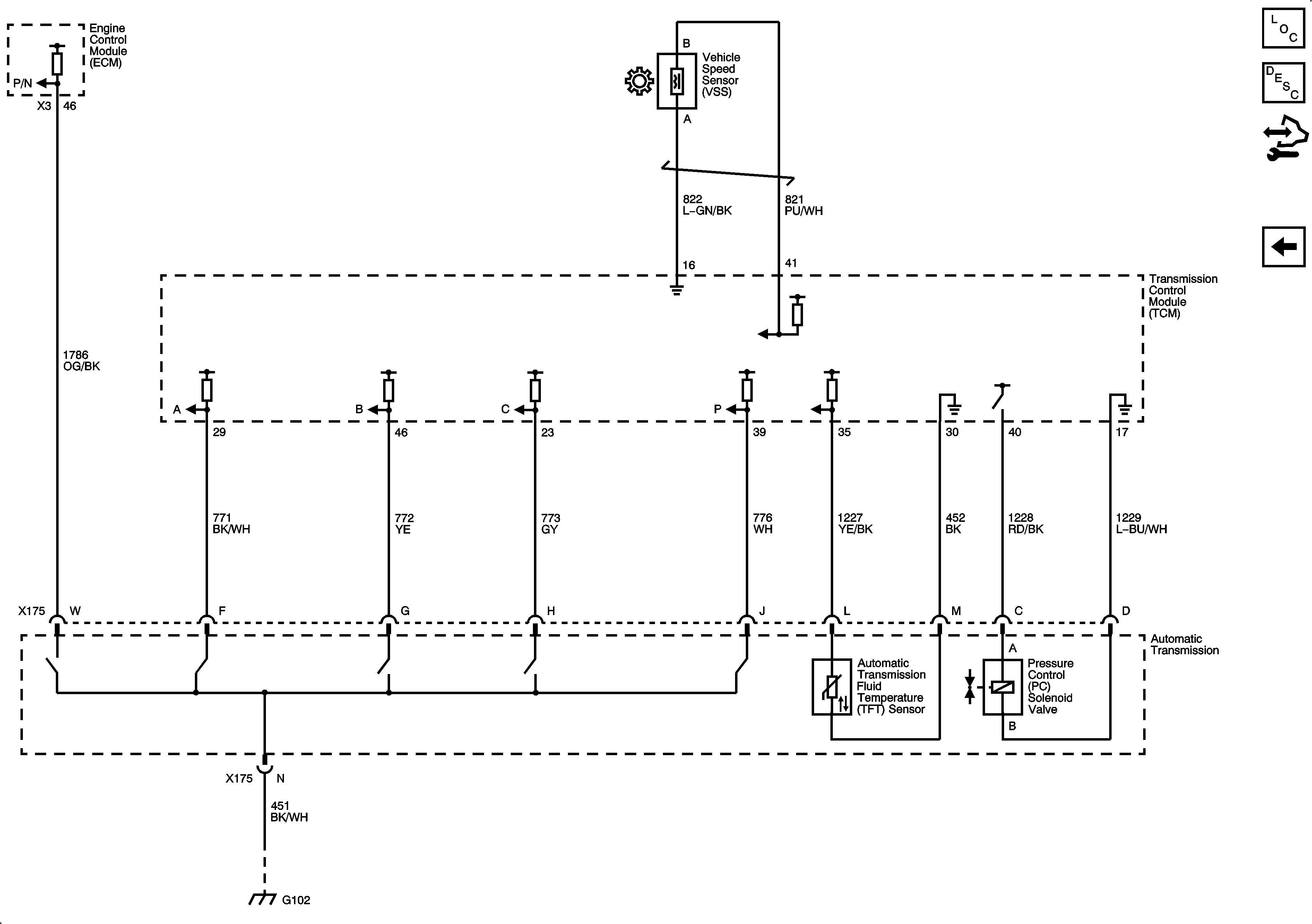
Figure
3:
Fluid and Temperature Controls
Figure
4:
PNP and VSS Signals