GM Service Manual Online
For 1990-2009 cars only
Makes
🢒
Chevrolet
🢒
2009
🢒
Colorado Pickup - 4WD
🢒
Diagnostic Navigation
🢒
Vehicle Diagnostic Information
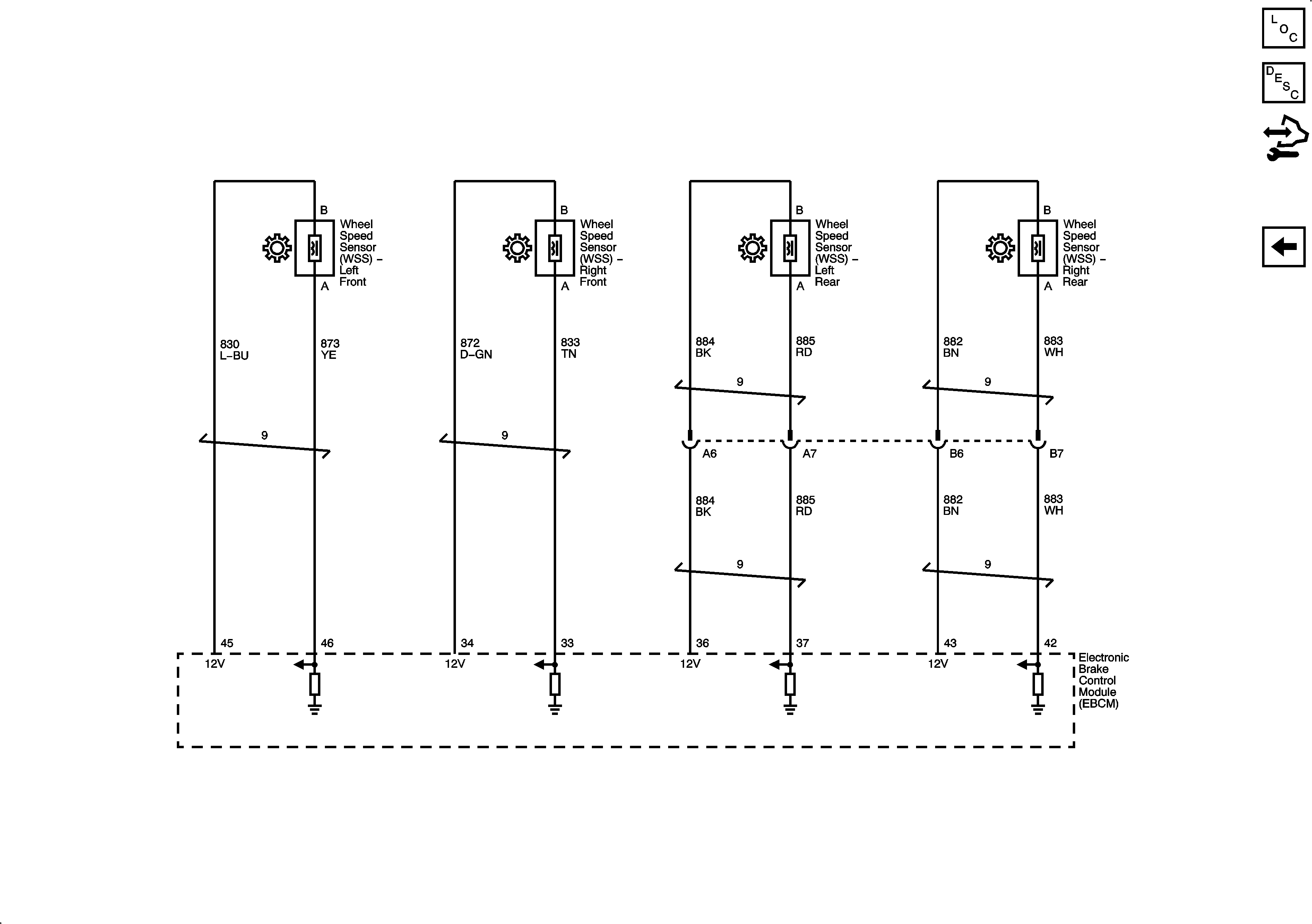
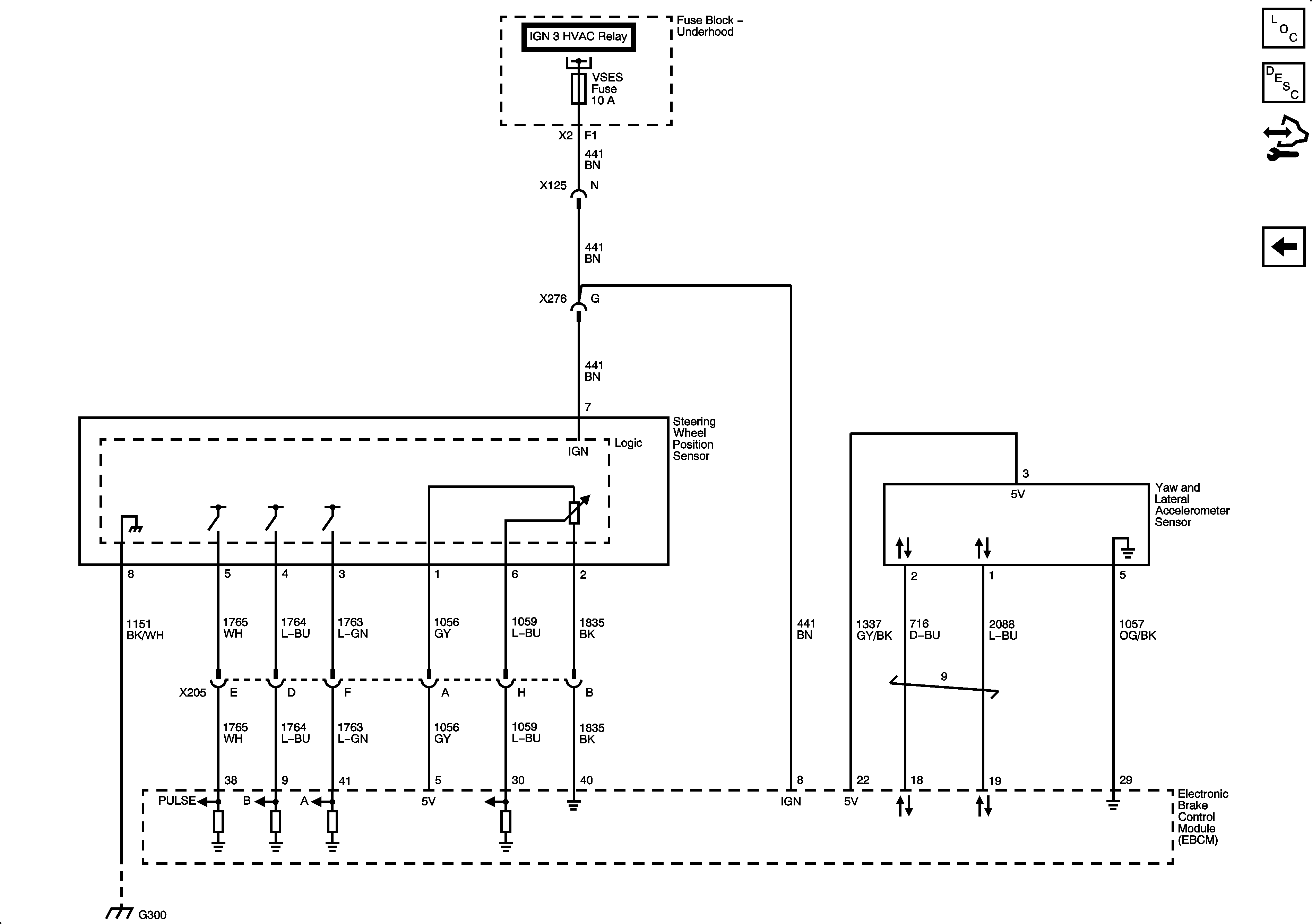
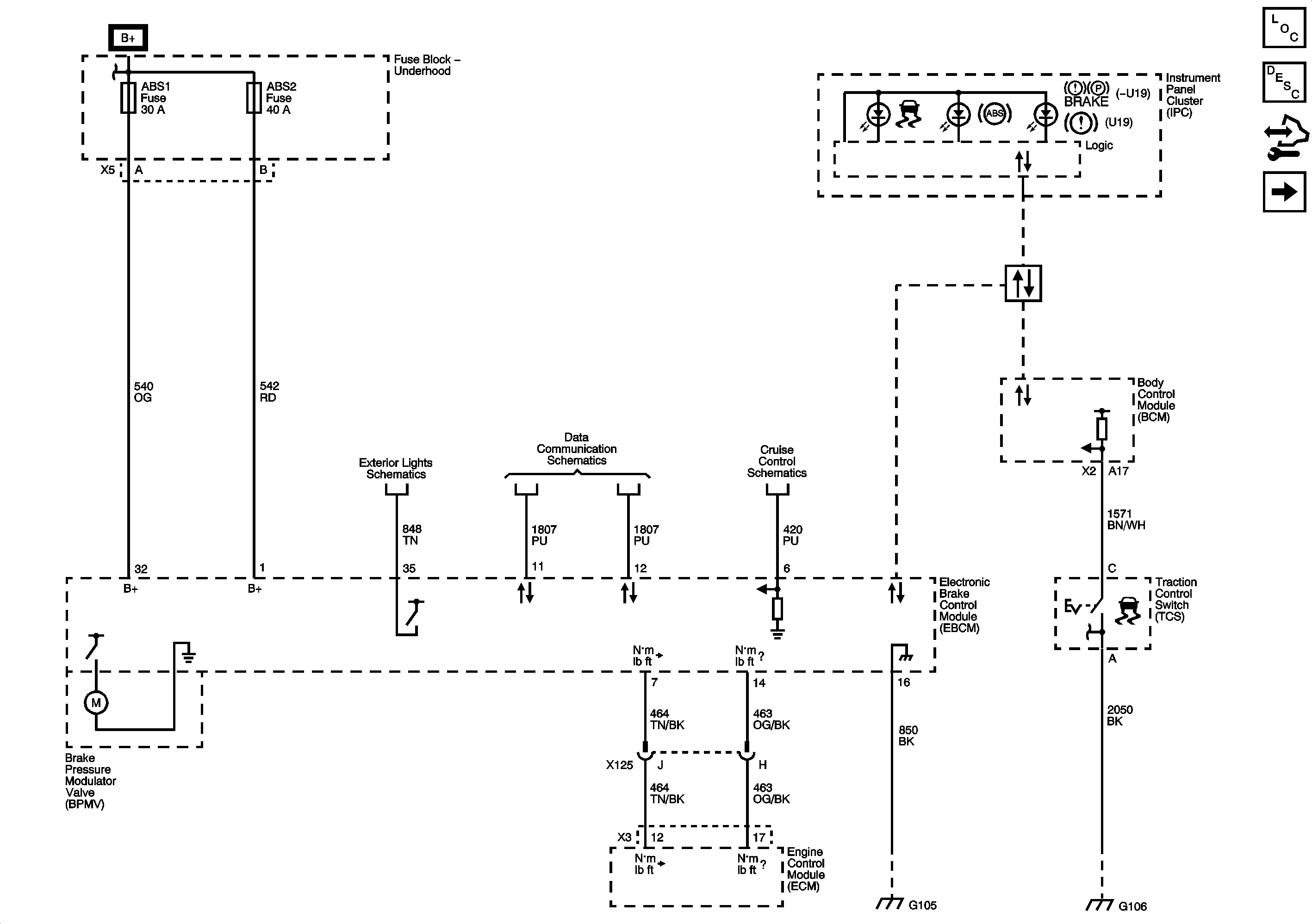
🢒 Antilock Brake System Schematics
Figure
1:
Power, Ground, Serial Data, and Vehicle Inputs
Figure
2:
Traction Control (NW7)
Figure
3:
Vehicle Stability - JL4