GM Service Manual Online
For 1990-2009 cars only

Transmission Mount Replacement 2WD

Removal Procedure


    Object Number: 1235550  Size: SH
  1. Raise and support the vehicle. Refer to Lifting and Jacking the Vehicle.
  2. Support the transmission with a transmission jack.
  3. Remove the 2 nuts securing the transmission mount to the transmission support.
  4. Raise the transmission off of the transmission support.

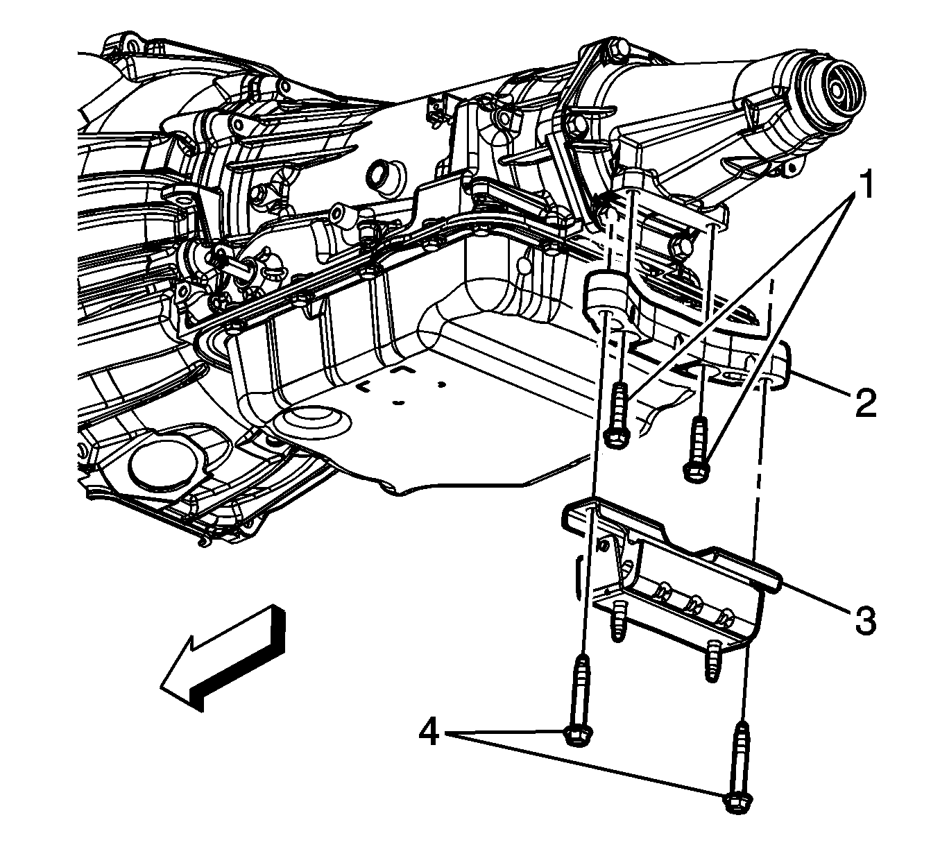
  5. Object Number: 2007877  Size: SH
  6. Remove the transmission mount bolts (4).
  7. Remove the transmission mount (3).
  8. Remove the transmission mount spacer bolts (1).
  9. Remove the transmission mount spacer (2).

Installation Procedure


    Object Number: 2007877  Size: SH
  1. Install the transmission mount spacer (2).
  2. Install the transmission mount spacer bolts (1).
  3. Install the transmission mount (3).
  4. Caution: Refer to Fastener Caution in the Preface section.

  5. Install the bolts (4) and tighten to 55 N·m (41 lb ft).

  6. Object Number: 1235550  Size: SH
  7. Lower the transmission and install the 2 nuts securing the transmission mount to the transmission support.
  8. Tighten the nuts to 57 N·m (42 lb ft).

  9. Remove the transmission jack.
  10. Lower the vehicle.

Transmission Mount Replacement 4WD

Removal Procedure

  1. Remove the transmission support. Refer to Transmission Support Crossmember Replacement.

  2. Object Number: 1201366  Size: SH
  3. Remove the transmission mount bolts.
  4. Remove the transmission mount from the vehicle.

Installation Procedure


    Object Number: 1201366  Size: SH
  1. Install the transmission mount to the vehicle.
  2. Caution: Refer to Fastener Caution in the Preface section.

  3. Install the bolts and tighten to 55 N·m (41 lb ft).
  4. Install the transmission support. Refer to Transmission Support Crossmember Replacement.