GM Service Manual Online
For 1990-2009 cars only
Makes
🢒
Chevrolet
🢒
2009
🢒
Colorado Pickup - 4WD
🢒
HVAC
🢒
HVAC - Manual
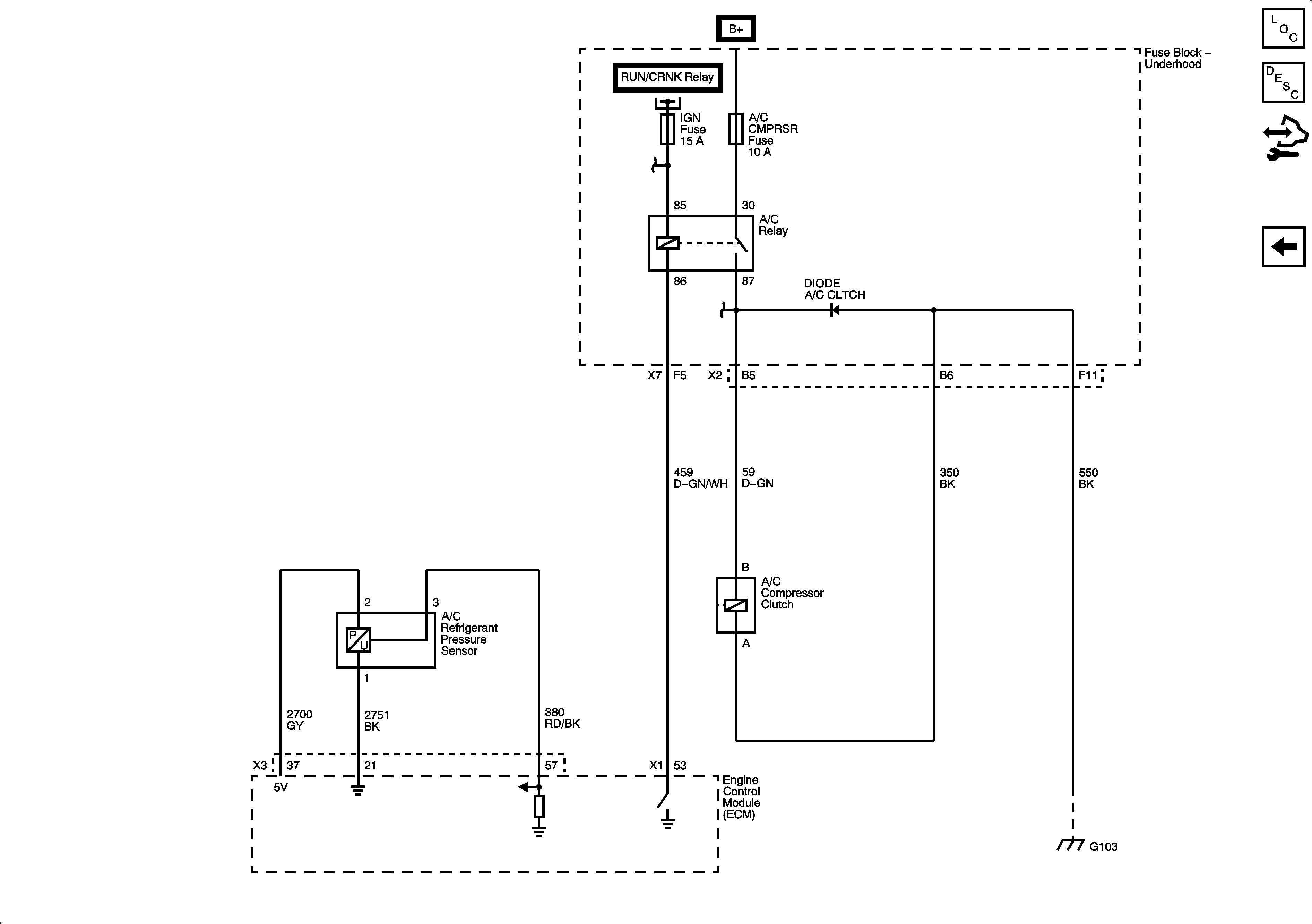
🢒 HVAC Schematics
Figure
1:
Primary Blower and Air Delivery Controls
Figure
2:
Compressor Controls