Refer to
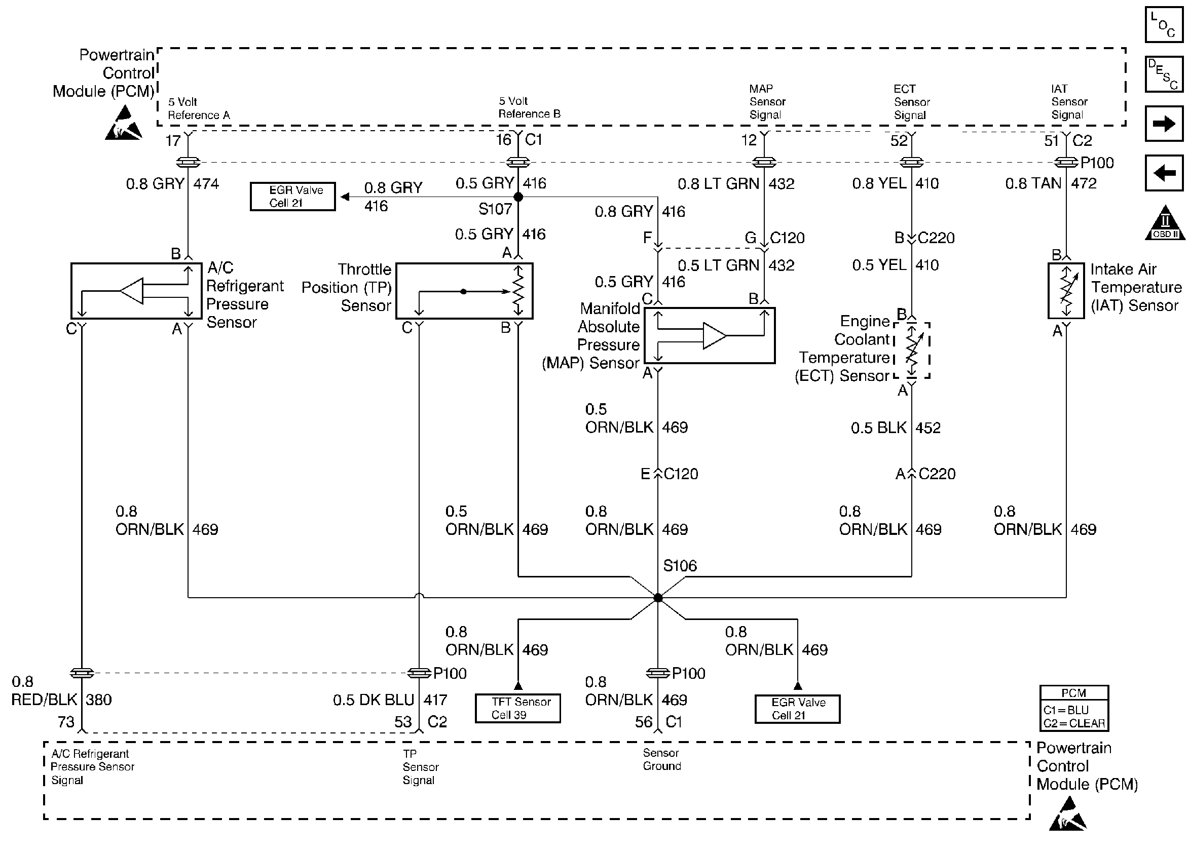
A/C Refrigerant Pressure, TP, MAP, ECT, and IAT Sensors
The PCM uses the 5 Volt Reference A circuit as a sensor feed to the following sensors:
| • | The TP sensor |
| • | The MAP sensor |
| • | The EGR Valve Pintle Position sensor. |
The PCM monitors the voltage on the 5 Volt Reference A circuit. If the voltage is out of tolerance, the PCM will set DTC P1539.
| • | The PCM detects a voltage out of tolerance condition on the 5 Volt Reference A circuit. |
| • | Above condition for longer than 10 seconds. |
| • | The PCM will illuminate the malfunction indicator lamp (MIL) during the second consecutive trip in which the diagnostic test has been run and failed. |
| • | The PCM will store conditions which were present when the DTC set as Freeze Frame and Failure Records data. |
| • | The PCM will turn OFF the MIL during the third consecutive trip in which the diagnostic has been run and passed. |
| • | The History DTC will clear after 40 consecutive warm-up cycles have occurred without a malfunction. |
| • | The DTC can be cleared by using the scan tool. |
Check for the following conditions:
| Important: Be sure to inspect PCM and engine grounds for being secure and clean. |
| • | Poor connection at PCM. Inspect harness connectors for backed out terminals, improper mating, broken locks, improperly formed or damaged terminals, and poor terminal to wire connection. |
| • | Damaged harness. Inspect the wiring harness for damage. If the harness appears to be OK, observe the MAP display on the scan tool with the ignition ON, engine OFF while moving connectors and wiring harnesses related to the following sensors: |
| • | The MAP sensor |
| • | The EGR valve. |
A change in the MAP display will indicate the location of the fault.
Reviewing the Fail Records vehicle mileage since the diagnostic test last failed may help determine how often the condition that caused the DTC to be set occurs. This may assist in diagnosing the condition.
Number(s) below refer to the step number(s) on the Diagnostic Table.
A faulty EGR Valve can leak a small amount of current from the ignition feed circuit to the +5 Volt Reference A circuit. If the problem does not exist with the EGR valve disconnected, replace the EGR valve.
This vehicle is equipped with a PCM which utilizes an Electrically Erasable Programmable Read Only Memory (EEPROM). When the PCM is being replaced, the new PCM must be programmed. Refer to PCM Replacement and Programming Procedures in Powertrain Control Module (PCM) and Sensors.
Step | Action | Value(s) | Yes | No | ||||||
|---|---|---|---|---|---|---|---|---|---|---|
1 | Was the Powertrain On-Board Diagnostic system check performed? | -- | Go to Powertrain OBD System Check | |||||||
2 | Visually/physically check the PCM and engine grounds. Ensure that the grounds are clean and secure. If a problem is found, repair as necessary. Refer to Repair Procedures in Electrical Diagnosis section 8A. Was a problem found? | -- | ||||||||
3 | Select DTC info, Last Test Fail and note any other DTCs set. Is DTC, P0107, P0108, P0122, P0123, P1106, P1107, P1121, P1122, and/or P1406 also set? | -- | Go to other DTC first | |||||||
4 |
Is voltage greater than the specified value indicated? | 5.5V | ||||||||
Is voltage greater than the specified value still indicated with the EGR valve disconnected? | 5.5V | |||||||||
6 |
Was a problem found? | -- | ||||||||
7 |
Was a problem found? | -- | ||||||||
8 | Replace the EGR valve. Is action complete? | -- | -- | |||||||
9 | Is voltage less than the specified value indicated? | 4.5V | ||||||||
10 |
Was a problem found? | -- | ||||||||
Replace PCM. Important: The replacement PCM must be programmed Refer to PCM Replacement/Programming. Is action complete? | -- | -- | ||||||||
12 | Review and record scan tool Fail Records data. Clear DTCs.
Does scan tool indicate DTC P1635 failed this ign? | -- | Repair complete |