GM Service Manual Online
For 1990-2009 cars only

Refer to

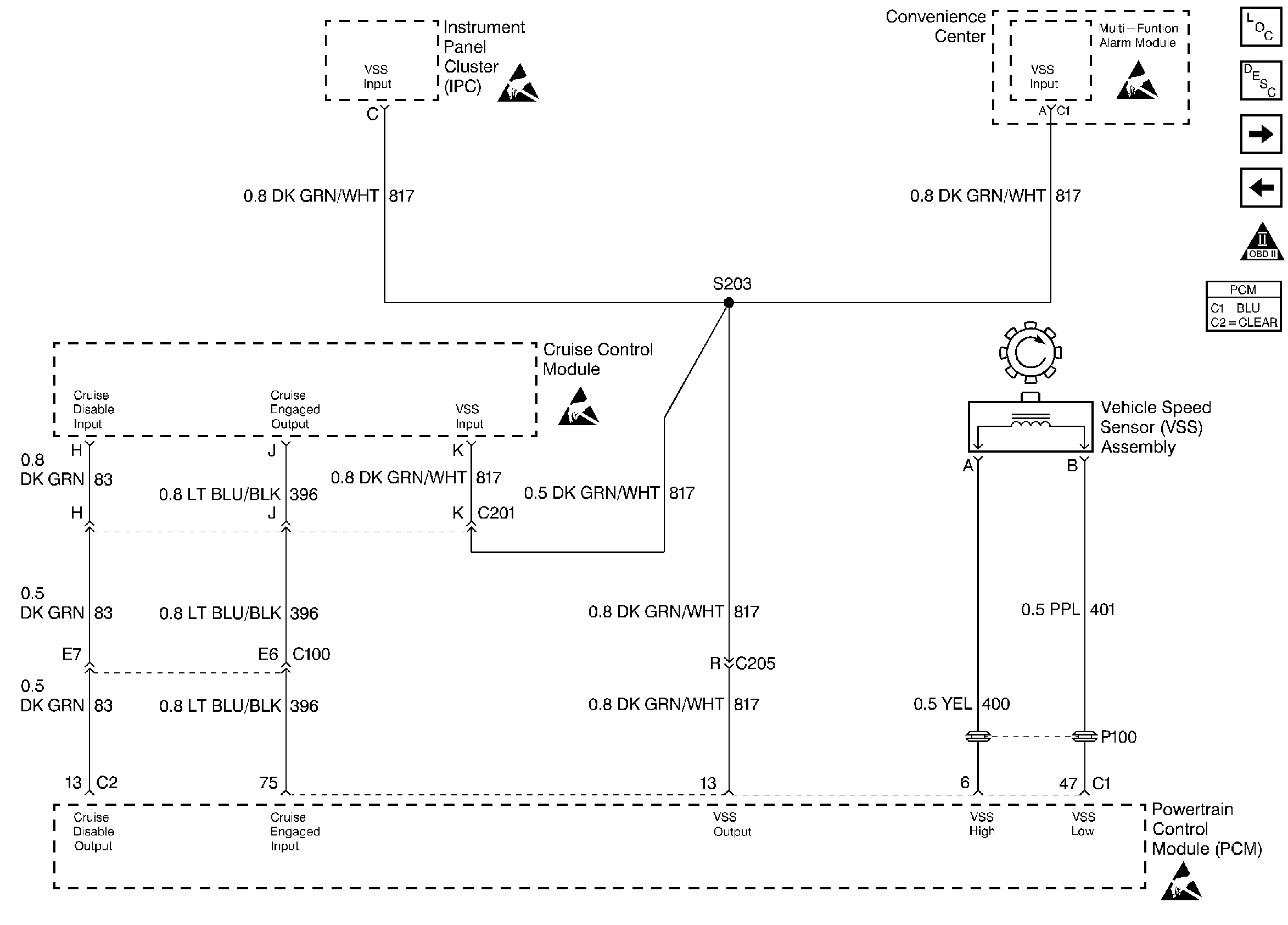
Cruise Control Module and Vehicle Speed Sensor Assembly


Object Number: 30333  Size: FS
Brake Switch Assembly and Automatic Transaxle
Idle Air Control Valve and Transaxle Range (TR) Switch
OBD II Symbol Description Notice
Handling ESD Sensitive Parts Notice
Handling ESD Sensitive Parts Notice
Handling ESD Sensitive Parts Notice

Circuit Description

Output Driver Modules (ODMs) are used by the PCM to turn on many of the current-driven devices that are needed to control various engine and Transaxle functions. Each ODM is capable of controlling up to 7 separate outputs by applying ground to the device which the PCM is commanding ON.

Unlike the Quad Driver Modules (QDMs) used in prior model years, ODMs have the capability of diagnosing each output circuit individually. DTC P1662 set indicates an improper voltage level has been detected on ODM C output 2, which controls the cruise inhibit output.

Conditions for Setting the DTC

    • Ignition is ON.
    • An improper voltage level has been detected on the cruise inhibit output driver circuit.
    • Above conditions for at least 20 seconds.

Action Taken When the DTC Sets

    • The PCM will not illuminate the malfunction indicator lamp (MIL).
    • The PCM will store conditions which were present when the DTC set as Failure Records data only. This information will not be stored as Freeze Frame data.

Conditions for Clearing the MIL/DTC

    • A History DTC will clear after 40 consecutive warm-up cycles have occurred without a malfunction.
    • The DTC can be cleared by using the scan tool Clear Info function.

Diagnostic Aids

Check for the following conditions:

    • Poor connection at PCM. Inspect harness connectors for backed out terminals, improper mating, broken locks, improperly formed or damaged terminals, and poor terminal to wire connection.
    • Damaged harness. Inspect the wiring harness for damage. If the harness appears to be OK, disconnect the PCM, turn the ignition ON and observe a voltmeter connected to the Cruise inhibit driver circuit at the PCM harness connector while moving connectors and wiring harnesses related to the Cruise inhibit circuit. A change in voltage will indicate the location of the fault.

Reviewing the Fail Records vehicle mileage since the diagnostic test last failed may help determine how often the condition that caused the DTC to be set occurs. This may assist in diagnosing the condition.

Test Description

Number(s) below refer to the step number(s) on the Diagnostic Chart.

  1. Normally, ignition feed voltage present on the output driver circuit with the PCM disconnected and the ignition turned ON.

  2. Checks for a shorted component or a short to B+ on the output driver circuit. Either condition would result in a measured current of over 0.5 amp.

  3. Checks for a faulty stepper motor cruise control module.

  4. This vehicle is equipped with a PCM which utilizes an Electrically Erasable Programmable Read Only Memory (EEPROM). When the PCM is being replaced, the new PCM must be programmed. Refer to PCM Replacement and Programming Procedures in Powertrain Control Module (PCM) and Sensors.

DTC P1662 - Cruise Control Inhibit Control Circuit

Step

Action

Value(s)

Yes

No

1

Was the Powertrain On-Board Diagnostic System Check performed?

--

Go to Step 2

Go to the Powertrain OBD System Check

2

  1. Ignition OFF, disconnect the PCM.
  2. Ignition ON.
  3. Using DVM (J 39200), measure voltage between the cruise inhibit driver circuit at the PCM harness connector and ground.

Is voltage near the specified value?

B+

Go to Step 3

Go to Step 6

e

  1. Set up DVM to measure 10 amp range.
  2. Measure current between the cruise inhibit driver circuit and ground.
  3. Monitor the current reading on the DVM for at least 2 minutes.

Does the current reading remain less than the specified value?

0.5 Amp

Go to Step 11

Go to Step 4

4

  1. Disconnect the SMCC module.
  2. Leave the PCM disconnected.
  3. Using DVM, measure voltage between the cruise inhibit driver circuit and ground.

Is voltage at the specified value?

0V

Go to Step 14

Go to Step 5

5

Locate and repair short to voltage in the cruise inhibit driver circuit. Refer to Repair Procedures in Electrical Diagnosis Section 8A.

Is action complete?

--

Go to Step 16

--

6

Check the ignition feed fuse for the SMCC module.

Is the fuse blown?

--

Go to Step 7

Go to Step 8

7

  1. Locate and repair short to ground in ignition feed circuit for the SMCC module. Refer to Fuse Block Details in Electrical Diagnosis.
  2. Replace fuse.

Is action complete?

--

Go to Step 16

--

8

  1. Disconnect the SMCC module.
  2. Ignition ON, measure voltage between the ignition feed circuit for the SMCC module and ground.

Is voltage near the specified value?

B+

Go to Step 9

Go to Step 13

9

  1. Check the cruise inhibit driver circuit for an open or a short to ground.
  2. If a problem is found, repair the cruise inhibit driver circuit.

Was a problem found?

--

Go to Step 16

Go to Step 10

10

  1. Check the cruise inhibit driver circuit and the ignition feed circuit for a poor connection at the SMCC module and at the PCM.
  2. If a problem is found, replace faulty terminal(s).

Was a problem found?

--

Go to Step 16

Go to Step 14

11

  1. Ignition OFF, reconnect the PCM and disconnect the SMCC module.
  2. Ignition ON, connect a test light between the cruise inhibit driver circuit and the ignition feed circuit at the SMCC module harness connector.
  3. Using the scan tool outputs test function, cycle the cruise inhibit output ON and OFF.

Does the test light flash ON and OFF?

--

Go to Diagnostic Aids

Go to Step 12

12

  1. Check the cruise inhibit driver circuit for a poor connection at the PCM.
  2. If a problem is found, replace faulty terminal.

Was a problem found?

--

Go to Step 16

Go to Step 15

13

Locate and repair open in ignition feed circuit to the SMCC module. Refer to Repair Procedures in Electrical Diagnosis Section 8A.

Is action complete?

--

Go to Step 16

--

14

Replace the SMCC module.

Is action complete?

--

Go to Step 16

--

15

Replace the PCM.

Important: The replacement PCM must be programmed. Refer to PCM Replacement/Programming.

Is action complete?

--

Go to Step 16

--

16

  1. Review and record scan tool Fail Records data.
  2. Clear DTCs.
  3. Operate vehicle within Fail Records conditions as noted.
  4. Using a scan tool, monitor SPECIFIC DTC info for DTC P1662 until the DTC P1662 test runs.

Does scan tool indicate DTC P1662 failed this ignition?

--

Go to Step 2

Repair complete