GM Service Manual Online
For 1990-2009 cars only

Refer to

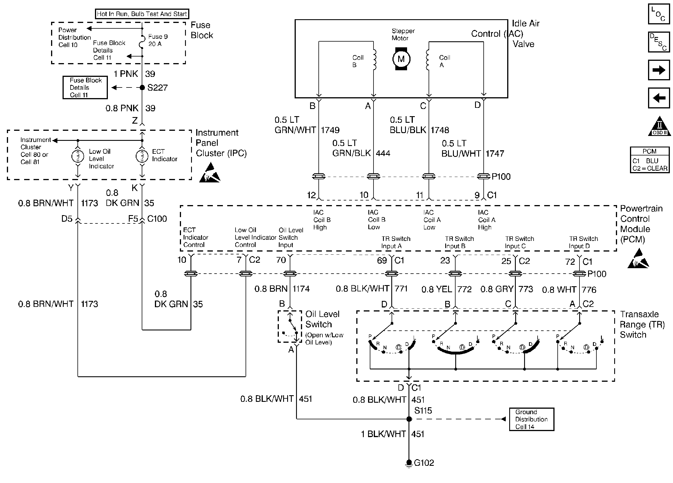
Idle Air Control Valve and Transaxle Range (TR) Switch


Object Number: 30331  Size: FS
Cruise Control Module and Vehicle Speed Sensor Assembly
Heated Oxygen Sensors
OBD II Symbol Description Notice
Handling ESD Sensitive Parts Notice
Handling ESD Sensitive Parts Notice

Circuit Description

Output Driver Modules (ODMs) are used by the PCM to turn on many of the current-driven devices that are needed to control various engine and transaxle functions. Each ODM is capable of controlling up to the device which the PCM is commanding on.

Unlike the Quad Driver Modules (QDMs) used in prior model years, ODMs have the capability of diagnosing each output circuit individually. DTC P1673 set indicates an improper voltage level has been detected on ODM D output 3, which controls the Hot Lamp Control Circuit.

Conditions for Setting the DTC

    • Ignition ON
    • An improper voltage level has been detected on the Engine Hot Light driver circuit.
    • Above conditions for at least 20 seconds

Action Taken When the DTC Sets

    • The PCM will not illuminate the malfunction indicator lamp (MIL).
    • The PCM will store conditions which were present when the DTC set as Failure Records data only. This information will not be stored as Freeze Frame data.

Conditions for Clearing the MIL/DTC

    • A History DTC will clear after 40 consecutive warm-up cycles have occurred without a malfunction.
    • The DTC can be cleared by using the scan tool Clear Info function.

Diagnostic Aids

Check for the following conditions:

    • Check for poor connections at the PCM. Inspect harness connectors for backed out terminals, improper mating, broken locks, improperly formed or damaged terminals, and poor terminal to wire connection.
    • Check for damaged harnesses. Inspect the wiring harness for damage. If the harness appears to be OK, disconnect the PCM, turn the ignition ON and observe a voltmeter connected to the Engine Hot Lamp driver circuit at the PCM harness connector while moving connectors and wiring harnesses related to the Engine Hot Lamp circuit, A change in voltage will indicate the location of the fault.

Reviewing the Fail Records vehicle mileage since the diagnostic test last failed may help determine how often the condition that caused the DTC to be set Occurs. This may assist in diagnosing the condition.

Test Description

  1. This vehicle is equipped with a PCM which utilizes an Electrically Erasable Programmable Read Only Memory (EEPROM). When the PCM is being replaced, the new PCM must be programmed. refer to PCM Replacement/Programming .

Step

Action

Value(s)

Yes

No

1

Was the Powertrain On-Board Diagnostic (OBD) System Check performed?

--

Go to Step 2

Go to Powertrain OBD System Check

2

Check engine coolant level, be sure there is sufficient coolant in system.

  1. Ignition off
  2. Disconnect the PCM
  3. Ignition on
  4. With test light to B+, probe Hot Light circuit at PCM harness connector

Is test light on?

 

Go to Step 3

Go to Step 6

3

Reconnect the PCM

Check temperature gauge and Scan Tool.

Does either indicate excessive temperatures?

--

Repair excessive temperature or circuits

Go to Step 4

4

Ignition on

With DVM check voltage at Hot Lamp circuit at PCM harness connector.

Does DVM display near specified value?

12V

Go to Step 6

Go to Step 5

5

Check Hot Lamp circuit for short to ground.

Was a problem found?

--

Go to Step 8

Go to Step 7

6

  1. Check for an open ignition feed circuit to Hot Lamp.
  2. Check for poor terminal connection at PCM.
  3. If problem is found repair as necessary.

Was a problem Found?

--

Go to Step 9

Go to Step 7

7

Replace PCM.

Important: Replacement PCM must be programmed. Refer to PCM Replacement/Procedure?

Is action complete?

--

Go to Step 9

--

8

Locate and repair short to ground at Hot Lamp circuit.

Is action complete?

--

Go to Step 9

--

9

  1. Review and record scan tool Fail Records Data.
  2. Clear the DTC's.
  3. Operate the vehicle within Fail Records conditions as noted.
  4. Using scan tool monitor Specific DTC information for DTC P1673 until DTC test runs.

Does scan tool indicate DTC P1673 failed this ignition?

--

Go to Step 02

Repair complete. If driveability symptom still exists, refer to Symptoms