GM Service Manual Online
For 1990-2009 cars only

SPECIAL POLICY ADJUSTMENT WHITE PAINT DISCOLORATION

Model and Year: 1988-89 CHEVROLET CORVETTE

General Motors has determined that some 1988-89 Corvette model vehicles painted WHITE (1988 paint code 40L & 1989 paint code 10L) may exhibit a yellowing of paint on or around the headlamp doors. This condition is due to a reaction of the clear coat to some rubber components in the engine compartment.

VEHICLES INVOLVED

Involved are all WHITE 1988 Chevrolet Corvettes and some WHITE 1989 models within the following VIN breakpoints:

YEAR MODEL PLANT FROM THROUGH ----------- ----- ---- ------- 1988 "Y" Bowling Green J5100003 J5122120

1989 "Y" Bowling Green K5101074 K5113927

SPECIAL POLICY ADJUSTMENT

This special policy covers the condition described above for a period of three (3) years with unlimited mileage, from the date the vehicle was originally placed in service. Correction will consist of installation of a service kit and additional repair for those involved vehicles, as outlined in Chevrolet Dealer Service Bulletin 89-136-10.

This "Special Policy Adjustment Bulletin" should be filed in the three ring binder previously furnished to dealers by General Motors.

REIMBURSEMENT

Customer claims for reimbursement on previously paid repairs to correct a white paint discoloration condition are to be submitted according to the forms and instructions included in this bulletin (additional copies to be reproduced locally). Owners must submit original documentation that reasonably confirms the amount of unreimbursed repair expenses, a description of the repair, the date of the repair, and the person or entity performing the repair.

PARTS INFORMATION

Parts are to be obtained from General Motors Service Parts Operations (GMSPO). To ensure these parts will be obtained as soon as possible, they should be ordered on a "C.I.O." order with no special instruction code, but on an advise code (2).

PART NUMBER DESCRIPTION QUANTITY/VEHICLE ----------- ----------- ---------------- 10105330 Service Kit 1 10137733 Headlamp Door UH 1 10137734 Headlamp Door R/H 1

SERVICE PROCEDURE

Chevrolet Service Bulletin 89-136-10 dated April, 1989, reproduced within this bulletin, contains all procedures necessary to perform this Service.

CLAIM INFORMATION

Submit a Claim with the information indicated below:

** *** REPAIR FAILED PARTS LABOR LAB OTH NET PERFORMED PC PART NO ALLOW CC/FC Op HRS HRS AMT --------- -- -------- ----- ----- -- --- --- ---

Install Service 1 10105330 * VO-95 T1440 3.9 #.# $#.## Kit, Wash Engine & Compartment. Rpl. & Paint HDLP Doors & Paint RH Bezel - 1988 built PRIOR to VIN J5120731

Install Service 1 10105330 * VO-95 T1441 1.9 #.# $#.## Kit, Wash Engine & Compartment -1988 built AFTER VIN J5120731 - 1989 built PRIOR to VIN K5113927

* The "Parts Allowance" should be the sum total of the current GMSPO Dealer Net price plus 30% of all parts required for the repair.

* * The "Other Hours" should be the sum total of the additional labor time necessary to "Rub and Polish", "Spot or Partial Paint" or additional painting and Clear coat as noted on page 2 and 3 of Chevrolet Service Bulletin 89-136-10.

*** The $ #.## identified in the "Net Amount" column represents the cost plus 30% for paint used in conjunction with these labor operations.

Refer to the Chevrolet Claims Processing Manual for details on Claim Submission.

INSTRUCTIONS

1 R.O.# & DATE The dealership should enter the repair order number and date of the owner's or dealer's paid receipt or invoice.

2 REQUEST DATE (MONTH. DAY Date owner or dealer requested reimbursement.

3 VEHICLE IDENTIFICATION NUMBER VIN involved.

4 MILEAGE Enter mileage at time of transaction. (If not available, enter "O")

5 CC/FC Code is preprinted on form.

6 LABOR OPERATION Labor Operation is preprinted on form.

7&8 SUBLET DMN & Enter total amount of reimbursement. (Do not enter LINE TOTAL parts or labor hours on claim.)

9 AUTH CODE If the amount of reimbursement approved is $500 or less, no authorization is needed. If the amount exceeds $500, advise customer to contact Chevrolet Customer Assistance at 1-800-222-1020.

10 REQUESTED Dealer Service Manager enter amounts determined REIMBURSEMENT from owner supplied invoices or paid receipts, which are covered.

11 APPROVED AMOUNT Dealer Service Manager to determine based on reimbursement policy of this bulletin. If the total amount exceeds $500, contact Chevrolet Branch Customer Assistance Representative for instructions.

12 740 STAMP See Item #11 to determine need for authorization.

13 DEALER REFERENCE INFORMATION A Enter Document Number and Line Number on which claim was submitted.

B Enter Claim Memo Number and Date when claim is credited.

C Enter number of dealer check to owner, if applicable. Date check was written, if applicable. Date copy of check was attached to OWNER REQUEST FOR REIMBURSEMENT file.

14 OWNER INFORMATION Must include telephone number.

15 DEALER INFORMATION Includes Dealer Code, Dealer Name, Service Manager's signature and social security number. To be completed by Service Manager.

16 EXPLAIN Should the dealer Service Manager determine, after review of owner's invoices/receipts, that the reimbursement case is not eligible; Service Manager should write reason on worksheet, explain to owner, and place a copy of the worksheet in the file.

17 The dealer is then to issue the owner a check for the reimbursement in the approved amount. A copy of the check issued to the owner is to be attached to the dealer's file copy of the request and retained for 24 months from date of credit.

Some customers may comment regarding the yellowing of paint on or around the headlamp doors on 1988-89 Corvettes (WHITE PAINT ONLY). This condition is due to a reaction of the clear coat to some rubber components in the engine compartment.

IMPORTANT: 1. Vehicles with VINs after K5113927 are not affected with this condition.

2. Previously repaired vehicles can be identified by inspecting the underside of the inlet radiator hose for new part #10135650 molded into the hose, or a green band on the drive belt, new part #10105314.

To correct this condition, a new service kit, P/N 10105330, is available from GMSPO and contains the following parts:

1 - Radiator hose, inlet 1 - A.I.R. hose, to check valve 1 - Radiator hose, outlet 1 - A.I.R. hose, to cat. conv. 1 - Heater hose, inlet 1 - A.I.R. hose, ck/valve/silencer 1 - Heater hose, outlet 1 - A.I.R. hose, to check valve (less KC4) 1 - Throttle body coolant hose 1 - Heater hose, outlet 1 - Belt, accessory drive (with KC4)

REPAIR PROCEDURE: (Use on vehicles with VINs prior to J5120731.)

1. Drain the cooling system and replace the radiator hoses, throttle body coolant hose, heater inlet hose and the heater outlet hose.

IMPORTANT: Both KC4 option (Engine Oil Cooling System) and standard heater outlet hoses are included in this kit. The correct hose usage will depend on the vehicle option content. See Figures 1 to 4.

2. Replace all A.I.R. hoses included in the kit. See Figures 5 and 6.

3. Replace the accessory drive belt and insure proper routing. Figure 7.

4. Remove and discard the hood support (gas tube). See Figure 8.

5. Make sure that when refilling the cooling system, the proper coolant refill procedure is used. Refer to Service Manual Section 6B.

6. Wash the engine, engine compartment and underside of the hood to remove any drive belt dust or rubber residues.

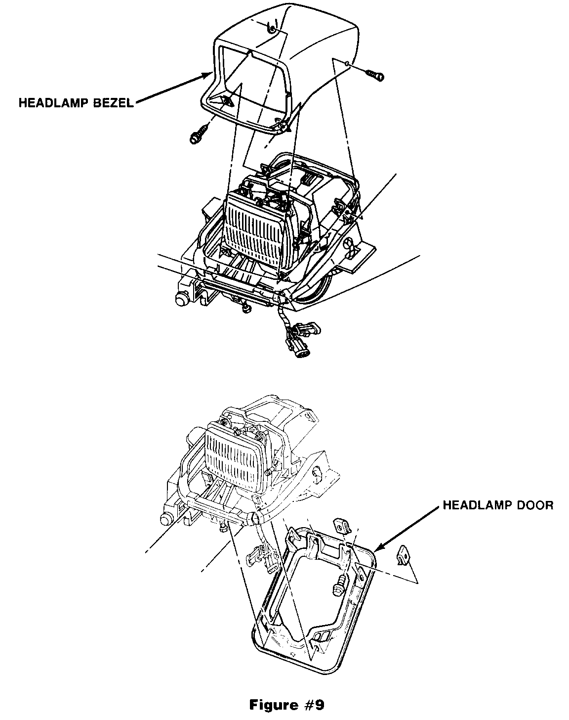
In addition to the installation of the kit, both headlamp doors should be replaced. New headlamp door, P/N 10137733 (left) and 10137734 (right) are available from GMSPO. (See Figure 9.)

It may also be necessary to repaint the right side headlamp bezel only, if heavier yellowing conditions are present. See the PAINTING section described later in this bulletin.

WARRANTY INFORMATION: (For vehicles prior to VIN J5120731.) Labor Operation Number: T1440

INCLUDES:

Kit installation, remove and discard gas tube ....... 1.6 hrs. wash engine compartment and hood underside............ .3 hrs. Replace paint headlamp doors, paint bezel............. 2.0 hrs Material GD Rubbing/polishing OR spot/partial hood painting....... .5 hrs. Material GC Add of additional painting............................ 1.3 hrs. Material GG Add for clear coat................................... .2 hrs Material CA Time Allowance: 4.4 Hours Total (Faint Yellowing) 5.9 Hours Total (Heavier Yellowing)

REPAIR PROCEDURE: (Use on vehicles with VINs after J5120731 but prior to K5113927.)

1. Install kit as previously described in Steps 1 through 6.

2. Refer to the PAINTING section for determining the repairs for "FAINT" or "HEAVIER" yellowing.

WARRANTY INFORMATION: (For vehicles after VIN J5120731 but prior to VIN K5113927.)

Labor Operation: T1441

INCLUDES:

Kit installation, remove and discard gas tube........ 1.6 hrs. wash engine compartment and hood underside........... .3 hrs. Rubbing/polishing OR spot/partial panel paint........ .5 hrs. Material GC Add for additional painting.......................... .8 hrs. Material GD Add for color coat................................... .2 hrs. Material CA Time Allowance: 2.4 Hours Total (Faint Yellowing) 3.4 Hours Total (Heavier Yellowing)

PAINTING

Depending on the amount of the yellowing condition, a number of repairs are possible.

FAINT YELLOWING

1. Use wax and grease remover to remove dirt and grime from the yellowed area on the headlamp door or surrounding hood.

2. Polish the yellowed areas with 3M (R) Super Duty Rubbing Compound, #05955, or equivalent.

3. Follow Step 2 using 3M (R) Finesse-it, #05928, or equivalent to remove swirl marks.

HEAVIER YELLOWING

More sever yellowing may require either "spot/partial panel repair" procedures. Please refer to past "PRO TECH" publication, PROGRAM CV9-1-(88-8), CORVETTE REFINISHING TECHNIQUES.


Object Number: 90796  Size: MF


Object Number: 91552  Size: MF


Object Number: 90276  Size: LF


Object Number: 94257  Size: MF


Object Number: 86189  Size: MF


Object Number: 88547  Size: LF


Object Number: 88945  Size: MF


Object Number: 88210  Size: LF


Object Number: 77503  Size: FS


Object Number: 75153  Size: FS


Object Number: 75152  Size: FS


Object Number: 88378  Size: LF

General Motors bulletins are intended for use by professional technicians, not a "do-it-yourselfer". They are written to inform those technicians of conditions that may occur on some vehicles, or to provide information that could assist in the proper service of a vehicle. Properly trained technicians have the equipment, tools, safety instructions and know-how to do a job properly and safely. If a condition is described, do not assume that the bulletin applies to your vehicle, or that your vehicle will have that condition. See a General Motors dealer servicing your brand of General Motors vehicle for information on whether your vehicle may benefit from the information.