GM Service Manual Online
For 1990-2009 cars only

AFTERMARKET RADIO MAY SET DTC'S 72 & 74 IN CCM (INFO.)

SUBJECT: AFTERMARKET RADIO MAY SET DTC'S 72 AND 74 IN CCM (INFORMATION ONLY)

VEHICLES AFFECTED: 1990-93 "Y" MODEL

APPLICATION:

----------- 1990-93 Y-car - Chevrolet Corvette

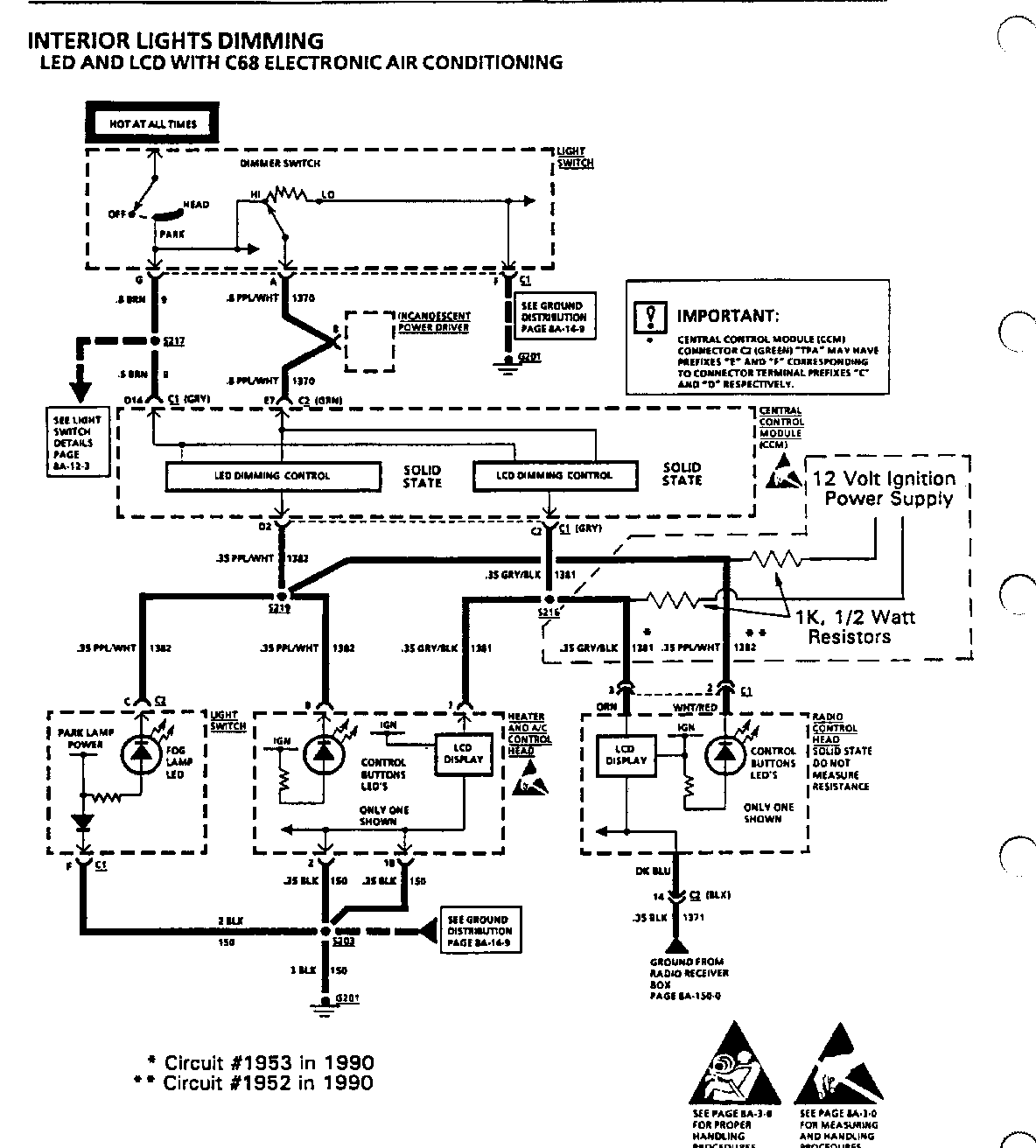
CONDITION:

--------- On the 1990-93 Y-car, Diagnostic Trouble Codes (DTC's) 72 and 74 may be set in CCM if an aftermarket radio is installed. "SYS" will be displayed in the LCD section of the cluster, and the DTC's will be displayed when the diagnostic mode is entered.

CAUSE:

----- With an aftermarket radio installed, DTC's 72 and 74 are likely set because the LCD and LED dimming lines to the radio have gone open circuit, because these inputs do not exist in an aftermarket radio.

CORRECTION:

---------- 1. Disconnect negative battery cable.

2. Remove the radio control head, following the directions in the Service Manual, Section 8C. This will allow access to the radio control head wiring.

3. Add 1 K ohm, 1/2 watt resistors as shown in the illustration. The resistors are available from a local electronics supply store, such as *Radio Shack. The resistors should be connected to a 12 volt ignition- switched circuit. For 1991 to 1993, there is an auxiliary power pickup in the console. For 1990, ignition circuit number 300 should be used. See Section 8A for wiring details.

4. Reinstall the radio, then reconnect negative battery cable. Clear the CCM DTC's as shown in Section 8D, and verify proper operation.

*We believe this sources and their equipment to be reliable. There may be additional manufacturers of such equipment. General Motors does not endorse, indicate any preference for or assume any responsibility for the products or equipment from this firm or for any such items which may be available from other sources.


Object Number: 76804  Size: FS

General Motors bulletins are intended for use by professional technicians, not a "do-it-yourselfer". They are written to inform those technicians of conditions that may occur on some vehicles, or to provide information that could assist in the proper service of a vehicle. Properly trained technicians have the equipment, tools, safety instructions and know-how to do a job properly and safely. If a condition is described, do not assume that the bulletin applies to your vehicle, or that your vehicle will have that condition. See a General Motors dealer servicing your brand of General Motors vehicle for information on whether your vehicle may benefit from the information.