GM Service Manual Online
For 1990-2009 cars only

SERVICE MANUAL UPDATE-SEC. 5E1 ADD'L 'ABS ACTIVE' INDICATOR

SUBJECT: SERVICE MANUAL UPDATE - SECTION 5E1 ADDITIONAL "ABS ACTIVE" INDICATOR DIAGNOSIS

VEHICLES AFFECTED: 1991 "Y" MODELS

1991 CORVETTE SERVICE MANUAL UPDATE - SECTION 5E1 ADDITIONAL "ABS ACTIVE" INDICATOR

This Bulletin adds the diagnosis of "ABS ACTIVE" indicator "ON" with no Diagnostic Trouble Codes (DTCs) set to the ABS diagnostic information in the 1991 Corvette Service Manual Section 5E1, "Antilock Brake System Diagnosis.'

ABS TROUBLE CODE AND SYMPTOM TABLE

CHART SYMPTOM PAGE # ------- ------- ------ A "SERVICE ABS" INDICATOR "ON" WITH NO CODES SET 5E1-14 B "SERVICE ABS" INDICATOR INOPERATIVE 5E1-18 C "ABS ACTIVE" INDICATOR INOPERATIVE 5E1-20 D "ABS ACTIVE" INDICATOR "ON" WITH NO CODES SET ------ Refer to "BRAKE" WARNING LAMP "ON" (Section 5) Sec. 5 Refer to "BRAKE" WARNING LAMP INOPERATIVE (Section 8A) Sec. 8A

TROUBLE CODE DESCRIPTION ------------ -----------

21 RIGHT FRONT WHEEL SPEED SENSOR FAULT 5E1-24 22 RIGHT FRONT TOOTHED WHEEL FREQUENCY ERROR 5E1-26 25 LEFT FRONT WHEEL SPEED SENSOR FAULT 5E1-28 26 LEFT FRONT TOOTHED WHEEL FREQUENCY ERROR 5E1-30 31 RIGHT REAR WHEEL SPEED SENSOR FAULT 5E1-32 32 RIGHT REAR TOOTHED WHEEL FREQUENCY ERROR 5E1-34 35 LEFT REAR WHEEL SPEED SENSOR FAULT 5E1-36 36 LEFT REAR TOOTHED WHEEL FREQUENCY ERROR 5E1-38 41 RIGHT FRONT SOLENOID VALVE FAULT 5E1-40 45 LEFT FRONT SOLENOID VALVE FAULT 5E1-42 55 REAR WHEELS SOLENOID VALVE FAULT 5E1-44 61 PUMP MOTOR OR MOTOR RELAY FAULT 5E1-46 63 SOLENOID VALVE RELAY FAULT 5E1-50 71 ELECTRONIC BRAKE CONTROL MODULE FAULT 5E1-56 72 SERIAL DATA LINE FAULT 5E1-58 75 LATERAL ACCELEROMETER FAULT (SHORT OR OPEN) 5E1-60 76 LATERAL ACCELEROMETER FAULT (SIGNAL OUT OF RANGE) 5E1-62

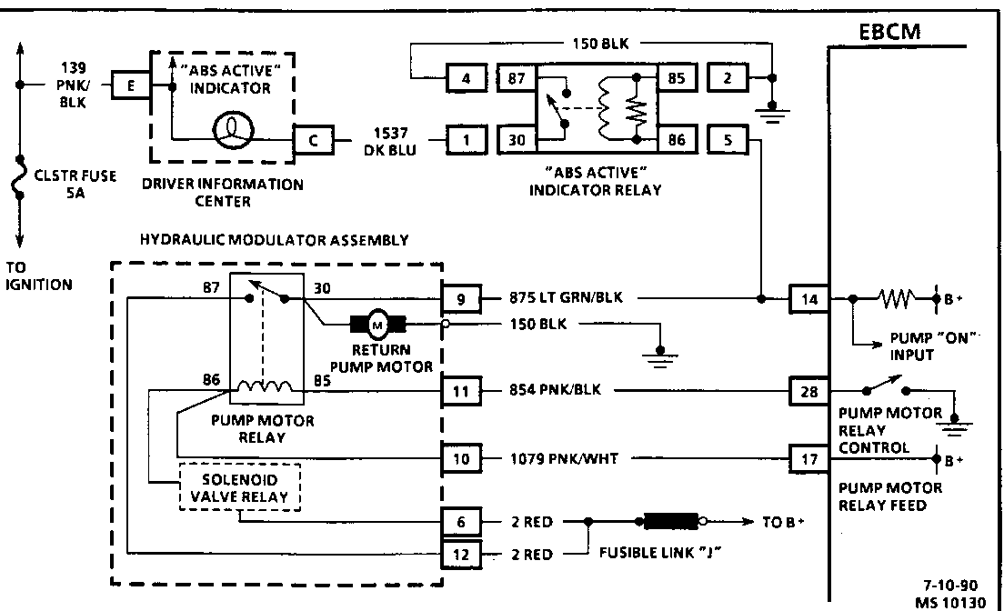
"ABS ACTIVE" INDICATOR "ON" WITH NO DIAGNOSTIC TROUBLE CODES (DTCs) SET

Circuit Description:

The "ABS ACTIVE" indicator is located in the Driver Information Center (DIC) display. Battery voltage is applied with the ignition in the "Run," or "Start" positions through the CLSTR fuse and CKT 139. The indicator is grounded through CKT 1537 through the "ABS ACTIVE" indicator relay contacts to CKT 150 only when the EBCM is active and receiving a Pump "ON" Input signal from the Pump Motor Relay contacts through CKT 2 and Fusible Link "J". The "ABS ACTIVE" indicator will illuminate only while the Return Pump Motor is receiving power.

Test Description: Number(s) below refer to circled number(s) on the diagnostic chart.

1. Checks for relay contacts stuck closed.

2. Checks for short to ground in CKT 1537, either to CKT 150 or another ground source.

Diagnostic Aids:

It is important that a thorough inspection of the wiring and connectors is performed. Failure to properly inspect wiring and connectors could result in misdiagnosis as a malfunctioning EBCM.


Object Number: 80896  Size: FS


Object Number: 79649  Size: FS

General Motors bulletins are intended for use by professional technicians, not a "do-it-yourselfer". They are written to inform those technicians of conditions that may occur on some vehicles, or to provide information that could assist in the proper service of a vehicle. Properly trained technicians have the equipment, tools, safety instructions and know-how to do a job properly and safely. If a condition is described, do not assume that the bulletin applies to your vehicle, or that your vehicle will have that condition. See a General Motors dealer servicing your brand of General Motors vehicle for information on whether your vehicle may benefit from the information.