General Motors of Canada Limited has determined that a defect which relates to motor vehicle safety exists in certain late 1992 and early 1993 Chevrolet Corvette model vehicles equipped with LT1 engines. These vehicles were assembled with a power steering gear inlet hose which may fracture. Since the fluid within this hose is under pressure, fracture of the hose could cause power steering fluid to spray out of the hose and, if an ignition source is present, an engine compartment fire could occur.
To prevent this condition from occurring dealers are to replace the power steering gear inlet hose on involved vehicles.
Involved are CERTAIN late 1992 and early 1993 Chevrolet Corvette model vehicles built within the following VIN breakpoints:
Year Model Plant Plant Code From Through
1992 Chev Corvette Bowling Green "5" N5116788 N5118720 1993 Chev Corvette Bowling Green "5" P5100156 P5102497
All affected vehicles have been identified by the VIN listing provided to involved dealers with this bulletin. Any dealer not receiving a listing was not shipped any of the affected vehicles.
DEALER CAMPAIGN RESPONSIBILITY:
All unsold new vehicles in dealer's possession and subject to this campaign must be held and inspected/repaired per the Service Procedure of this Campaign Bulletin before owners take possession of these vehicles.
Dealers are to perform this campaign on all involved vehicles at no charge to owners, regardless of kilometres traveled, age of vehicle, or ownership, from this time forward.
Whenever a vehicle subject to this campaign is taken into your new or used vehicle inventory, or it is in your dealership for service, you are to ensure the campaign correction has been made before selling or releasing the vehicle.
Owners of vehicles recently sold from your new vehicle inventory are to be contacted by the dealer, and arrangements made to make the required correction according to instructions contained in this bulletin.
In summary, whenever a vehicle subject to this campaign is taken into your new or used vehicle inventory, or is in your dealership for service in the future, please take the steps necessary to be sure the campaign correction has been made before selling or releasing the vehicle.
Refer to Section 4 of the Service Policies and Procedures Manual for the detailed procedure on handling Product Campaigns. Dealers are requested to complete the campaign on all transfers as soon as possible.
All owners of record at the time of campaign release are shown on the attached computer listing and have been notified by first class mail from General Motors. The listings provided are for campaign activity only and should not be used for any other purpose.
PARTS
Parts required to complete this campaign should be ordered through regular channels, as follows:
Part Number Description Quantity/Vehicle
26025064 Power Steering Gear Inlet Hose 1
993294 Power Steering Fluid 500 ml
PARTS AND LABOUR CLAIM INFORMATION:
Credit for the campaign work performed will be paid upon receipt of a properly completed campaign claim card or DCS transmission in accordance with the following:
Repair Code Description Time Allowance
2A Install New Power Steering Gear Inlet Hose 1.2
Time allowance includes 0.1 hour for dealer administrative detail associated with this campaign. Parts credit will be based on dealer net plus 30% to cover parts handling.
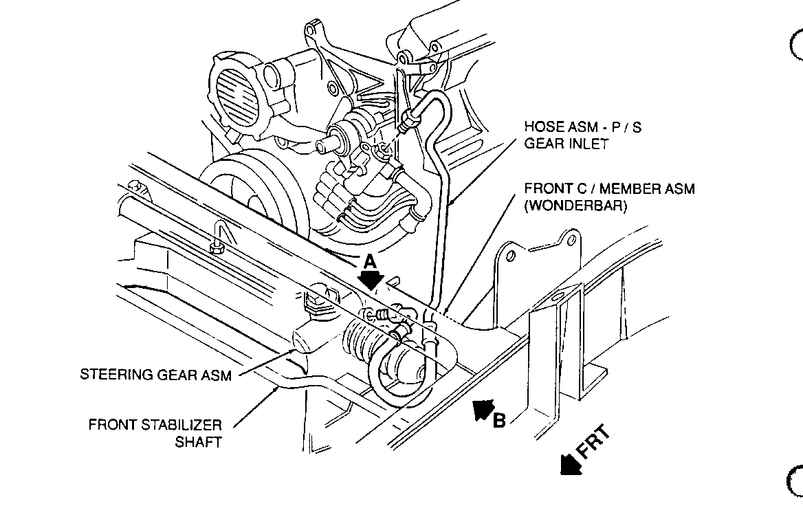
Figures on Page 4 may assist in performing this repair procedure.
1. Install new power steering gear inlet hose following procedures on Page 3B-6 of either the 1992 Corvette Service Manual (ST-364-92-1) or the 1993 Corvette Service Manual (ST-364-93PSID).
2. Insall Campaign Identification Label.
INSTALLATION OF CAMPAIGN IDENTIFICATION LABEL
Clean surface of radiator upper mounting panel and apply a Campaign Identification Label. Make sure the correct campaign number is inserted on the label. This will indicate that the campaign has been completed.
General Motors bulletins are intended for use by professional technicians, not a "do-it-yourselfer". They are written to inform those technicians of conditions that may occur on some vehicles, or to provide information that could assist in the proper service of a vehicle. Properly trained technicians have the equipment, tools, safety instructions and know-how to do a job properly and safely. If a condition is described, do not assume that the bulletin applies to your vehicle, or that your vehicle will have that condition. See a General Motors dealer servicing your brand of General Motors vehicle for information on whether your vehicle may benefit from the information.