GM Service Manual Online
For 1990-2009 cars only

    Object Number: 26744  Size: SH
  1. Apply a 5 mm (0.197 in) bead of the RTV sealer, P/N 12346141 or the equivalent, to the front of the engine. Extend the bead 13 mm (0.50 in) up each cylinder head assembly in order to retain and seal the gaskets.

  2. Object Number: 26743  Size: SH
  3. Apply a 5 mm (0.197 in) bead of the RTV sealer, P/N 12346141 or the equivalent, to the rear of the engine. Extend the bead 13 mm (0.50 in) up each cylinder head assembly in order to retain and seal the gaskets.

  4. Object Number: 11460  Size: SH
  5. Install the intake manifold with new gaskets.

  6. Object Number: 11456  Size: SH
  7. Install the intake manifold bolts and studs.
  8. Tighten

        • On the first pass, tighten the intake manifold bolts and the studs to 8 N·m (71 lb in) in sequence.

    Notice: Use the correct fastener in the correct location. Replacement fasteners must be the correct part number for that application. Fasteners requiring replacement or fasteners requiring the use of thread locking compound or sealant are identified in the service procedure. Do not use paints, lubricants, or corrosion inhibitors on fasteners or fastener joint surfaces unless specified. These coatings affect fastener torque and joint clamping force and may damage the fastener. Use the correct tightening sequence and specifications when installing fasteners in order to avoid damage to parts and systems.

        • On the second pass, tighten the intake manifold bolts and the studs to 48 N·m (35 lb ft) in sequence.

    Object Number: 11459  Size: SH
  9. Install the throttle body gasket, the throttle body, and bolts.
  10. Tighten
    Tighten the throttle body bolts to 25 N·m (18 lb ft).

  11. Install the accelerator cable bracket and the bolts.
  12. Tighten
    Tighten the accelerator control cable bracket bolts to 12 N·m (106 lb in).


    Object Number: 11454  Size: SH
  13. For LT1 engines, install the EGR valve, gasket and nuts.
  14. Tighten
    Tighten the EGR valve nuts to 25 N·m (18 lb ft).


    Object Number: 22769  Size: SH
  15. For LT4 engines, install the EGR cover plate, gasket, and nuts.
  16. Tighten
    Tighten the EGR cover plate nuts to 25 N·m (18 lb ft).


    Object Number: 11449  Size: SH
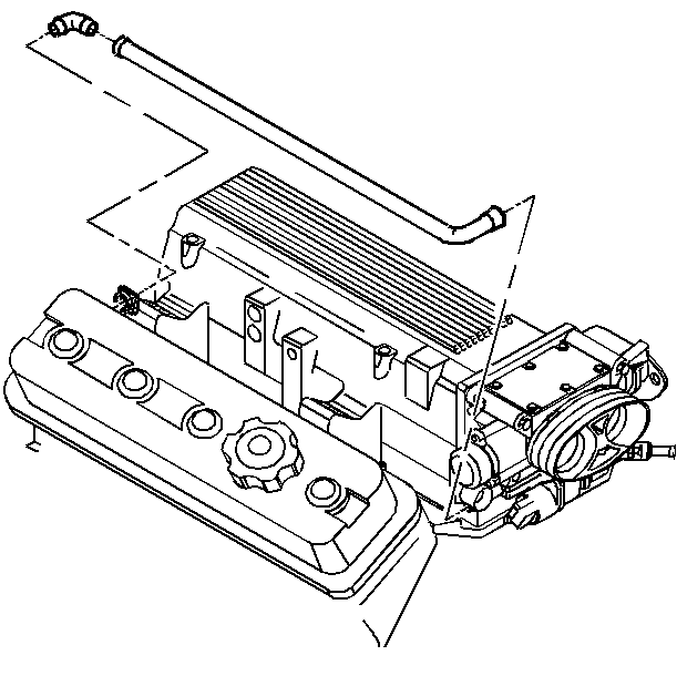
  17. Install the crankcase vent hose.

  18. Object Number: 11448  Size: SH
  19. Install the fuel rail with injectors and the fuel rail bolts.
  20. Tighten
    Tighten the fuel rail bolts to 10 N·m (89 lb in).


    Object Number: 11447  Size: SH
  21. Connect the fuel pressure regulator vacuum hose.