GM Service Manual Online
For 1990-2009 cars only

SMU-SEC.8A-34 - NEW SECTION FOR CURISE CONTROL

SUBJECT: SERVICE MANUAL UPDATE - SECTION 8A-34 - NEW SECTION FOR CRUISE CONTROL (TEXT, SCHEMATICS, TABLES AND DIAGNOSTIC CHARTS)

MODELS: 1996 CHEVROLET CORVETTE

THIS BULLETIN IS BEING ISSUED TO UPDATE SECTION 8A-34 OF THE SERVICE MANUAL WITH THE FOLLOWING TEXT, ATTACHED SCHEMATICS, TABLES AND DIAGNOSTIC CHARTS.

TROUBLESHOOTING HINTS -

(PERFORM BEFORE BEGINNING SYSTEM DIAGNOSIS)

1. CHECK FOR AN OPEN CRUISE FUSE.

2. CHECK FOR VACUUM LEAKS ON THE TWO VACUUM LINES ATTACHED TO THE CRUISE CONTROL SERVO.

3. CHECK THE CRUISE CABLE CONNECTION FROM THE CRUISE SERVO TO THE ADJUSTER ASSEMBLY. IT SHOULD NOT BIND OR BE TOO LOOSE.

4. CHECK FOR PROPER TERMINAL MATING AT CONNECTORS. LOOK FOR CORROSION, BENT TERMINALS, ETC.

O CHECK FOR A BROKEN (OR PARTIALLY BROKEN) WIRE INSIDE OF THE INSULATION WHICH COULD CAUSE SYSTEM MALFUNCTION BUT PROVE "GOOD" IN A CONTINUITY/VOLTAGE CHECK WITH A SYSTEM DISCONNECTED. THESE CIRCUITS MAY BE INTERMITTENT OR RESISTIVE WHEN LOADED, AND IF POSSIBLE, SHOULD BE CHECKED BY MONITORING FOR A VOLTAGE DROP WITH THE SYSTEM OPERATIONAL (UNDER LOAD).

O CHECK FOR PROPER INSTALLATION OF AFTERMARKET ELECTRONIC EQUIPMENT WHICH MAY AFFECT THE INTEGRITY OF OTHER SYSTEMS (SEE "TROUBLESHOOTING PROCEDURES" ON PAGE 8A-4-0 OF THE SERVICE MANUAL).

O REFER TO SYSTEM DIAGNOSIS.

SYSTEM DIAGNOSIS -

O REFER TO THE SYMPTOM TABLE (SEE BELOW) FOR THE APPROPRIATE DIAGNOSTIC PROCEDURE(S).

SYMPTOM TABLE

SYMPTOM PROCEDURE PAGE NUMBER ------- --------- -----------

CRUISE WILL NOT ENGAGE CHART #1 8A-34-5

CRUISE WILL NOT MAINTAIN CHART #2 8A-34-8 SET SPEED OR CRUISE SURGES

CRUISE DOES NOT RESUME, CHART #3 8A-34-9 ACCELERATE OR TAP-UP

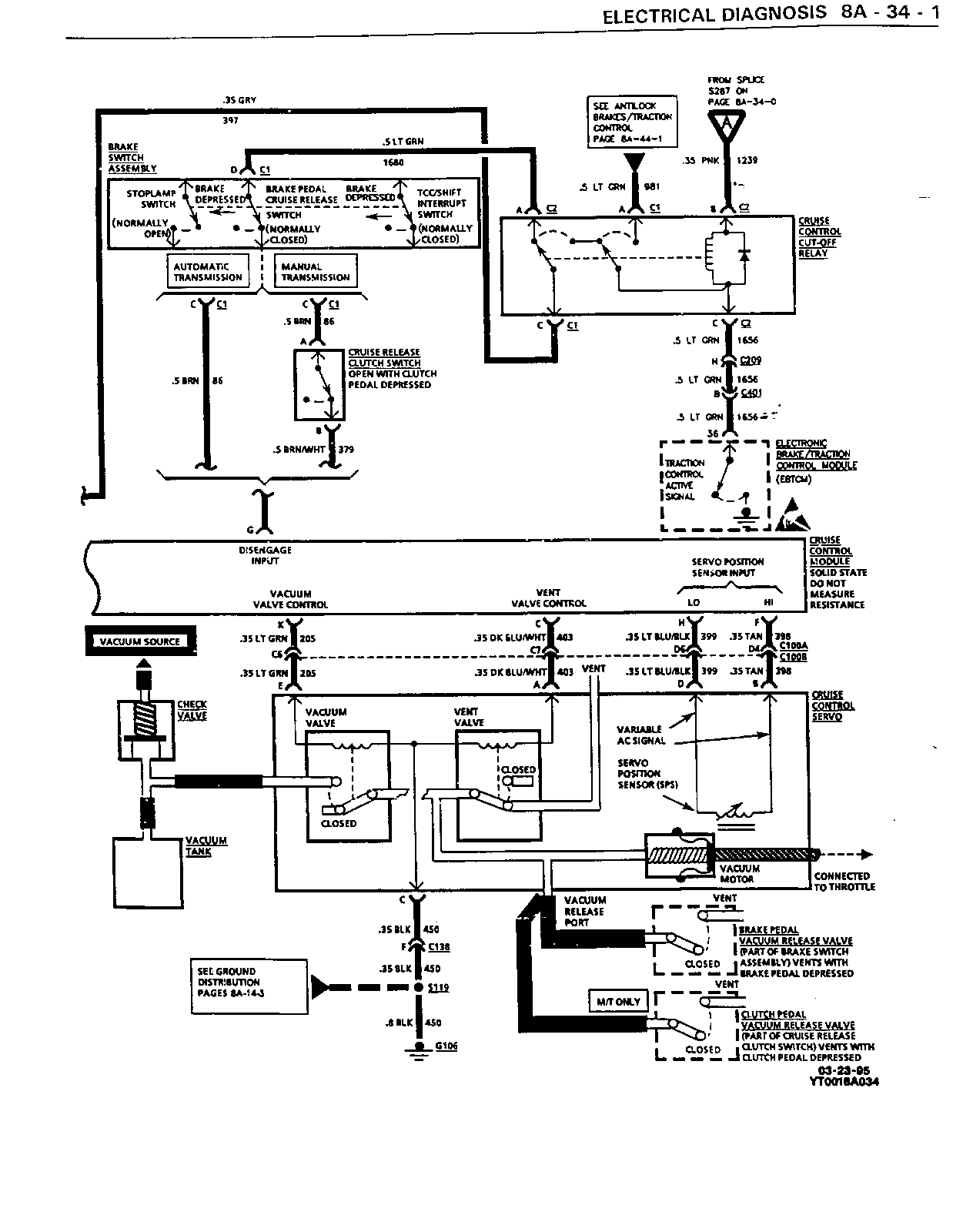
CIRCUIT OPERATION -

THE CRUISE CONTROL SYSTEM WORKS A MECHANICAL LINKAGE TO AN ADJUSTER ASSEMBLY. THIS ADJUSTER ASSEMBLY IS ALSO SHARED BY THE TRACTION CONTROL SYSTEM (TCS) (REFER TO SECTION 5E2 OF THE SERVICE MANUAL FOR MORE DETAILS). THE LINKAGE IS CONTROLLED BY A DIAPHRAGM MOVED BY A VACUUM APPLIED TO ONE SIDE. A SOLENOID DRIVEN VALVE CONNECTS THE VACUUM MOTOR TO A VACUUM TANK. ANOTHER SOLENOID VALVE VENTS THE VACUUM. THE CRUISE CONTROL MODULE CONTROLS THE VACUUM MOTOR AND THE ADJUSTER ASSEMBLY BY PULSING THESE SOLENOID VALVES "ON" AND "OFF".

ONE INPUT TO THE CRUISE CONTROL MODULE IS THE VEHICLE SPEED. THIS INPUT COMES FROM THE POWERTRAIN CONTROL MODULE (PCM) AFTER THE PCM BUFFERS THE SPEED SIGNAL SENT BY THE VEHICLE SPEED SENSOR. IF THE ACTUAL SPEED SIGNAL IS DIFFERENT FROM THE SPEED THAT WAS SET INTO AND REMEMBERED BY THE CRUISE CONTROL MODULE, THE CRUISE CONTROL MODULE GIVES OFF PULSES TO CHANGE THE VACUUM AND RETURN THE VEHICLE TO THE SET SPEED. OTHER INPUTS TO THE CRUISE CONTROL MODULE ARE FROM THE CRUISE SWITCH AND THE SET SWITCH. ALSO, THERE IS A DISENGAGE INPUT TO THE CRUISE CONTROL MODULE. THIS INPUT DISENGAGES THE CRUISE CONTROL SYSTEM WHEN VOLTAGE IS REMOVED. VOLTAGE IS APPLIED TO THIS INPUT BY EITHER THE CRUISE RELEASE CLUTCH SWITCH (MANUAL TRANSMISSION), THE BRAKE PEDAL CRUISE RELEASE SWITCH OR THE CRUISE CONTROL CUT-OFF RELAY (AS COMMANDED BY THE ASR SYSTEM). WHEN VOLTAGE IS REMOVED TO THE DISENGAGE INPUT BY THE BRAKE PEDAL CRUISE RELEASE SWITCH, VACUUM IS RELEASED ALSO, AND THE CRUISE SYSTEM WILL HAVE TO RESET USING THE SET SWITCH WHEN THE BRAKE PEDAL IS RELEASED.

THE TWO OUTPUTS OF THE CRUISE CONTROL MODULE OPERATE THE COILS OF THE VACUUM VALVE AND THE VENT VALVE. BOTH VALVES ARE FOUND IN THE CRUISE CONTROL SERVO. THESE VALVES MOVE THE SERVO MECHANICAL LINKAGE BY MEANS OF THE VACUUM MOTOR. THE SERVO POSITION SENSOR COIL SENSES THE POSITION AND MOTION OF THE VACUUM MOTOR. IT FEEDS THIS INFORMATION BACK TO THE CRUISE CONTROL MODULE TO PROVIDE SMOOTH PERFORMANCE WHILE THE VEHICLE IS IN CRUISE CONTROL.

FIGURES: 00 ATTACHMENTS: 10


Object Number: 170011  Size: FS


Object Number: 170012  Size: FS


Object Number: 170013  Size: FS


Object Number: 170014  Size: FS


Object Number: 170015  Size: FS


Object Number: 170016  Size: FS


Object Number: 170017  Size: FS


Object Number: 170018  Size: FS


Object Number: 170019  Size: FS


Object Number: 170020  Size: FS

GENERAL MOTORS BULLETINS ARE INTENDED FOR USE BY PROFESSIONAL TECHNICIANS, NOT A "DO-IT-YOURSELFER". THEY ARE WRITTEN TO INFORM THOSE TECHNICIANS OF CONDITIONS THAT MAY OCCUR ON SOME VEHICLES, OR TO PROVIDE INFORMATION THAT COULD ASSIST IN THE PROPER SERVICE OF A VEHICLE. PROPERLY TRAINED TECHNICIANS HAVE THE EQUIPMENT, TOOLS, SAFETY INSTRUCTIONS AND KNOW-HOW TO DO A JOB PROPERLY AND SAFELY. IF A CONDITION IS DESCRIBED, DO NOT ASSUME THAT THE BULLETIN APPLIES TO YOUR VEHICLE, OR THAT YOUR VEHICLE WILL HAVE THAT CONDITION. SEE A GENERAL MOTORS DEALER SERVICING YOUR BRAND OF GENERAL MOTORS VEHICLE FOR INFORMATION ON WHETHER YOUR VEHICLE MAY BENEFIT FROM THE INFORMATION.

COPYRIGHT 1997 GENERAL MOTORS CORPORATION. ALL RIGHTS RESERVED.