GM Service Manual Online
For 1990-2009 cars only

Removal Procedure

Tools Required

    • J 33432-A Transverse Leaf Spring Compressor
    • J 42188 Ball Joint Separator
    • J 41803 Engine Support Fixture
    • J 28467-B Universal Engine Support Fixture

    Object Number: 74059  Size: SH

    Caution: Unless directed otherwise, the ignition and start switch must be in the OFF or LOCK position, and all electrical loads must be OFF before servicing any electrical component. Disconnect the negative battery cable to prevent an electrical spark should a tool or equipment come in contact with an exposed electrical terminal. Failure to follow these precautions may result in personal injury and/or damage to the vehicle or its components.

  1. Disconnect the negative battery cable.
  2. Remove the generator from the accessory mounting bracket. Refer to Generator Replacement in Engine Electrical.
  3. Support the engine using J 41803 and J 28467-B .
  4. Raise the vehicle and support. Refer to Lifting and Jacking the Vehicle in General Information.
  5. Remove the front tire and wheel assemblies. Refer to Tire and Wheel Removal and Installation in Tires and Wheels.

  6. Object Number: 82236  Size: SH
  7. Loosen, but do not remove the tie rod end nuts (3).
  8. Seperate the tie rod ends (5) from the steering knuckles (4) using J 42188 .
  9. Remove the tie rod ends (5) and the tie rod end stud nuts from the steering knuckles.

  10. Object Number: 179305  Size: SH
  11. Remove the stabilizer bar bolts and straps.
  12. Disconnect the stabilizer shaft from the cradle.

  13. Object Number: 65353  Size: SH
  14. Remove the power steering (PS) cooler bolts from the cradle.
  15. Disconnect the PS cooler from the cradle and position it upward.

  16. Object Number: 65352  Size: SH
  17. Remove the PS gear retaining bolts.
  18. Remove the PS gear from the cradle and position it upward.
  19. Remove the bolts from the brake pressure modulator valve bracket.
  20. Reposition the electronic brake control module/brake pressure modulator valve (EBTCM/BPMV) and bracket away from the crossmember.

  21. Object Number: 65337  Size: SH
  22. Install J 33432-A to the transverse leaf spring.
  23. Compress the spring.

  24. Object Number: 65335  Size: SH
  25. Remove the shock absorber lower mounting bolts.

  26. Object Number: 65333  Size: SH
  27. Loosen, but do not remove the lower ball joint stud nuts.
  28. Separate the lower ball joints from the steering knuckles, using J 42188 .
  29. Remove the lower ball joint stud nuts and lower ball joints from the steering knuckles.
  30. Remove the transverse leaf spring.
  31. Disconnect all electrical from the front crossmember.

  32. Object Number: 74084  Size: SH
  33. Remove the engine mount-to-front crossmember nuts.
  34. Support the front crossmember with a transmission jack.
  35. Remove the crossmember nuts.
  36. Remove the crossmember from the vehicle.
  37. Remove the oil drain plug.

  38. Object Number: 74223  Size: SH
  39. Drain the oil from the engine.

  40. Object Number: 63221  Size: SH
  41. Remove the oil filter from the oil pan.

  42. Object Number: 71418  Size: SH
  43. Remove the automatic transmission cooler line bracket bolts (if equipped).
  44. Remove the engine flywheel housing-to-oil pan bolts.

  45. Object Number: 178480  Size: SH
  46. Remove the engine flywheel housing closeout cover bolts.

  47. Object Number: 63114  Size: SH
  48. Disconnect the electrical connector and remove the engine oil level sensor.
  49. Disconnect the engine oil temperature sensor electrical connector.
  50. Remove the oil pan bolts.
  51. Important: The original oil pan gasket is retained and aligned to the oil pan by rivets. When installing a new gasket, it is not necessary to install new oil pan gasket rivets.

    DO NOT reuse the oil pan gasket. When installing the oil pan, install a NEW oil pan gasket.

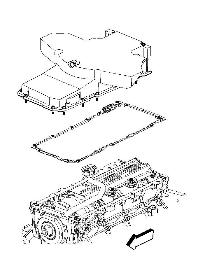
  52. Remove the oil pan.

  53. Object Number: 384699  Size: SH

    Important: DO NOT allow foreign material to enter the oil passages of the oil pan, cap or cover the openings as required.

    Use care not to gouge, score, or damage the oil pan sealing surface.

  54. Drill (3) out the oil pan retaining rivets (2) (if required).
  55. Remove the oil pan gasket (1) from the oil pan.
  56. Discard the gasket and rivets.

Installation Procedure

    Important: All gasket surfaces should be free of oil or other foreign material during assembly.

    The alignment of the structural oil pan is critical. The rear bolt hole locations of the oil pan provide mounting points for the flywheel housing cover. To ensure the rigidity of the powertrain and correct transmission alignment, it is important that the rear of the block and the rear of the oil pan are flush or even. The rear of the oil pan must NEVER protrude beyond the engine block .

    Do NOT reuse the oil pan gasket.

    It is not necessary to rivet the NEW gasket to the oil pan.


    Object Number: 63176  Size: SH
  1. Apply a 5 mm (0.20 in) bead of sealant GM P/N 12378190 or equivalent 20 mm (0.80 in) long to the engine block. Apply the sealant directly onto the tabs of the front cover gasket that protrude into the oil pan surface.

  2. Object Number: 63175  Size: SH
  3. Apply a 5 mm (0.20 in) bead of sealant GM P/N 12378190 or equivalent, 20 mm (0.80 in) long to the engine block. Apply the sealant directly onto the tabs of the rear cover gasket that protrude into the oil pan surface.

  4. Object Number: 63206  Size: MH

    Important: Be sure to align the oil gallery passages in the oil pan and engine block properly with the oil pan gasket.

  5. Preassemble the oil pan gasket to the pan.
  6. 3.1. Install the gasket onto the oil pan.
    3.2. Install the oil pan bolts to the pan and through the gasket.
  7. Install the oil pan, gasket and bolts to the engine block.
  8. Notice: Use the correct fastener in the correct location. Replacement fasteners must be the correct part number for that application. Fasteners requiring replacement or fasteners requiring the use of thread locking compound or sealant are identified in the service procedure. Do not use paints, lubricants, or corrosion inhibitors on fasteners or fastener joint surfaces unless specified. These coatings affect fastener torque and joint clamping force and may damage the fastener. Use the correct tightening sequence and specifications when installing fasteners in order to avoid damage to parts and systems.

  9. Tighten the oil pan bolts finger tight. Do not overtighten.
  10. Install the two lower flywheel housing bolts to position the oil pan correctly.
  11. Tighten the lower flywheel housing bolts finger tight. Do not overtighten.
  12. Tighten

    1. Tighten the oil pan-to-block and oil pan-to-oil pan front cover bolts to 25 N·m (18 lb ft).
    2. Tighten the oil pan-to-rear cover bolts to 12 N·m (106 lb in).
    3. Tighten the flywheel housing bolts to 50 N·m (37 lb ft).

    Object Number: 208478  Size: SH
  13. Install the left side closeout cover and bolt.
  14. Tighten
    Tighten the left side closeout cover bolt to 12 N·m (106 lb in).


    Object Number: 208464  Size: SH
  15. Install the right side closeout cover and bolt.
  16. Tighten
    Tighten the right closeout cover bolt to 12 N·m (106 lb in).


    Object Number: 71418  Size: SH
  17. Connect the engine oil temperature sensor connector.
  18. Install and connect the engine oil level sensor.
  19. Tighten
    Tighten the oil level sensor to 35 N·m (26 lb ft).

  20. Install the automatic transmission cooler line bracket bolts.

  21. Object Number: 63221  Size: SH
  22. Install the oil filter to the oil pan.
  23. Tighten
    Tighten the oil filter to 30 N·m (22 lb ft).

  24. Install the oil drain plug.
  25. Tighten
    Tighten the oil drain plug to 25 N·m (18 lb ft).


    Object Number: 74084  Size: SH
  26. Install the front crossmember to the vehicle.
  27. Install the crossmember nuts.
  28. Tighten
    Tighten the crossmember nuts to 110 N·m (81 lb ft).

  29. Install the engine mount-to-crossmember nuts.
  30. Tighten
    Tighten the engine mount nuts to 54 N·m (40 lb ft).

  31. Connect all electrical to the crossmember.
  32. Install the transverse leaf spring. Refer to Front Transverse Spring Replacement .

  33. Object Number: 65335  Size: SH
  34. Install the shock absorber lower mounting bolts.
  35. Tighten
    Tighten the shock absorber lower mounting bolts to 28 N·m (20 lb ft).


    Object Number: 65333  Size: SH
  36. Install the lower control arm ball joint studs into the steering knuckles.
  37. Tighten

    1. Tighten the lower control arm ball joint stud nuts to 20 N·m (15 lb ft) to seat the ball joint stud.
    2. Turn the lower control arm ball joint stud nut an additional 210 degrees.
    3. Check the lower control arm ball joint stud nut for a minimum final torque of 70 N·m (52 lb ft).
  38. Remove the J 33432-A .

  39. Object Number: 65352  Size: SH
  40. Install the PS gear to the cradle.
  41. Install the PS gear bolts.
  42. Tighten
    Tighten the PS gear bolts to 100 N·m (74 lb ft).

  43. Install the bolts to the brake pressure modulator valve bracket, if equipped.
  44. Tighten
    Tighten the bolts to the brake pressure modulator valve bracket to 27 N·m (20 lb ft).


    Object Number: 65353  Size: SH
  45. Install the PS cooler to the cradle
  46. Install the PS cooler bolts.
  47. Tighten
    Tighten the PS cooler bolts to 11 N·m (97 lb in).


    Object Number: 179305  Size: SH
  48. Install the front stabilizer shaft to the crossmember.
  49. Install front stabilizer shaft clamps and mounting bolts.
  50. Tighten
    Tighten the front stabilizer shaft clamp bolts to 58 N·m (43 lb ft).


    Object Number: 82236  Size: SH
  51. Install the tie rod ends (5) to the steering knuckles (4).
  52. Install the tie rod end nuts (3).
  53. Tighten

    1. Tighten the tie rod end nuts to 20 N·m (15 lb ft) to seat the tie rod end stud.
    2. Turn the tie rod end nut an additional 160 degrees.
    3. Check the tie rod end nut for a minimum final torque of 45 N·m (33 lb ft).
  54. Install the front tire and wheel assemblies.
  55. Tighten
    Tighten the wheel nuts in sequence to 140 N·m (100 lb ft).

  56. Lower the vehicle.
  57. Remove J 41803 and J 28467-B from engine.
  58. Install the generator to the accessory mounting bracket. Refer to Generator Replacement in Engine Electrical.
  59. Connect the negative battery cable.
  60. Tighten
    Tighten the negative battery cable bolt to 15 N·m (11 lb ft).

  61. Program the Transmitters. Refer to Transmitter Programming/Synchronization in Keyless Entry.
  62. Fill the engine with oil.
  63. Check for leaks.
  64. Align the front suspension as necessary. Refer to Wheel Alignment Measurement in Wheel Alignment.