| • | J 33432-A Transverse Leaf Spring Compressor |
| • | J 42188 Ball Joint Separator |
| • | J 41803 Engine Support Fixture |
| • | J 28467-B Universal Engine Support Fixture |
Caution: Unless directed otherwise, the ignition and start switch must be in the OFF or LOCK position, and all electrical loads must be OFF before servicing any electrical component. Disconnect the negative battery cable to prevent an electrical spark should a tool or equipment come in contact with an exposed electrical terminal. Failure to follow these precautions may result in personal injury and/or damage to the vehicle or its components.
Important: Note the position of the locating dowels when removing the mount.
Notice: Use the correct fastener in the correct location. Replacement fasteners must be the correct part number for that application. Fasteners requiring replacement or fasteners requiring the use of thread locking compound or sealant are identified in the service procedure. Do not use paints, lubricants, or corrosion inhibitors on fasteners or fastener joint surfaces unless specified. These coatings affect fastener torque and joint clamping force and may damage the fastener. Use the correct tightening sequence and specifications when installing fasteners in order to avoid damage to parts and systems.
Tighten
Tighten the engine mount bracket bolts to 50 N·m (37 lb ft).
Important: When installing the engine mount, be sure to have the metal end facing up and the locating dowels in the correct position.
Tighten
Tighten the engine mount upper nut to 54 N·m (40 lb ft).
Tighten
Tighten the cradle nuts to 110 N·m (81 lb ft).
Tighten
Tighten the engine mount nuts to 54 N·m (40 lb ft).
Tighten
Tighten the bolts to the brake pressure modulator valve bracket to 27 N·m
(20 lb ft), if equipped.
Tighten
Tighten the shock absorber lower mounting bolts to 28 N·m
(20 lb ft).
Tighten
Tighten
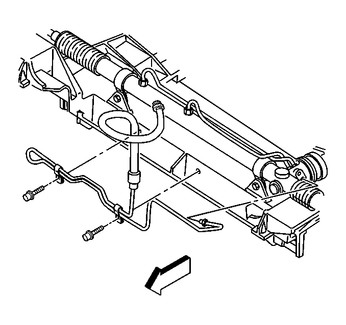
Tighten the PS gear bolts to 100 N·m (74 lb ft).
Tighten
Tighten the PS cooler bolts to 11 N·m (97 lb in).
Tighten
Tighten the front stabilizer bolts to 54 N·m (40 lb ft).
Tighten
Tighten the tie rod end nuts (3) to 45 N·m (33 lb ft).
Tighten
Tighten the wheel nuts to 140 N·m (100 lb ft).
Tighten
Tighten the negative battery cable bolt to 15 N·m (11 lb ft).