GM Service Manual Online
For 1990-2009 cars only
Figure 1:

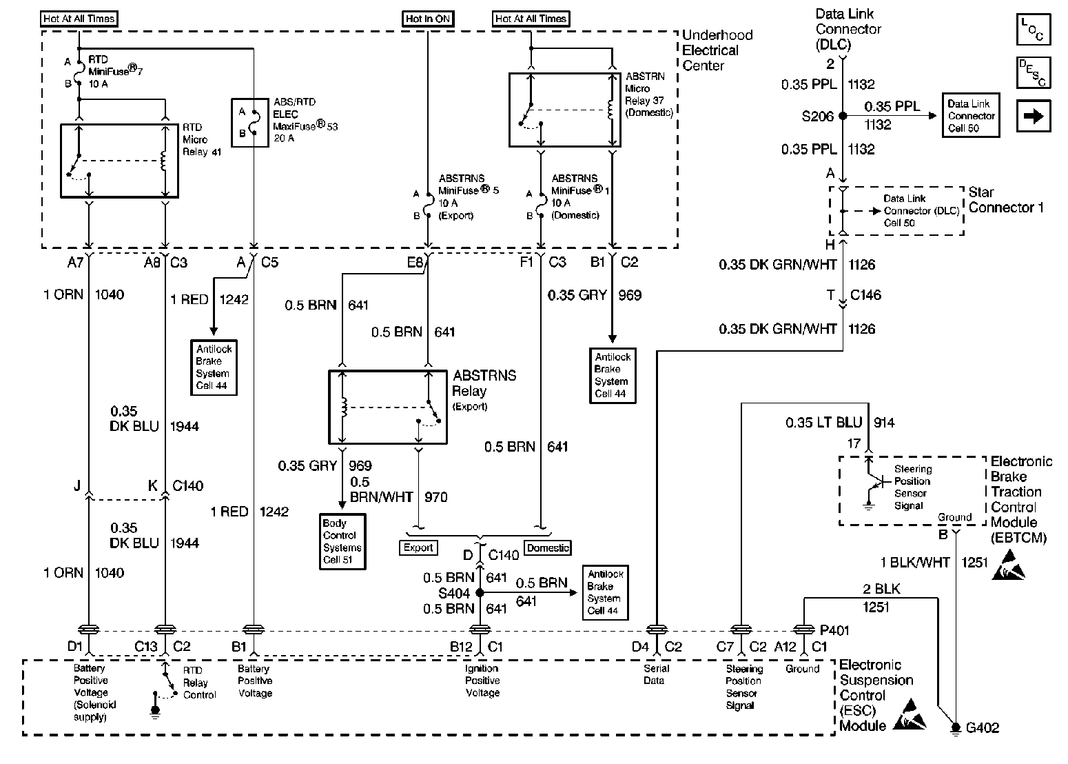
Cell 43: Power, Ground and DLC


Object Number: 175828  Size: FS
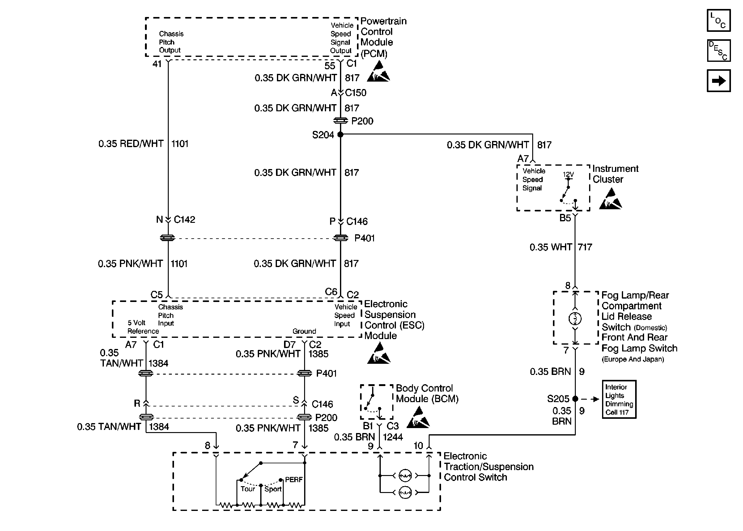
Figure 2:

Cell 43: Suspension Control Switch Input


Object Number: 63549  Size: FS
Figure 3:

Cell 43: Sensor Input


Object Number: 175827  Size: FS
Figure 4:

Cell 143: Solenoid Control System


Object Number: 63555  Size: FS