GM Service Manual Online
For 1990-2009 cars only
Makes
🢒
Chevrolet
🢒
1997
🢒
Corvette
🢒
Steering
🢒
Steering Wheel and Column
🢒 Column/Ignition Lock Schematics
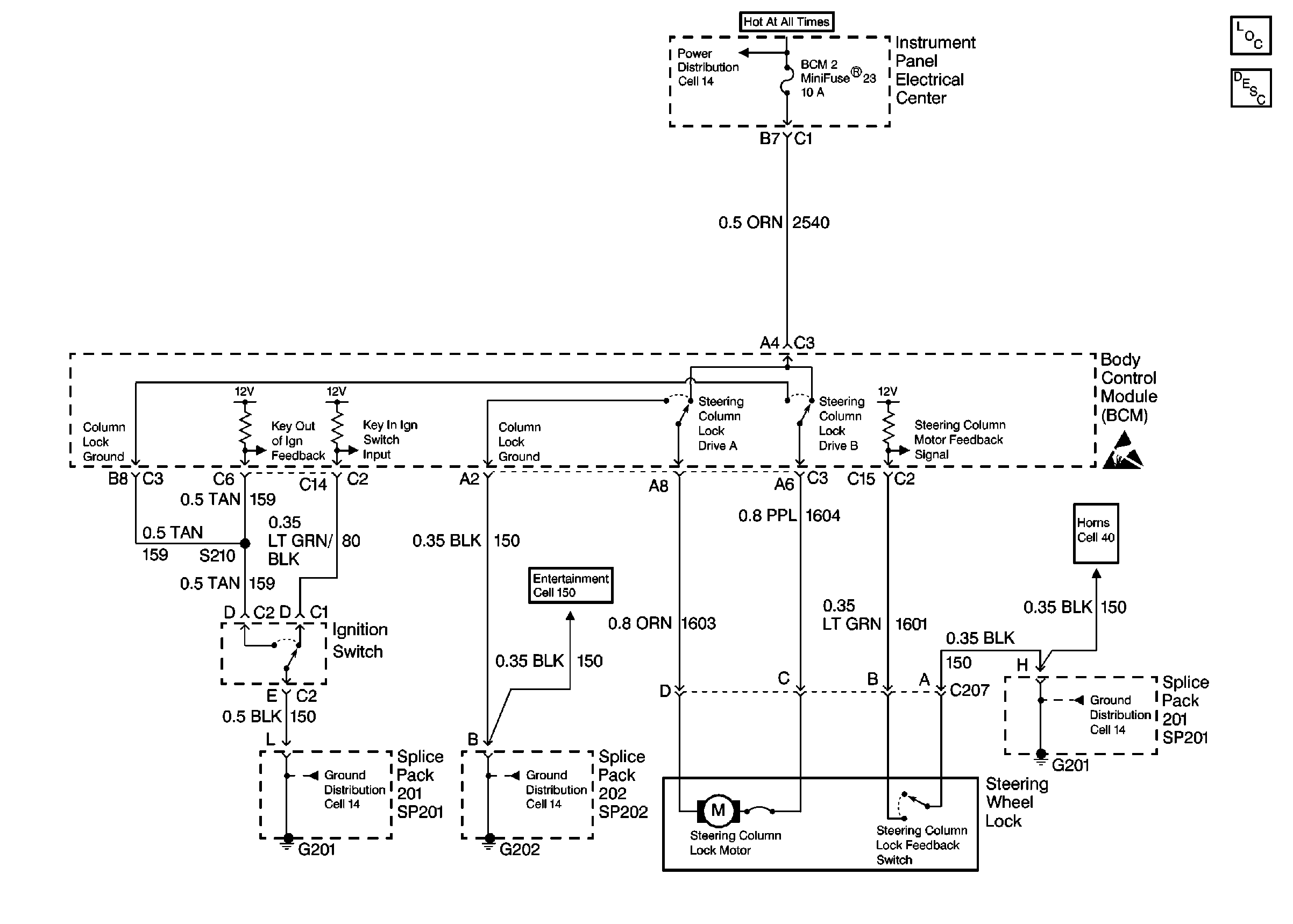
Cell 139: Steering Wheel Lock System