GM Service Manual Online
For 1990-2009 cars only
Figure 1:

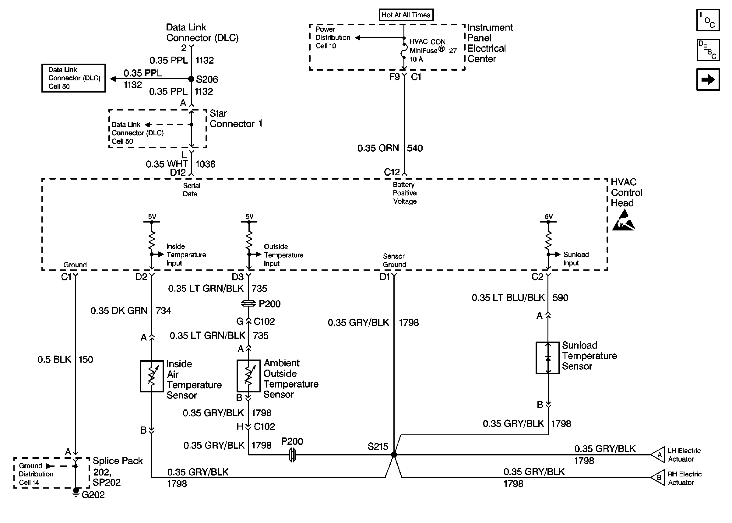
Cell 68: Air Delivery System -- Power, Ground and DLC


Object Number: 323607  Size: FS
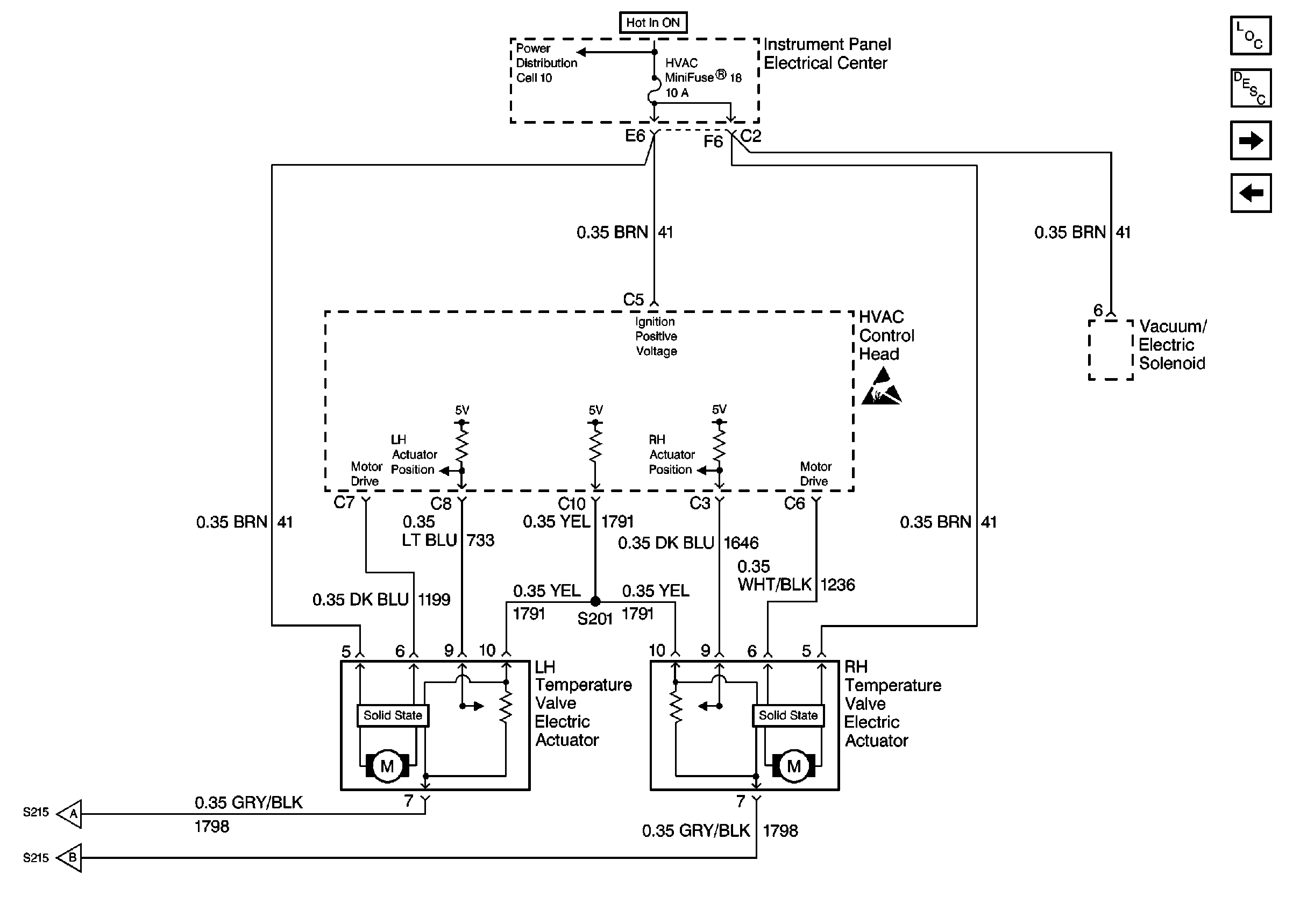
Figure 2:

Cell 68: Air Delivery System -- Actuator Control


Object Number: 323608  Size: FS
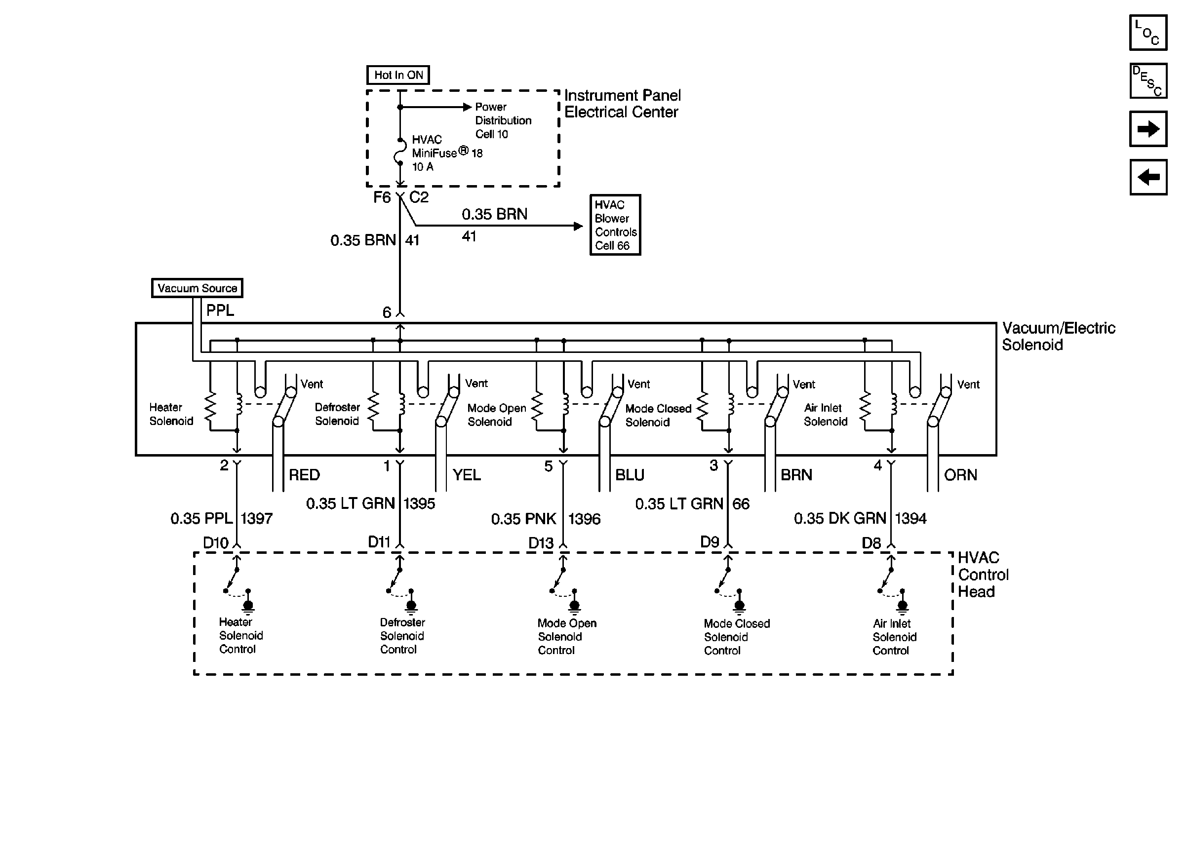
Figure 3:

Cell 68: Air Delivery System -- Solenoid Control


Object Number: 323614  Size: FS
Figure 4:

Cell 68: Vacuum Routing


Object Number: 332499  Size: FS